|
|

|
Porsche, and the Porsche crest are registered trademarks of Dr. Ing. h.c. F. Porsche AG.
This site is not affiliated with Porsche in any way. Its only purpose is to provide an online forum for car enthusiasts. All other trademarks are property of their respective owners. |
|
|
![]() ![]() |
| mtndawg |
May 15 2019, 10:16 PM
Post
#1
|
|
Member ![]() ![]() Group: Members Posts: 414 Joined: 26-January 09 From: Granite Bay, Ca Member No.: 9,985 Region Association: None
|
I have been following the directions in other posts to wire my car for carbs with a low pressure pump under the tank. In front I have a black/red wire and brown for ground which is expected. My number 13 pin on the 14 pin connector is green rather than black with red. I can't find a diagram of a '75 relay board and it's not in my manual. The previous owner had blue a jumper wire connected as shown in the photo. Is this arrangement right for this year when running carbs?
Attached image(s)
|
| Chi-town |
May 16 2019, 05:21 AM
Post
#2
|
|
Senior Member ![]() ![]() ![]() Group: Members Posts: 851 Joined: 31-August 18 From: Disneyland Member No.: 22,446 Region Association: Southern California |
The blue jumper wire activates the fuel pump without the efi if I remember correctly.
|
| Spoke |
May 16 2019, 07:24 AM
Post
#3
|
|
Jerry ![]() ![]() ![]() ![]() ![]() Group: Members Posts: 7,285 Joined: 29-October 04 From: Allentown, PA Member No.: 3,031 Region Association: None
|
It looks like pin 3 is connected to pin 4.
Pin 3 is the fuel pump relay pin should be connected to ground to energize the relay. Pin 4 is connects to the starter. With that connection, the fuel pump will run unless the starter is engaged. Not sure why it's connected like that. Attached thumbnail(s) |
| mtndawg |
May 16 2019, 07:42 AM
Post
#4
|
|
Member ![]() ![]() Group: Members Posts: 414 Joined: 26-January 09 From: Granite Bay, Ca Member No.: 9,985 Region Association: None
|
Yes the PO had 3 and 4 connected. I’m not getting power when I ground 3 and Pin 13 is not showing 12v when the key is on. Seems like something is different on the ‘75 car?
|
| Spoke |
May 16 2019, 08:06 AM
Post
#5
|
|
Jerry ![]() ![]() ![]() ![]() ![]() Group: Members Posts: 7,285 Joined: 29-October 04 From: Allentown, PA Member No.: 3,031 Region Association: None
|
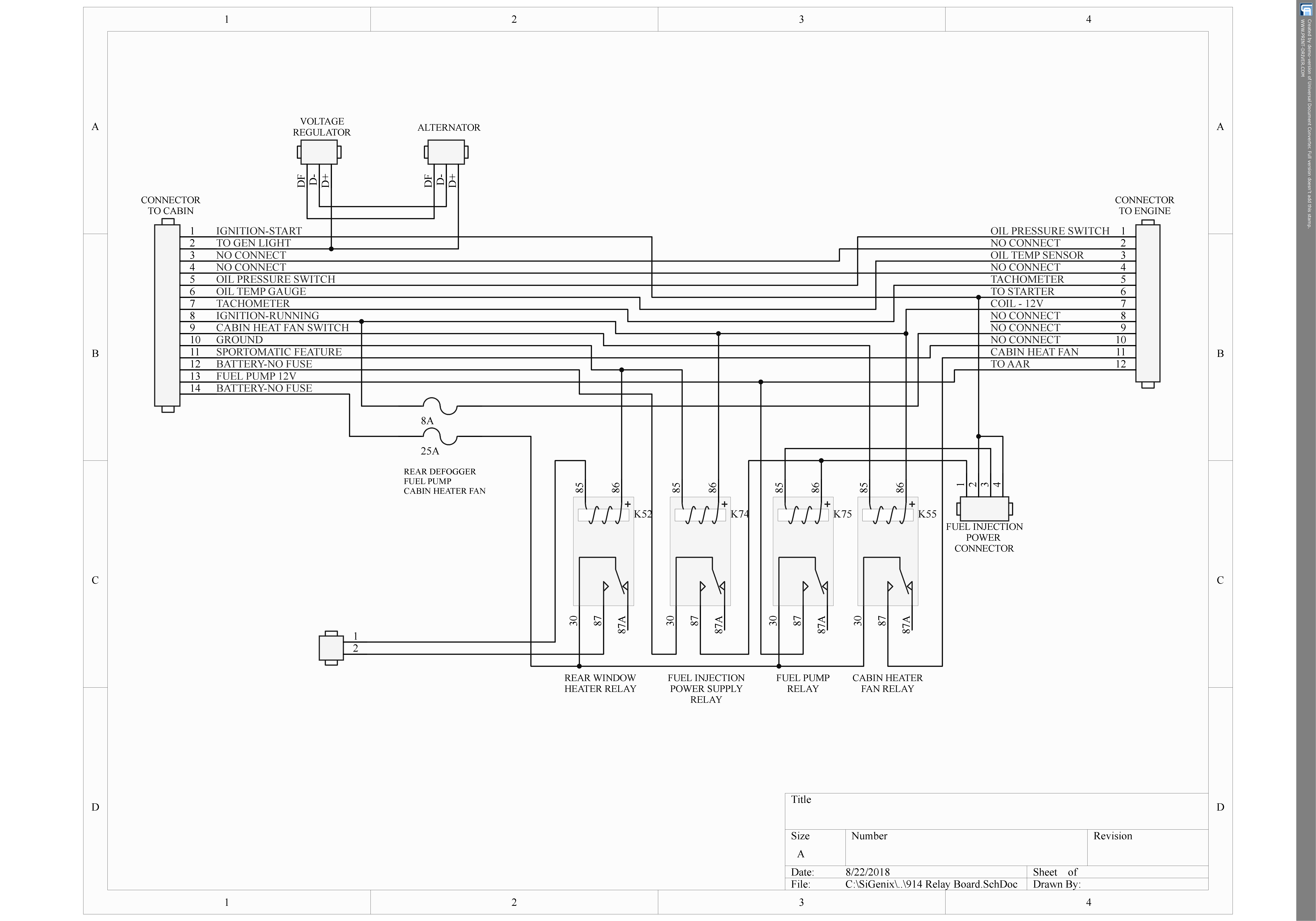
Yes the PO had 3 and 4 connected. I’m not getting power when I ground 3 and Pin 13 is not showing 12v when the key is on. Seems like something is different on the ‘75 car? The relay board is the same on all years. Power to pin 1 of the FI connector comes from the power supply relay. You should have 12V on pin 1 with the ignition switch on. Careful as the 12V on pin 1 is not fused. The power to the fuel pump relay coil is also the power supply relay and pin 1. Do you have power at the 25A fuse? This is for the fuel pump relay. In your picture with the 14 pin connector apart, it is assumed you have the battery NEGATIVE terminal disconnected. There are no fuses between pin 12 and pin 14 wires to the battery. Here's a diagram of the relay board from Pelican showing wire colors. Attached thumbnail(s) |
| mtndawg |
May 16 2019, 08:53 AM
Post
#6
|
|
Member ![]() ![]() Group: Members Posts: 414 Joined: 26-January 09 From: Granite Bay, Ca Member No.: 9,985 Region Association: None
|
I found a Bowlsby photo that shows the '75 with a greeen wire (pin 13) attached to the black/red wire under the dash being stock. I'm wondering if someone cut the green wire under my dash which would explain not having power at 13. I'll check that today.
It looks like the jumper from 3 to 4 was carrying power to the fuel pump relay because one of those tabs is connected to pin 1 (yellow wire) on the 14 pin connector. Thank you for the reminder to disconnect the battery. |
| mtndawg |
May 17 2019, 08:09 AM
Post
#7
|
|
Member ![]() ![]() Group: Members Posts: 414 Joined: 26-January 09 From: Granite Bay, Ca Member No.: 9,985 Region Association: None
|
I have power on both sides of the fuse
Tested the relays and they all switch when power is applied Confirmed that the ‘75 has a green wire from pin 13 and changes to a black and red wire under the dash to connect to the fuel pump, this must be specific to ‘75 and ‘76 cars? Maybe I have a problem with 85 or 86 on the power supply relay which is not sending signal to the fuel pump relay switch? Attached thumbnail(s) |
| Spoke |
May 17 2019, 08:18 PM
Post
#8
|
|
Jerry ![]() ![]() ![]() ![]() ![]() Group: Members Posts: 7,285 Joined: 29-October 04 From: Allentown, PA Member No.: 3,031 Region Association: None
|
I have power on both sides of the fuse Tested the relays and they all switch when power is applied When you tested the relay, did you test in the car or separately? Pull the fuel pump relay and put a very small wire in the pin 87socket hole and replace the relay. Turn on the car and measure the voltage on the wire. |
| wndsnd |
May 17 2019, 09:01 PM
Post
#9
|
|
You wanted a horse, but got a goat. Nobody wants a goat.... ![]() ![]() ![]() ![]() Group: Members Posts: 2,861 Joined: 12-February 12 From: North Shore, MA Member No.: 14,124 Region Association: North East States |
Well it looks like fuel pump week. I wish I had something to contribute.
Spoke is working overtime.. Hopefully we will both have things sorted soon. Good luck mtndawg, I am following! John |
| mtndawg |
May 18 2019, 02:50 PM
Post
#10
|
|
Member ![]() ![]() Group: Members Posts: 414 Joined: 26-January 09 From: Granite Bay, Ca Member No.: 9,985 Region Association: None
|
Had the relay board out testing everything I could think should have continuity and everything checked out along with getting 12 volts in all the right locations. I put it all back together to test for voltage at the pump. When I turned the key it went on! I don’t know what the problem was. Moving forward for now.
Attached thumbnail(s) |
| Spoke |
May 18 2019, 02:57 PM
Post
#11
|
|
Jerry ![]() ![]() ![]() ![]() ![]() Group: Members Posts: 7,285 Joined: 29-October 04 From: Allentown, PA Member No.: 3,031 Region Association: None
|
Had the relay board out testing everything I could think should have continuity and everything checked out along with getting 12 volts in all the right locations. I put it all back together to test for voltage at the pump. When I turned the key it went on! I don’t know what the problem was. Moving forward for now. Good to hear although it is also good to find the issue and fix it. Many times electrical issues stem from poor contact at connectors. Removing and reinserting connectors sometimes makes better contact and things run again. Let's just hope the issue doesn't come back. (IMG:style_emoticons/default/beerchug.gif) |
![]() ![]() |
|
Lo-Fi Version | Time is now: 16th December 2025 - 06:55 AM |
| All rights reserved 914World.com © since 2002 |
|
914World.com is the fastest growing online 914 community! We have it all, classifieds, events, forums, vendors, parts, autocross, racing, technical articles, events calendar, newsletter, restoration, gallery, archives, history and more for your Porsche 914 ... |