|
|

|
Porsche, and the Porsche crest are registered trademarks of Dr. Ing. h.c. F. Porsche AG.
This site is not affiliated with Porsche in any way. Its only purpose is to provide an online forum for car enthusiasts. All other trademarks are property of their respective owners. |
|
|
![]() ![]() |
| kpfoten |
Apr 26 2009, 11:01 PM
Post
#1
|
|
Member ![]() ![]() Group: Members Posts: 220 Joined: 15-April 08 From: Escanaba, MI Member No.: 8,927 Region Association: None |
I've been reading about how the D-jet fuel pump might need the heater blower motor connected to function properly (they use the same fuse)? Is there some kind of bypass if my blower motor is shot? Am I crazy? I've got a '73 1.7. |
| anderssj |
Apr 27 2009, 08:51 AM
Post
#2
|
|
Dog is my copilot... ![]() ![]() ![]() Group: Members Posts: 1,783 Joined: 28-January 03 From: VA Member No.: 207 Region Association: MidAtlantic Region
|
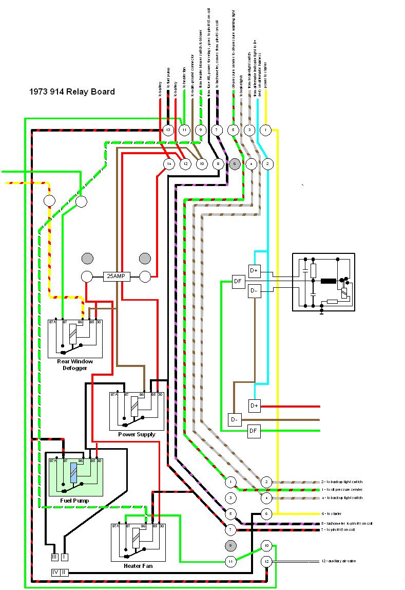
I've been reading about how the D-jet fuel pump might need the heater blower motor connected to function properly (they use the same fuse)? Is there some kind of bypass if my blower motor is shot? Am I crazy? I've got a '73 1.7. They share the same fuse (at 25A), but you shouldn't need the blower motor to be connected. Here's a good diagram that one of the folks here put together (Andy?). Hope this helps . . . . |
| underthetire |
Apr 27 2009, 09:16 AM
Post
#3
|
|
914 Guru ![]() ![]() ![]() ![]() ![]() Group: Members Posts: 5,062 Joined: 7-October 08 From: Brentwood Member No.: 9,623 Region Association: Northern California |
Don't need the blower hooked up. My 73 is fine without it.
|
![]() ![]() |
|
Lo-Fi Version | Time is now: 17th April 2026 - 12:37 AM |
| All rights reserved 914World.com © since 2002 |
|
914World.com is the fastest growing online 914 community! We have it all, classifieds, events, forums, vendors, parts, autocross, racing, technical articles, events calendar, newsletter, restoration, gallery, archives, history and more for your Porsche 914 ... |