|
|

|
Porsche, and the Porsche crest are registered trademarks of Dr. Ing. h.c. F. Porsche AG.
This site is not affiliated with Porsche in any way. Its only purpose is to provide an online forum for car enthusiasts. All other trademarks are property of their respective owners. |
|
|
| 914itis |
Oct 9 2011, 09:41 PM
Post
#1
|
|
Advanced Member ![]() ![]() ![]() ![]() Group: Members Posts: 2,892 Joined: 9-October 10 From: New York City Member No.: 12,256 Region Association: North East States |
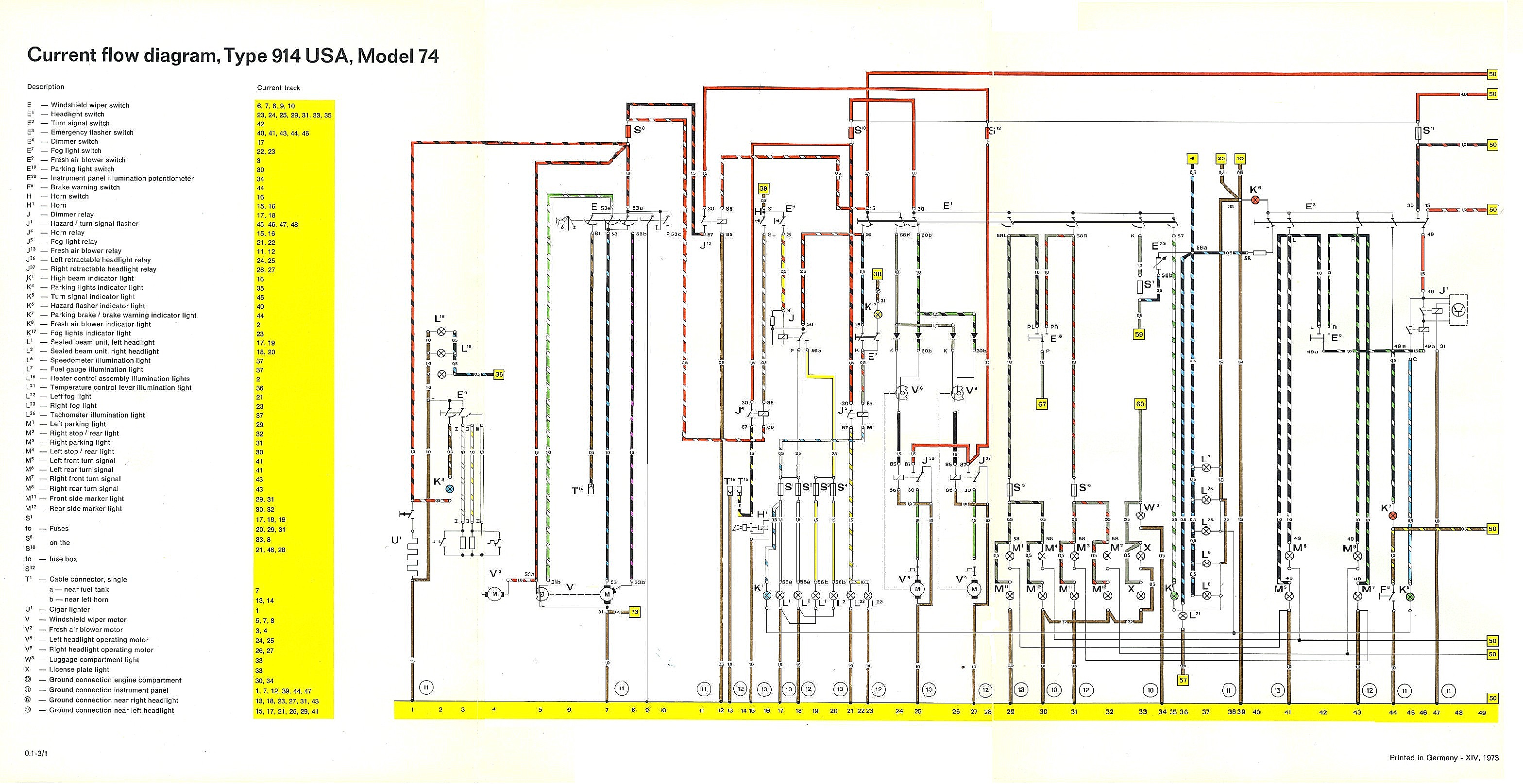
I hate to start this thread as I know the info is somewhere here, l been searching with no results. I need the diagram for the switches on a 74.
|
![]() ![]() |
| Mike Bellis |
Oct 9 2011, 09:44 PM
Post
#2
|
|
Resident Electrician ![]() ![]() ![]() ![]() ![]() Group: Members Posts: 8,347 Joined: 22-June 09 From: Midlothian TX Member No.: 10,496 Region Association: None
|
|
| 914itis |
Oct 10 2011, 10:36 AM
Post
#3
|
|
Advanced Member ![]() ![]() ![]() ![]() Group: Members Posts: 2,892 Joined: 9-October 10 From: New York City Member No.: 12,256 Region Association: North East States |
Can't read anything out of this, does anyone have a hand drawing with wireing colors and location?
|
| SirAndy |
Oct 10 2011, 11:00 AM
Post
#4
|
|
Resident German ![]() ![]() ![]() ![]() ![]() ![]() ![]() ![]() ![]() ![]() ![]() ![]() ![]() ![]() ![]() ![]() ![]() ![]() ![]() ![]() ![]() ![]() ![]() ![]() ![]() Group: Admin Posts: 42,458 Joined: 21-January 03 From: Oakland, Kalifornia Member No.: 179 Region Association: Northern California |
|
| Valy |
Oct 10 2011, 11:17 AM
Post
#5
|
|
Senior Member ![]() ![]() ![]() Group: Members Posts: 1,677 Joined: 6-April 10 From: Sunnyvale, CA Member No.: 11,573 Region Association: Northern California |
|
| 914itis |
Oct 10 2011, 11:45 AM
Post
#6
|
|
Advanced Member ![]() ![]() ![]() ![]() Group: Members Posts: 2,892 Joined: 9-October 10 From: New York City Member No.: 12,256 Region Association: North East States |
This is better, for some reason, the first one wouldn't zoom.
Thanks |
| jim_hoyland |
Oct 10 2011, 06:45 PM
Post
#7
|
|
Get that VIN ? ![]() ![]() ![]() ![]() ![]() ![]() ![]() ![]() ![]() ![]() Group: Members Posts: 10,034 Joined: 1-May 03 From: Sunset Beach, CA Member No.: 643 Region Association: Southern California
|
Someone posted files with the color drawings. I took them over to Kinkos and had big copies made. Really easy to read.
|
![]() ![]() |
|
Lo-Fi Version | Time is now: 13th March 2026 - 10:44 PM |
| All rights reserved 914World.com © since 2002 |
|
914World.com is the fastest growing online 914 community! We have it all, classifieds, events, forums, vendors, parts, autocross, racing, technical articles, events calendar, newsletter, restoration, gallery, archives, history and more for your Porsche 914 ... |