|
|

|
Porsche, and the Porsche crest are registered trademarks of Dr. Ing. h.c. F. Porsche AG.
This site is not affiliated with Porsche in any way. Its only purpose is to provide an online forum for car enthusiasts. All other trademarks are property of their respective owners. |
|
|
| Sea Dragon 914 |
Nov 29 2013, 06:53 PM
Post
#1
|
|
Member ![]() ![]() Group: Members Posts: 114 Joined: 26-February 03 Member No.: 358 Region Association: Northern California |
Does anyone know what are common causes of blowing the fuse on the engine relay board for the fuel pump and how to diagnose it? Would a bad fuel pump cause this?
Thanks, |
![]() ![]() |
| Dave_Darling |
Nov 29 2013, 07:17 PM
Post
#2
|
|
914 Idiot ![]() ![]() ![]() ![]() ![]() ![]() ![]() ![]() ![]() ![]() ![]() ![]() ![]() ![]() ![]() Group: Members Posts: 15,318 Joined: 9-January 03 From: Silicon Valley / Kailua-Kona Member No.: 121 Region Association: Northern California
|
The most common cause is that the aux air regulator wire is shorting to ground. Either where the wire goes into the bottom of the "can", or the wire is unplugged and touching ground that way.
--DD |
| Sea Dragon 914 |
Nov 30 2013, 09:40 AM
Post
#3
|
|
Member ![]() ![]() Group: Members Posts: 114 Joined: 26-February 03 Member No.: 358 Region Association: Northern California |
|
| Sea Dragon 914 |
Nov 30 2013, 10:09 PM
Post
#4
|
|
Member ![]() ![]() Group: Members Posts: 114 Joined: 26-February 03 Member No.: 358 Region Association: Northern California |
Kind of worked. I disconnected the Aux Air valve connector and electrical taped the ends. Car fired right up. Drove about a mile and a half and the fuse blew again. Do you have any other suggestions of where to look?
Thanks, SDR The most common cause is that the aux air regulator wire is shorting to ground. Either where the wire goes into the bottom of the "can", or the wire is unplugged and touching ground that way. --DD |
| Mike Bellis |
Nov 30 2013, 10:57 PM
Post
#5
|
|
Resident Electrician ![]() ![]() ![]() ![]() ![]() Group: Members Posts: 8,347 Joined: 22-June 09 From: Midlothian TX Member No.: 10,496 Region Association: None
|
|
| Sea Dragon 914 |
Nov 30 2013, 11:24 PM
Post
#6
|
|
Member ![]() ![]() Group: Members Posts: 114 Joined: 26-February 03 Member No.: 358 Region Association: Northern California |
|
| Mike Bellis |
Nov 30 2013, 11:26 PM
Post
#7
|
|
Resident Electrician ![]() ![]() ![]() ![]() ![]() Group: Members Posts: 8,347 Joined: 22-June 09 From: Midlothian TX Member No.: 10,496 Region Association: None
|
|
| euro911 |
Dec 1 2013, 12:48 AM
Post
#8
|
|
Retired & living the dream. God help me if I wake up! ![]() ![]() ![]() ![]() ![]() Group: Members Posts: 8,937 Joined: 2-December 06 From: So.Cal. & No.AZ (USA) Member No.: 7,300 Region Association: Southern California
|
The low-rating fuse is the probable cause, but check the path for corroded connections as well. Corrosion on terminals will cause a higher current draw in a circuit.
|
| Dr Evil |
Dec 3 2013, 11:05 PM
Post
#9
|
|
Send me your transmission! ![]() ![]() ![]() ![]() ![]() ![]() ![]() ![]() ![]() ![]() ![]() ![]() ![]() ![]() ![]() Group: Members Posts: 23,041 Joined: 21-November 03 From: Loveland, OH 45140 Member No.: 1,372 Region Association: MidAtlantic Region
|
But, also consider that the heater fan (decent amp draw) and AAR do share that current path. So, place in proper rated fuse, check all wires at those two pieces, and relax (IMG:style_emoticons/default/smoke.gif)
|
| 9won4 |
Apr 1 2015, 09:46 AM
Post
#10
|
|
Newbie ![]() Group: Members Posts: 47 Joined: 2-October 13 From: Las Vegas Member No.: 16,465 Region Association: Southwest Region |
Thank you...thank you!! Just ran into this problem yesterday and was about to have the car towed. It was that little little wire not protected underneath the auxiliary air valve. Love this forum...you guys are the best!
|
| Tom |
Apr 1 2015, 02:33 PM
Post
#11
|
|
Advanced Member ![]() ![]() ![]() ![]() Group: Members Posts: 2,139 Joined: 21-August 05 From: Port Orchard, WA 98367 Member No.: 4,626 Region Association: None |
SDR,
A lot of folks started using a 16 amp fuse in that spot. Unless you have the rear window defrost, a 16 amp is adequate. That fuse protects ( used loosely ), the following; fuel pump - about 5 amps, heater fan - about 5 amps, rear window defroster Don't know the amps for this. and last the AAR - about 1 amp. So if you are not using or don't have a rear window defroster, your normal draw max would be about 11 amps. No reason a 16 amp would not be enough. If you have been running a 16 amp for some time and have no rear window defroster, you have something else going on. Putting a larger fuse in could lead to overheated wires on the circuit that is causing increased current flow. The wires for the AAR are sized for about 10 amps max continuous. If the wire to the AAR starts to short to ground and causes increased current flow, this has happened to several members here, it can cause a fire in the ignition harness. With a 16 amp fuse being used and the fuel pump running, there is a better chance that the fuse will blow before a fire starts. Every member that had a fire caused by the AAR was using a 25 amp fuse. Had they been using a 16 amp, the outcome might have been different. The other thing that you can do is run a 25 amp but install a 5 amp in-line fuse where the AAR plugs into the harness wiring. Tom |
| euro911 |
Apr 1 2015, 10:21 PM
Post
#12
|
|
Retired & living the dream. God help me if I wake up! ![]() ![]() ![]() ![]() ![]() Group: Members Posts: 8,937 Joined: 2-December 06 From: So.Cal. & No.AZ (USA) Member No.: 7,300 Region Association: Southern California
|
A bad ground will tend to cause an increase in current draw as well. Make sure all your grounding points are clean and have tight connections.
|
| screenguy914 |
Apr 2 2015, 01:29 PM
Post
#13
|
|
Member ![]() ![]() Group: Members Posts: 249 Joined: 6-July 09 From: So. Cal Member No.: 10,540 Region Association: Southern California |
The low-rating fuse is the probable cause, but check the path for corroded connections as well. Corrosion on terminals will cause a higher current draw in a circuit. To be most correct, if voltage is constant, additional circuit resistance decreases, not increases current flow. Same with faulty ground connections. Except for a partial or complete short to ground (via circuit path or a malfunction in the load itself, bulb, motor, heating element, etc.), circuit current is a result of the total current requirements of the load(s) in the circuit and how the circuit path is wired. However, if a circuit connection point, e.g. splice, connector, etc. has excessive resistance due to corrosion or bad contact, that will 1. reduce voltage and thus current available to operate the load and 2. Create resistance and thus heat at that location. If the loads normally have high current needs (e.g. motors, heating elements, etc.), heat will be created at the point of excessive resistance. I suggest isolating the branch circuit(s) by disconnecting the source wires for each of the loads until the offending load is identified. Oops. Looks like you found the source of the excessive current draw. Congrats on your diagnosis and discovery and suggestions from others. Sherwood |
| velum |
Jul 7 2019, 03:14 PM
Post
#14
|
|
Member ![]() ![]() Group: Members Posts: 50 Joined: 4-June 08 From: Montréal, Qc, Canada Member No.: 9,135 Region Association: None |
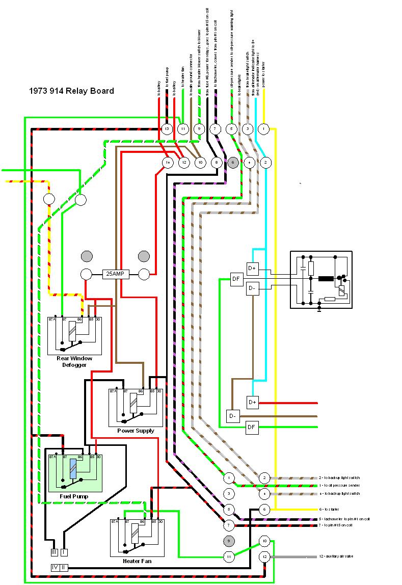
Looks like the heater fan may come from that circuit. Thanks for the diagrams! I had the same problem and studying them helped me to understand what was connected to the same fuse as the fuel pump. I removed the auxiliary air regulator to measure its resistance, but it was ok, so I also unplugged the rear defogger relay, and my fuel pump is now working. I could not tell though whether removing the rear defogger relay or unplugging and replugging the AAR solved the issue, but it is probably the former one. |
| Alaska914 |
May 5 2020, 08:48 PM
Post
#15
|
|
Newbie ![]() Group: Members Posts: 3 Joined: 27-October 19 From: Alaska Member No.: 23,594 Region Association: None |
Where is the aux air regulator wire located. I’m having the same issue keep blowing fuses. Also I noticed in my Manuel it calls for a 30 amp fuse is this correct? Thanks in advance
|
![]() ![]() |
|
Lo-Fi Version | Time is now: 27th January 2026 - 01:04 AM |
| All rights reserved 914World.com © since 2002 |
|
914World.com is the fastest growing online 914 community! We have it all, classifieds, events, forums, vendors, parts, autocross, racing, technical articles, events calendar, newsletter, restoration, gallery, archives, history and more for your Porsche 914 ... |