|
|

|
Porsche, and the Porsche crest are registered trademarks of Dr. Ing. h.c. F. Porsche AG.
This site is not affiliated with Porsche in any way. Its only purpose is to provide an online forum for car enthusiasts. All other trademarks are property of their respective owners. |
|
|
| VaccaRabite |
Aug 12 2018, 07:07 PM
Post
#1
|
|
En Garde! ![]() ![]() ![]() ![]() ![]() ![]() ![]() ![]() ![]() ![]() Group: Admin Posts: 13,808 Joined: 15-December 03 From: Dallastown, PA Member No.: 1,435 Region Association: MidAtlantic Region
|
Waiting on the side of the road for a flatbed to take me home.
Engine ran great. Charging system not so much. Driving along. Lights started going dim. Car started bucking. Only 5 miles to home but it wasn’t going to make it, and no shoulders to pull over safe on the little farm roads. So I pulled into a spot I knew of and shut it down and parked it and now I wait. McMark had said earlier he wasn’t sure about the charging system. But the alt light was not on and no issues before now. So. What’s the alternator I need to buy? Maybe a new VR as well? I guess I should test the battery and make sure it’s okay too. Zach |
![]() ![]() |
| Spoke |
Aug 22 2018, 07:54 PM
Post
#2
|
|
Jerry ![]() ![]() ![]() ![]() ![]() Group: Members Posts: 7,270 Joined: 29-October 04 From: Allentown, PA Member No.: 3,031 Region Association: None
|
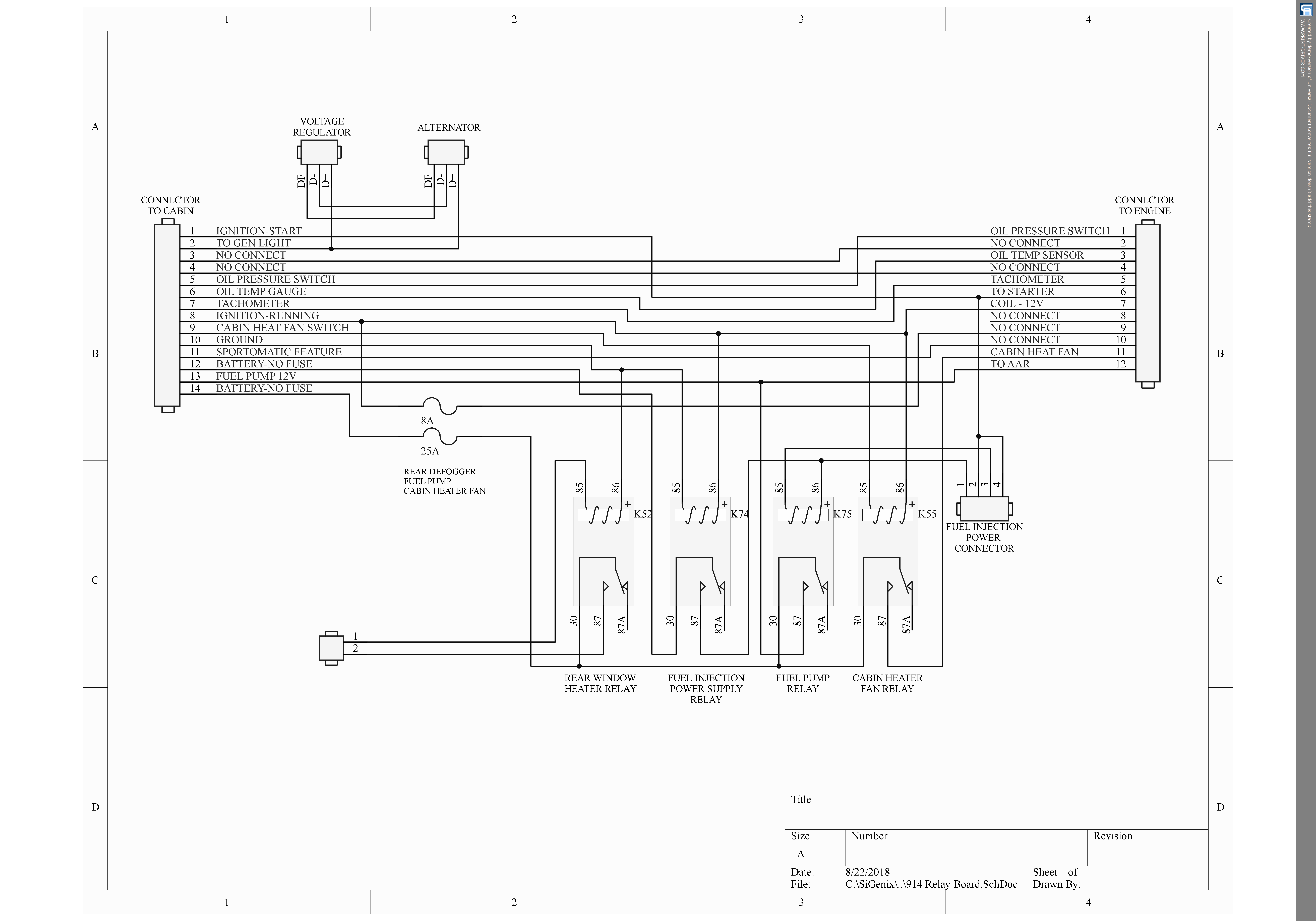
While you have the relay board out, measure the resistance between the D+ to D+, DF to DF to Pin 2 of the cabin connector, and D- to D-.
You can see by the schematic below that the relay board doesn't do too much for the alternator except provide a place to mount the voltage regulator and provide a wire back to the dash for the GEN light. You shouldn't be killing alternators that easily. Check all grounds and the transmission strap. When you had your engine out you didn't paint or powder coat the fan shroud? The alternator is grounded to the shroud and the only direct ground connection to the engine case are the 4 little studs attaching the shroud to the engine. The tin might also provide some grounding but it's really those little studs providing the most grounding. Attached thumbnail(s) |
Vacca Rabite The alternator replacement thread Aug 12 2018, 07:07 PM
FL 000 That sucks, I know the feeling. Same thing happene... Aug 12 2018, 07:26 PM
ClayPerrine Did you check the generator light bulb? The wrong... Aug 12 2018, 07:32 PM
Vacca Rabite Bruce Stone is the man and has an alternator for m... Aug 12 2018, 07:57 PM
bdstone914
Bruce Stone is the man and has an alternator for ... Aug 12 2018, 10:50 PM
bobboinski
Did you check the generator light bulb? The wron... Aug 12 2018, 07:58 PM
ClayPerrine
Did you check the generator light bulb? The wro... Aug 12 2018, 08:06 PM
Mark Henry :agree:
The alternator idiot light was on when you... Aug 12 2018, 08:25 PM
Vacca Rabite Yup. Red light was on when I turned the key and we... Aug 12 2018, 08:30 PM
Mark Henry
Yup. Red light was on when I turned the key and w... Aug 12 2018, 08:43 PM
Unobtanium-inc I hate the site of a pretty Porsche being dragged,... Aug 12 2018, 08:31 PM
Vacca Rabite
I probably would have made it home if I had not... Aug 12 2018, 08:39 PM
bobboinski
Yup. Red light was on when I turned the key and ... Aug 12 2018, 08:50 PM
r_towle get an amp gauge.
Bummer, but you are so close ma... Aug 12 2018, 09:03 PM
Spoke I wouldn't put in a new alternator until you k... Aug 12 2018, 09:04 PM
Amphicar770
I wouldn't put in a new alternator until you ... Aug 13 2018, 06:09 AM

Unobtanium-inc
Ouch! If you drive older cars, AAA Platinum... Aug 13 2018, 06:47 AM
bdstone914
I wouldn't put in a new alternator until you ... Aug 13 2018, 08:10 AM
Dave_Darling I had a VR that came unplugged while I was driving... Aug 12 2018, 10:46 PM
dr914@autoatlanta.com yup you ran out of juice, would check the belt tig... Aug 13 2018, 06:58 AM
Vacca Rabite I have AAA gold so my tow was covered. As I gain c... Aug 13 2018, 08:19 AM
1adam12
I have AAA gold so my tow was covered. As I gain ... Aug 13 2018, 11:26 AM
mepstein I hope the house is ok. We had flooding in SE PA. ... Aug 13 2018, 08:34 AM
Vacca Rabite
I hope the house is ok. We had flooding in SE PA.... Aug 13 2018, 09:12 AM
Vacca Rabite Just did Spokes test of shorting DF and D+.
Batte... Aug 13 2018, 09:09 AM
ClayPerrine
Just did Spokes test of shorting DF and D+.
Batt... Aug 13 2018, 12:16 PM
Vacca Rabite
A Bosch alternator is a B circuit alternator. ... Aug 13 2018, 12:37 PM
ClayPerrine
A Bosch alternator is a B circuit alternator. ... Aug 13 2018, 12:45 PM
Vacca Rabite Electrician for the house will be here in a few mi... Aug 13 2018, 11:39 AM
914_teener So was a battery charger plugged in and hooked up ... Aug 13 2018, 12:27 PM
Vacca Rabite
So was a battery charger plugged in and hooked up... Aug 13 2018, 12:31 PM
Vacca Rabite So, new alt, VR and harness are all on order.
Hop... Aug 14 2018, 07:32 AM
90quattrocoupe Nothing to do with the car, but if your GFI plug g... Aug 14 2018, 11:21 AM
914_teener Check the ignition switch. Aug 14 2018, 12:34 PM
Vacca Rabite Tonight I put the new alternator, harness and VR i... Aug 18 2018, 07:59 PM
Spoke 12.89V at idle after the engine is warmed up or ri... Aug 18 2018, 08:08 PM
Vacca Rabite
12.89V at idle after the engine is warmed up or r... Aug 18 2018, 08:10 PM
Spoke It sounds ok so far. How many times did you rev th... Aug 18 2018, 08:48 PM
Vacca Rabite System still isn’t charging right.
I drove the ... Aug 20 2018, 04:07 PM
MarkV A fully charged car battery should be 12.6 volts s... Aug 20 2018, 05:04 PM
904svo Made sure you have the correct bulb (not a led ) i... Aug 20 2018, 05:05 PM
Vacca Rabite
Made sure you have the correct bulb (not a led ) ... Aug 20 2018, 06:16 PM
Robnxious I just got done running this issue down as well my... Aug 20 2018, 08:01 PM
MarkV Years ago when I thought my mechanical VR was goin... Aug 20 2018, 10:33 PM
MarkV Adjustable:
https://www.ebay.com/itm/NEW-ALTERNAT... Aug 20 2018, 10:36 PM
Vacca Rabite I bought one of the solid state pig-tailed voltage... Aug 21 2018, 07:10 AM
plas76targa Zach, This issue was the first ‘problem’ i exp... Aug 21 2018, 08:29 AM
Vacca Rabite Well, the new solid state VR did nothing.
I am for... Aug 22 2018, 04:44 PM
mepstein
Well, the new solid state VR did nothing.
I am fo... Aug 22 2018, 08:33 PM
Vacca Rabite
If you need another board, just pm me your addres... Aug 22 2018, 09:36 PM
904svo With the engine running measure for voltage betwee... Aug 22 2018, 06:52 PM
Vacca Rabite
While you have the relay board out, measure the r... Aug 22 2018, 09:34 PM
Spoke
I did in fact powder coat the shroud and tins. Th... Aug 23 2018, 04:42 AM
Vacca Rabite I got Epstien's package in the mail today. So... Aug 27 2018, 05:04 PM
Spoke one ohm resistance from the alternator case to the... Aug 28 2018, 04:53 AM
Vacca Rabite EVERYTHING seems to be pointing to the voltage reg... Aug 27 2018, 05:09 PM
MarkV Well I am stumped. :confused:
Idle at 12.6 vol... Aug 27 2018, 07:57 PM
904svo just a WAG try cleaning fuse #9 (both sides) this ... Aug 27 2018, 09:40 PM
McMark I can't remember...
Is your alternator harnes... Aug 28 2018, 05:16 AM
Vacca Rabite
I can't remember...
Is your alternator harne... Aug 28 2018, 07:35 AM
jarodswordmaster
I can't remember...
Is your alternator harn... Sep 5 2018, 05:56 AM
VaccaRabite
[quote name='Vacca Rabite' post='2643317' date='A... Sep 5 2018, 06:37 AM
VaccaRabite I got a new battery.
Not really any change over t... Sep 7 2018, 02:14 PM
rjames Watching this thread rabidly as my charging system... Sep 7 2018, 02:48 PM
worn
I got a new battery.
Not really any change over ... Sep 7 2018, 04:26 PM
Spoke
I got a new battery.
Not really any change over ... Sep 7 2018, 09:50 PM
FourBlades Does the charging problem only happen when the lig... Sep 7 2018, 07:36 PM
jarodswordmaster I can't get any charge out of my alternator wi... Sep 7 2018, 09:26 PM
Spoke
I can't get any charge out of my alternator w... Sep 7 2018, 09:58 PM
jarodswordmaster
I can't get any charge out of my alternator ... Sep 8 2018, 08:41 AM
Spoke
[quote name='Spoke' post='2646638' date='Sep 7 20... Sep 8 2018, 08:48 AM
jarodswordmaster
[quote name='Spoke' post='2646638' date='Sep 7 2... Sep 8 2018, 08:59 AM
VaccaRabite I’m back to grounds.
And I’m going to put a n... Sep 8 2018, 03:06 PM
Spoke
I’m back to grounds.
And I’m going to put a ... Sep 8 2018, 04:13 PM
VaccaRabite Goddamn happy dance.
14 volts at idle.
14 volts ... Sep 8 2018, 05:17 PM
Spoke
Goddamn happy dance.
14 volts at idle.
14 volts... Sep 8 2018, 10:06 PM
ClayPerrine
Goddamn happy dance.
14 volts at idle.
14 volts... Sep 9 2018, 05:34 AM

bdstone914 Zach,
Are your alternator mounting brackets pain... Sep 9 2018, 08:53 AM

VaccaRabite
Zach,
Are your alternator mounting brackets pai... Sep 9 2018, 02:50 PM
Spoke
Damn, that was a tough one. Still don’t know wh... Sep 9 2018, 11:26 AM

VaccaRabite
I took apart an engine once and the alternator h... Sep 9 2018, 03:41 PM
worn
Goddamn happy dance.
14 volts at idle.
14 volts... Sep 9 2018, 06:56 PM
VaccaRabite I’m going to put the race battery back in and ch... Sep 8 2018, 05:20 PM![]() ![]() |
|
Lo-Fi Version | Time is now: 14th November 2025 - 02:28 AM |
| All rights reserved 914World.com © since 2002 |
|
914World.com is the fastest growing online 914 community! We have it all, classifieds, events, forums, vendors, parts, autocross, racing, technical articles, events calendar, newsletter, restoration, gallery, archives, history and more for your Porsche 914 ... |