|
|

|
Porsche, and the Porsche crest are registered trademarks of Dr. Ing. h.c. F. Porsche AG.
This site is not affiliated with Porsche in any way. Its only purpose is to provide an online forum for car enthusiasts. All other trademarks are property of their respective owners. |
|
|
| HerdofCrickets |
Aug 12 2019, 12:20 PM
Post
#1
|
|
Member ![]() ![]() Group: Members Posts: 68 Joined: 23-September 16 From: Overland Park, KS Member No.: 20,423 Region Association: None |
Dropped the engine last fall, had it rebuilt and we put it back in a month or so ago.
After having a little boy a few months ago, I'm finally getting a little time to get back to work on the 914. Engine itself runs great, exhaust is really rich... so I guess the carb needs adjusted a little. One issue though... no power to the dash (tach doesn't work and radio doesn't turn on). Also when I turn the key, the engine tries to turn over but only fires when you let off the key. Pretty sure I must have a wire hooked up wrong... I'll start working backwards tonight but if anyone has any ideas... that'd be fantastic! -Jon |
![]() ![]() |
| 76-914 |
Aug 12 2019, 02:06 PM
Post
#2
|
|
Repeat Offender & Resident Subaru Antagonist ![]() ![]() ![]() ![]() ![]() ![]() ![]() ![]() ![]() ![]() Group: Members Posts: 13,815 Joined: 23-January 09 From: Temecula, CA Member No.: 9,964 Region Association: Southern California
|
Dropped the engine last fall, had it rebuilt and we put it back in a month or so ago. After having a little boy a few months ago, I'm finally getting a little time to get back to work on the 914. Engine itself runs great, exhaust is really rich... so I guess the carb needs adjusted a little. One issue though... no power to the dash (tach doesn't work and radio doesn't turn on). Also when I turn the key, the engine tries to turn over but only fires when you let off the key. Pretty sure I must have a wire hooked up wrong... I'll start working backwards tonight but if anyone has any ideas... that'd be fantastic! -Jon I had that same experience with the ignition switch. Put a new battery in and that did the trick. What kind of voltage are you seeing at the battery. Is the blk wire w/ purple stripe connected at the coil? |
| HerdofCrickets |
Aug 12 2019, 03:22 PM
Post
#3
|
|
Member ![]() ![]() Group: Members Posts: 68 Joined: 23-September 16 From: Overland Park, KS Member No.: 20,423 Region Association: None |
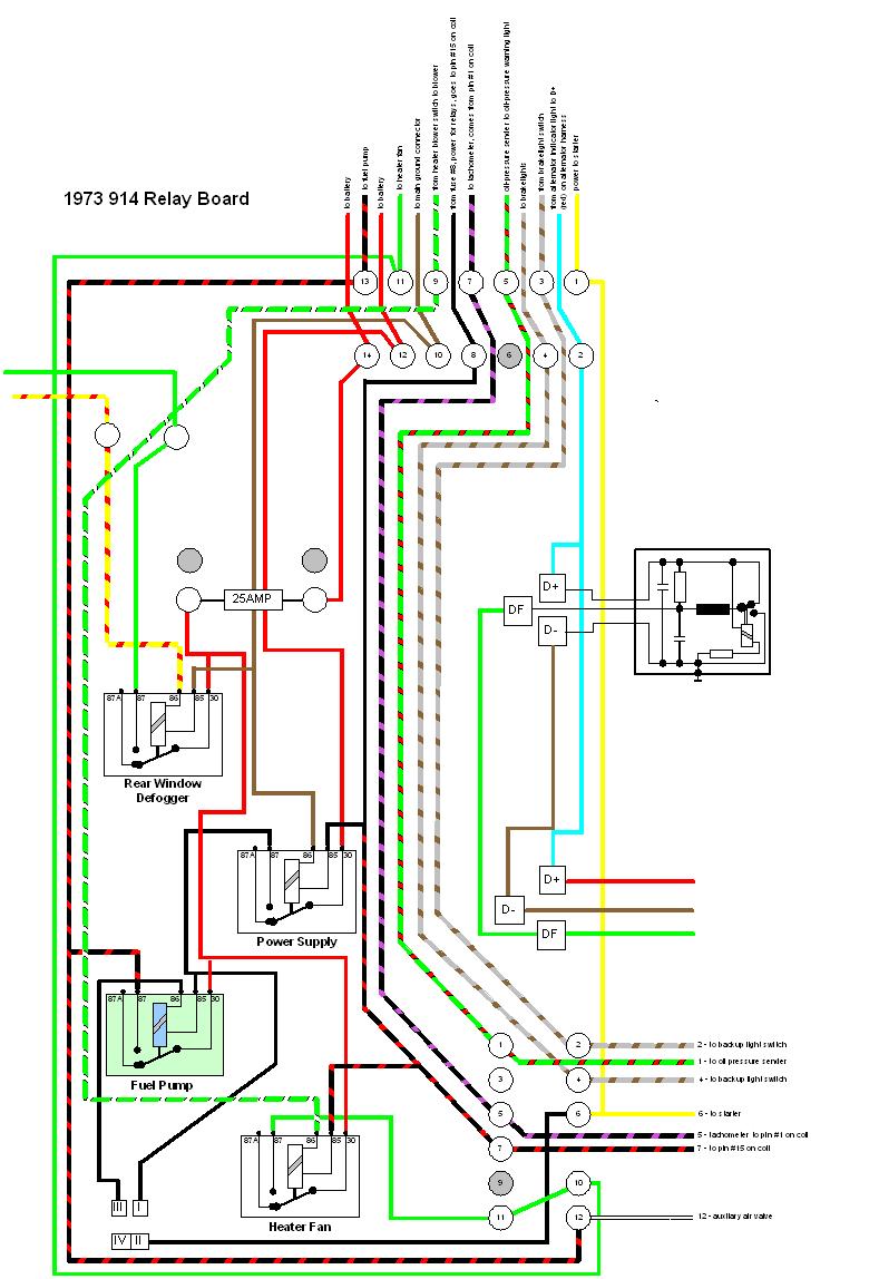
I had that same experience with the ignition switch. Put a new battery in and that did the trick. What kind of voltage are you seeing at the battery. Is the blk wire w/ purple stripe connected at the coil? Black wire with purple strip is not connected; reading the wiring diagram it looks like that is for the tach... so that makes sense. I read that it goes to the negative side of the coil; can someone confirm? I've already fried that little chip inside the distributor twice (IMG:style_emoticons/default/smile.gif) Not sure how to check battery voltage; i'll have to google that and respond when I get home later. I was thinking I had the ignition wire on the circuit board plugged into the wrong slot, I need to check... I think it's plugged into slot II (bottom left of this diagram) but need to confirm and read the difference between Slot IV and Slot II https://imgur.com/a/RjFnTXr Attached thumbnail(s) |
HerdofCrickets Electrical Issue After Engine Drop Aug 12 2019, 12:20 PM
ClayPerrine Black with purple wire goes to the negative termin... Aug 12 2019, 05:24 PM
Mike Bellis Bad tranny ground. Aug 12 2019, 10:02 PM
HerdofCrickets
Bad tranny ground.
Thank you! I would not ... Aug 13 2019, 07:09 AM
HerdofCrickets
Bad tranny ground.
Would a bad/poor tranny grou... Aug 13 2019, 11:12 AM
Chi-town Yes as the alternator is grounded to the engine, n... Aug 13 2019, 12:31 PM
HerdofCrickets
Yes as the alternator is grounded to the engine, ... Aug 13 2019, 01:39 PM![]() ![]() |
|
Lo-Fi Version | Time is now: 8th November 2025 - 03:36 AM |
| All rights reserved 914World.com © since 2002 |
|
914World.com is the fastest growing online 914 community! We have it all, classifieds, events, forums, vendors, parts, autocross, racing, technical articles, events calendar, newsletter, restoration, gallery, archives, history and more for your Porsche 914 ... |