|
|

|
Porsche, and the Porsche crest are registered trademarks of Dr. Ing. h.c. F. Porsche AG.
This site is not affiliated with Porsche in any way. Its only purpose is to provide an online forum for car enthusiasts. All other trademarks are property of their respective owners. |
|
|
| john77 |
Dec 10 2019, 06:26 PM
Post
#1
|
|
Senior Member ![]() ![]() ![]() Group: Members Posts: 621 Joined: 21-February 14 From: Los Angeles Member No.: 17,027 Region Association: Southern California
|
My headlights have decided to randomly turn themselves on and off as I drive, which is a lot of fun at night on the I405 as drivers think some obnoxious d*ck is flashing them.
I cleaned up the grounds and all the ground wire connectors by both headlights but it’s still happening. Could this be relay connected, or are they more a once dead completely dead kind of deal? I thought i’d ask before I drop $20 on a new one. For the record, I have those sealed GE led headlights, and it’s happening simultaneously to both, so I know it’s not the bulbs. |
![]() ![]() |
| Spoke |
Dec 10 2019, 09:14 PM
Post
#2
|
|
Jerry ![]() ![]() ![]() ![]() ![]() Group: Members Posts: 7,295 Joined: 29-October 04 From: Allentown, PA Member No.: 3,031 Region Association: None
|
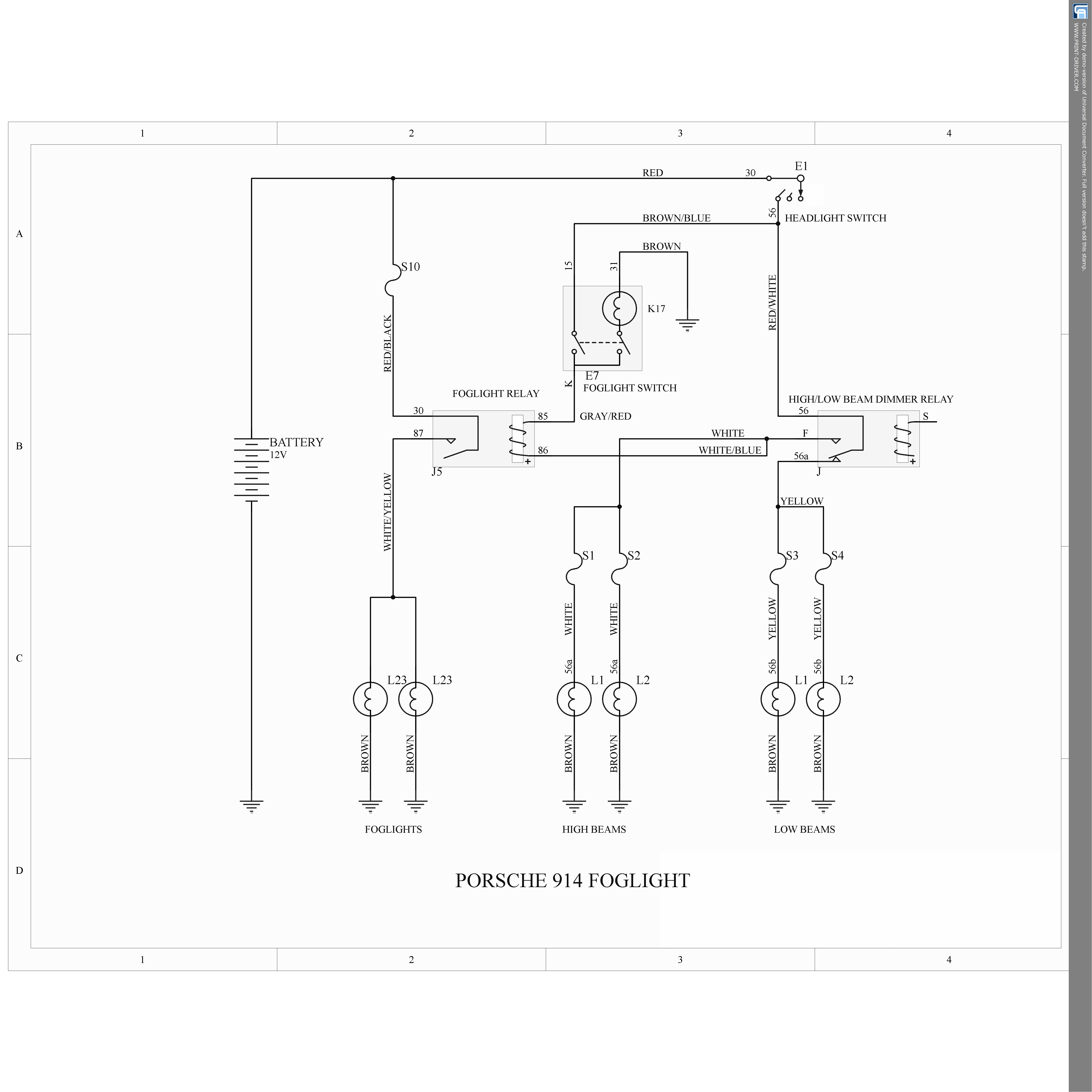
Here's the circuit for a '74 914. Likely the '73 is similar if not identical. If both headlights are turning on/off then as others said is likely the switch.
Attached thumbnail(s) |
john77 Headlight gremlins Dec 10 2019, 06:26 PM
Spoke Are they off and turning themselves on?
Or on and... Dec 10 2019, 06:53 PM
john77
Are they off and turning themselves on?
Or on an... Dec 10 2019, 07:29 PM
taylspin46 Sounds like headlight switch contacts. Pull switch... Dec 10 2019, 07:47 PM
john77
Sounds like headlight switch contacts. Pull switc... Dec 10 2019, 07:57 PM
bdstone914 @john77
My bet is the switch.
The lights have se... Dec 10 2019, 07:56 PM
john77
[b]@[url=http://www.914world.com/bbs2/index.php?s... Dec 10 2019, 08:19 PM
SirAndy Could this be relay connected, or are they more a ... Dec 10 2019, 08:03 PM
john77
Could this be relay connected, or are they more a... Dec 10 2019, 08:08 PM
Costa05
[quote name='SirAndy' post='2768867' date='Dec 10... Dec 10 2019, 09:18 PM
john77
Here's the circuit for a '74 914. Likely ... Dec 11 2019, 12:09 AM
john77 @spoke Am I reading that diagram right, the fogs ... Dec 11 2019, 12:24 AM
SirAndy
[b]@[url=http://www.914world.com/bbs2/index.php?s... Dec 11 2019, 01:29 AM
lierofox
[b]@[url=http://www.914world.com/bbs2/index.php?s... Dec 11 2019, 02:05 AM
john77
[b]@[url=http://www.914world.com/bbs2/index.php?... Dec 11 2019, 09:05 AM
lierofox
Wow, I didn’t know this... and it just gave me ... Dec 11 2019, 12:01 PM
john77
Wow, I didn’t know this... and it just gave me... Dec 11 2019, 04:27 PM
lierofox
That makes sense.
Moving the fog relay ground w... Dec 11 2019, 04:42 PM
Mikey914 If it's the lights (both going up and down), i... Dec 11 2019, 12:52 AM
FlacaProductions There's a ton of info here on the LED headligh... Dec 11 2019, 10:14 AM
john77
There's a ton of info here on the LED headlig... Dec 11 2019, 11:40 AM
dr914@autoatlanta.com probably the headlight switch or the high low beam... Dec 11 2019, 10:19 AM
AZBanks Hijacking the thread since my issue is light relat... Dec 11 2019, 12:08 PM
john77
Hijacking the thread since my issue is light rela... Dec 11 2019, 04:15 PM
Mikey914
Hijacking the thread since my issue is light rela... Dec 11 2019, 04:53 PM
john77 I took the car out last night. Still no conclusive... Dec 12 2019, 10:15 AM
lierofox
I took the car out last night. Still no conclusiv... Dec 12 2019, 12:33 PM
Spoke
I took the car out last night. Still no conclusiv... Dec 13 2019, 08:30 AM
john77
I took the car out last night. Still no conclusi... Dec 13 2019, 11:37 PM
AZBanks I went out to check the relays. Before I touched a... Dec 12 2019, 08:30 PM
djway This thread gave me a headache :chair:
I have a... Dec 13 2019, 11:30 PM![]() ![]() |
|
Lo-Fi Version | Time is now: 26th December 2025 - 10:23 PM |
| All rights reserved 914World.com © since 2002 |
|
914World.com is the fastest growing online 914 community! We have it all, classifieds, events, forums, vendors, parts, autocross, racing, technical articles, events calendar, newsletter, restoration, gallery, archives, history and more for your Porsche 914 ... |