|
|

|
Porsche, and the Porsche crest are registered trademarks of Dr. Ing. h.c. F. Porsche AG.
This site is not affiliated with Porsche in any way. Its only purpose is to provide an online forum for car enthusiasts. All other trademarks are property of their respective owners. |
|
|
![]() ![]() |
| Gint |
Feb 13 2011, 09:28 AM
Post
#41
|
|
Mike Ginter ![]() ![]() ![]() ![]() ![]() ![]() ![]() ![]() ![]() ![]() ![]() ![]() ![]() ![]() ![]() Group: Admin Posts: 16,106 Joined: 26-December 02 From: Denver CO. Member No.: 20 Region Association: Rocky Mountains |
(IMG:style_emoticons/default/agree.gif) Me too! Thanks for the bump.
|
| sixnotfour |
Feb 13 2011, 09:46 AM
Post
#42
|
|
914 Wizard ![]() ![]() ![]() ![]() ![]() ![]() ![]() ![]() ![]() ![]() Group: Members Posts: 11,184 Joined: 12-September 04 Member No.: 2,744 Region Association: NineFourteenerVille
|
Finally a 914 using this ,
MK was making these aluminum air boxes , really cleans up the appearance. Attached image(s)
|
| bfrymire |
Feb 13 2011, 01:00 PM
Post
#43
|
|
Salsaholic ![]() ![]() ![]() Group: Members Posts: 590 Joined: 1-August 04 From: Sunnyvale, CA Member No.: 2,431 Region Association: Northern California |
Finally a 914 using this , MK was making these aluminum air boxes , really cleans up the appearance. If that is the one on Bitzracing, they no longer make them. (IMG:style_emoticons/default/sad.gif) -- brett |
| sixnotfour |
Feb 13 2011, 01:22 PM
Post
#44
|
|
914 Wizard ![]() ![]() ![]() ![]() ![]() ![]() ![]() ![]() ![]() ![]() Group: Members Posts: 11,184 Joined: 12-September 04 Member No.: 2,744 Region Association: NineFourteenerVille
|
Finally a 914 using this , MK was making these aluminum air boxes , really cleans up the appearance. If that is the one on Bitzracing, they no longer make them. (IMG:style_emoticons/default/sad.gif) -- brett Yes , but the M&k muffler guy is the one who made em. |
| GeorgeRud |
Feb 13 2011, 01:40 PM
Post
#45
|
|
Advanced Member ![]() ![]() ![]() ![]() Group: Members Posts: 3,725 Joined: 27-July 05 From: Chicagoland Member No.: 4,482 Region Association: Upper MidWest |
It's nice to see more information on this conversion. I think it's time to consider FI conversions more and more as more alcohol is added to the fuel, and the old carbs are not always happy with these modern fuels.
Maybe I'm also just getting spoiled with cars that start right up and don't need to have the gas pedal pumped repeatedly to run until they warm up! |
| bfrymire |
Feb 13 2011, 03:34 PM
Post
#46
|
|
Salsaholic ![]() ![]() ![]() Group: Members Posts: 590 Joined: 1-August 04 From: Sunnyvale, CA Member No.: 2,431 Region Association: Northern California |
Finally a 914 using this , MK was making these aluminum air boxes , really cleans up the appearance. If that is the one on Bitzracing, they no longer make them. (IMG:style_emoticons/default/sad.gif) -- brett Yes , but the M&k muffler guy is the one who made em. Pretty sure that is who I spoke with, and they told me they don't make it anymore, and had even lost the patterns... That was a couple of years ago... -- brett |
| plastex |
Feb 13 2011, 09:16 PM
Post
#47
|
|
Newbie ![]() Group: Members Posts: 15 Joined: 28-December 10 From: Akron, ohio Member No.: 12,533 Region Association: None |
http://www.bitzracing.com/gallery/Oscar_76...with_turbo.html
This was my old car that I did the EFI conversion. I fabricated the airbox, and used a mustang throttle body. I am doing this to my 1.8 liter later on this year. I have most of the parts. Oscar |
| rktmn247 |
Feb 13 2011, 10:22 PM
Post
#48
|
|
Irish Green with GT envy! ![]() ![]() Group: Members Posts: 348 Joined: 18-August 05 From: Mililani, HI Member No.: 4,612 Region Association: None
|
http://www.bitzracing.com/gallery/Oscar_76...with_turbo.html This was my old car that I did the EFI conversion. I fabricated the airbox, and used a mustang throttle body. I am doing this to my 1.8 liter later on this year. I have most of the parts. Oscar Wow! Nice work. Looks great. How much power were you making with that set up? I would be interested in a thread on that engine build. I haven't seen any turbo 2.7s before. |
| bfrymire |
Feb 13 2011, 10:28 PM
Post
#49
|
|
Salsaholic ![]() ![]() ![]() Group: Members Posts: 590 Joined: 1-August 04 From: Sunnyvale, CA Member No.: 2,431 Region Association: Northern California |
http://www.bitzracing.com/gallery/Oscar_76...with_turbo.html This was my old car that I did the EFI conversion. I fabricated the airbox, and used a mustang throttle body. I am doing this to my 1.8 liter later on this year. I have most of the parts. Oscar Hello Oscar, I think we exchanged info once before on Yahoo groups (bitzracing) about your setup. If I was better at welding, I would attempt to do the same thing. A modern throttle body usually has IAC and TPS built in. (IMG:style_emoticons/default/smile.gif) Would make it a little easier. -- brett |
| rktmn247 |
Feb 13 2011, 10:31 PM
Post
#50
|
|
Irish Green with GT envy! ![]() ![]() Group: Members Posts: 348 Joined: 18-August 05 From: Mililani, HI Member No.: 4,612 Region Association: None
|
I love this thread. I am getting so many ideas. (IMG:style_emoticons/default/idea.gif)
|
| bandjoey |
Feb 13 2011, 11:40 PM
Post
#51
|
|
bandjoey ![]() ![]() ![]() ![]() Group: Members Posts: 4,935 Joined: 26-September 07 From: Bedford Tx Member No.: 8,156 Region Association: Southwest Region |
http://www.bitzracing.com/gallery/Oscar_76...with_turbo.html This was my old car that I did the EFI conversion. I fabricated the airbox, and used a mustang throttle body. I am doing this to my 1.8 liter later on this year. I have most of the parts. Oscar hi Oscar. Start a new thread for the 1.8 conversion. (IMG:style_emoticons/default/biggrin.gif) |
| bfrymire |
Mar 15 2011, 12:44 AM
Post
#52
|
|
Salsaholic ![]() ![]() ![]() Group: Members Posts: 590 Joined: 1-August 04 From: Sunnyvale, CA Member No.: 2,431 Region Association: Northern California |
Guys,
Finally sold the Alfa, and was able to clear out the garage. Spent a couple a weeks just cleaning and organizing! (Alfa was in there for over 5 years!) Anyway, Porsche content. Got the carbs off: ![]() And am fitting the CIS intake. This is just the trial fitting, and making sure how things will go in. You can see the new injectors installed. ![]() While I was in there, I saw more of the poor electrical wiring the PO did. (IMG:style_emoticons/default/sad.gif) More to cleanup. I am also a little disappointed in the fuel hoses and fittings. (Of course, it's all coming out for high pressure hoses.) By the way, the firewall has way too many drill holes in it! In a previous post, I showed the hole the PO made to get to the fan belt. (Covered by a plastic irrigation cover!) So, what's the best way to fill up all these small holes? Should make some fast progress now. I am also thinking about the IAC. Not sure if I want to use the stock unit, or a jeep unit. -- brett |
| bfrymire |
Apr 10 2011, 05:00 PM
Post
#53
|
|
Salsaholic ![]() ![]() ![]() Group: Members Posts: 590 Joined: 1-August 04 From: Sunnyvale, CA Member No.: 2,431 Region Association: Northern California |
Made some more progress. Still going way too slow.
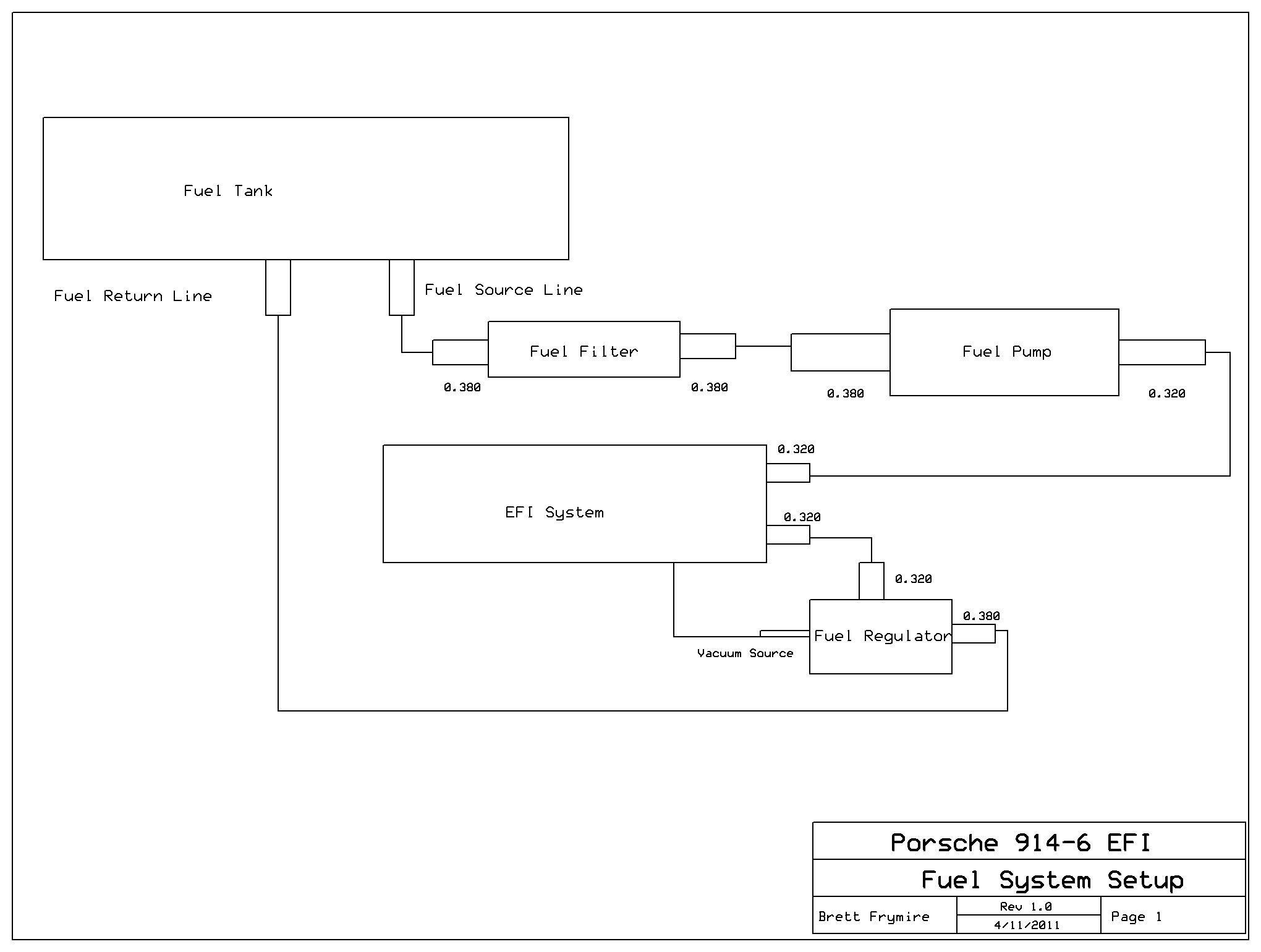
Runners, injectors and most of the fuel system installed. ![]() Here's the air intake. You can see the mounting of the IAT. Still fussing with this a little. The cone filter has not arrived yet. ![]() Finally, the mounting of the ECU into the passenger compartment. The MS can not be mounted into the engine bay due to heat concerns. I will be drilling an access hole right below it for the harness. ![]() What's next? 1. Fuel system complete: Mount fuel pump Route fuel lines Attach fuel filter Wire relay 2. Still need adapters for the different line sizes. I will be contacting tangerine on Monday to order the bits and pieces. 3. Need to mount the engine temp sensor 4. Finish attaching the harness to the injectors 5. Splice into wiring harness for power for ECU and wiring the sensors 6. Attach linkage to tb 7. And finally, weld the O2 sensor bung into the left header. I am sure I am missing something. Will update more soon. I am trying to get an initial fire of the engine next weekend. (IMG:style_emoticons/default/smile.gif) -- brett |
| bfrymire |
Apr 11 2011, 02:41 PM
Post
#54
|
|
Salsaholic ![]() ![]() ![]() Group: Members Posts: 590 Joined: 1-August 04 From: Sunnyvale, CA Member No.: 2,431 Region Association: Northern California |
|
| JmuRiz |
Apr 11 2011, 02:53 PM
Post
#55
|
|
914 Guru ![]() ![]() ![]() ![]() ![]() Group: Members Posts: 5,623 Joined: 30-December 02 From: NoVA Member No.: 50 Region Association: MidAtlantic Region
|
Very cool stuff, can't wait to hear your impressions once it's all done. I have a 2.7 CIS as well (on an engine stand), and carbs on the workbench, but haven't quite decided on what route to take.
|
| bfrymire |
Apr 11 2011, 04:23 PM
Post
#56
|
|
Salsaholic ![]() ![]() ![]() Group: Members Posts: 590 Joined: 1-August 04 From: Sunnyvale, CA Member No.: 2,431 Region Association: Northern California |
Very cool stuff, can't wait to hear your impressions once it's all done. I have a 2.7 CIS as well (on an engine stand), and carbs on the workbench, but haven't quite decided on what route to take. I am biased.. Got tired of cleaning the jets on the carbs... And the fussy operation until warm. When I removed the carbs, it was running badly. (IMG:style_emoticons/default/sad.gif) I had a choice of rebuild, or get the EFI running. (IMG:style_emoticons/default/smile.gif) When I get it going, it will go on a dyno. I will have results. This setup with carbs, should make 200hp at the crank. With this EFI setup, it should be pretty close. I have seem claims with stock CIS around 180hp. -- brett |
| Dr Evil |
Apr 11 2011, 10:40 PM
Post
#57
|
|
Send me your transmission! ![]() ![]() ![]() ![]() ![]() ![]() ![]() ![]() ![]() ![]() ![]() ![]() ![]() ![]() ![]() Group: Members Posts: 23,041 Joined: 21-November 03 From: Loveland, OH 45140 Member No.: 1,372 Region Association: MidAtlantic Region
|
My 2.7 with CIS was nice. I almost had it dialed in...then I wrecked it. I still have the engine and it will be going into another car here soon.
The bus is getting CIS as well (IMG:style_emoticons/default/happy11.gif) |
| bfrymire |
Apr 12 2011, 12:03 AM
Post
#58
|
|
Salsaholic ![]() ![]() ![]() Group: Members Posts: 590 Joined: 1-August 04 From: Sunnyvale, CA Member No.: 2,431 Region Association: Northern California |
My 2.7 with CIS was nice. I almost had it dialed in...then I wrecked it. I still have the engine and it will be going into another car here soon. The bus is getting CIS as well (IMG:style_emoticons/default/happy11.gif) The fundamental design is good. EFI just makes it better. (IMG:style_emoticons/default/smile.gif) The ease of tuning really makes it great. (Of course all the other advantages are also good.) Here's some dyno results off the bitzracing site: "2.7 with CIS - 136hp at the wheels at 6200rpm 2.7 with EFI - 145hp at the wheels at 5800rpm before tuning 2.7 with EFI - 154hp at the wheels at 5800rpm after tuning" I am really curious what mine is going to end up at: I have headers, and modified E cams and european pistons. I am hoping for at least 165hp at the wheels. -- brett |
| bfrymire |
Apr 18 2011, 08:28 PM
Post
#59
|
|
Salsaholic ![]() ![]() ![]() Group: Members Posts: 590 Joined: 1-August 04 From: Sunnyvale, CA Member No.: 2,431 Region Association: Northern California |
Status update:
Fair amount of progress. Most of the sensors, are installed. The O2 bung is welded into header. Here's a picture of the install, and you can see the air intake installed. ![]() Ok. List of what to do: 1. Still need to plumb the fuel. Can't find a good location to mount the pump. I want something easy to access, but short fuel lines. 2. Re-install the header and install 02 sensor. 3. CIS linkage. This may be a problem. The motion of the carb linkage is wrong for the CIS. I may have to source some CIS linkage... 4. Wire the MS, and all the sensors. (This is the easy part. Should not take more than a couple of hours. In the words of Jeremy Clarkson, "how hard can it be?" (IMG:style_emoticons/default/biggrin.gif) ) Its getting close. I was hoping to be farther along. As usual, life got in the way. (IMG:style_emoticons/default/smile.gif) -- brett |
| rick 918-S |
Apr 18 2011, 08:52 PM
Post
#60
|
|
Hey nice rack! -Celette ![]() ![]() ![]() ![]() ![]() ![]() ![]() ![]() ![]() ![]() ![]() ![]() ![]() ![]() ![]() Group: Members Posts: 21,239 Joined: 30-December 02 From: Now in Superior WI Member No.: 43 Region Association: Northstar Region
|
Status update: Fair amount of progress. Most of the sensors, are installed. The O2 bung is welded into header. Here's a picture of the install, and you can see the air intake installed. ![]() Ok. List of what to do: 1. Still need to plumb the fuel. Can't find a good location to mount the pump. I want something easy to access, but short fuel lines. 2. Re-install the header and install 02 sensor. 3. CIS linkage. This may be a problem. The motion of the carb linkage is wrong for the CIS. I may have to source some CIS linkage... 4. Wire the MS, and all the sensors. (This is the easy part. Should not take more than a couple of hours. In the words of Jeremy Clarkson, "how hard can it be?" (IMG:style_emoticons/default/biggrin.gif) ) Its getting close. I was hoping to be farther along. As usual, life got in the way. (IMG:style_emoticons/default/smile.gif) -- brett Nice work, I have CIS. I used a Volvo turbo pump and accumulator. I mounted it under tank. The Volvo has a pusher pump. Not the easiest to get to but if it's working correctly it's a done deal. |
![]() ![]() |
|
Lo-Fi Version | Time is now: 2nd April 2026 - 09:57 AM |
| All rights reserved 914World.com © since 2002 |
|
914World.com is the fastest growing online 914 community! We have it all, classifieds, events, forums, vendors, parts, autocross, racing, technical articles, events calendar, newsletter, restoration, gallery, archives, history and more for your Porsche 914 ... |