|
|

|
Porsche, and the Porsche crest are registered trademarks of Dr. Ing. h.c. F. Porsche AG.
This site is not affiliated with Porsche in any way. Its only purpose is to provide an online forum for car enthusiasts. All other trademarks are property of their respective owners. |
|
|
![]() ![]() |
| thatguywiththedatsun |
Mar 21 2014, 01:36 PM
Post
#1
|
|
Newbie ![]() Group: Members Posts: 21 Joined: 21-March 14 From: Memphis, TN Member No.: 17,144 Region Association: None |
I've been looking for a 914 for a few months now, but life has been in the way. I found one last month that seems to be a good starting point, but I'm having trouble getting it to stay running atm. Seems like it's probably the l-jet system being out of adjustment or leaky, faulty sensors, or some old corroded electrical connectors. The question is; where?
I'm getting a buzzing sound with the key turned to "on" which I initially thought was the seatbelt interlock buzzer everyone seems to be so fond of, but upon closer inspection... it's coming from the injectors..? If i unplug the noisy injector, another one starts buzzing. There's no noise from the fuel pump at this time with the key on. The fuel pump relay, and power supply relay on the board were nowhere to be found when I got the car. I went ahead and bought a few new ones to get it back to stock wiring, but I'm really having trouble deciphering the current flow diagrams. (You guys seems to have a reference system to the pins in every connector, or which specific relay you're referencing. Is there a diagram for this somewhere, or are the labels just buried under the grime in this car?) If i hot wire the double relay (86d, 88d?) to the + battery post, the fuel pump will run, but this doesn't change my "start, rumble rumble, die" situation at all. I have a feeling that there is an area in the wiring that has been altered which, if put back to stock, would rectify the problems I'm having... It's just a matter of finding it and fixing it. Any suggestions? What I have done: -compression test: 125,130,90,135 - hoping it will improve pending a valve adjustment? -tested the coil and wires for spark - checks out fine... nice and strong -tested fuel pressure - 43psi holding steady for several minutes after the test (p.o. said he'd recently had the fuel pump replaced, but didn't mention why (IMG:style_emoticons/default/dry.gif) ) -renewed all the l-jet vacuum hoses and put hose clamps on every connection -taken care of a few obvious electrical bugs (missing/rusty relays, broken wires, etc) -checked the head temp sensor spade connection, but where does the other end of that connection terminate on the relay board? -checked afm resistance. - With key on, if I move the flap by hand, the fuel pump does run, but there is no 1.5 seconds of priming with the key on, just the annoying injector buzz. Thanks in advance for the help! I'll be much better off if someone could just explain the 'pin 13/relay 74/etc. references to me. (IMG:http://www.914world.com/bbs2/uploads_offsite/lh5.googleusercontent.com-17144-1395430598.1.JPG) (IMG:http://www.914world.com/bbs2/uploads_offsite/lh5.googleusercontent.com-17144-1395430599.2.JPG) (IMG:http://www.914world.com/bbs2/uploads_offsite/lh3.googleusercontent.com-17144-1395430600.3.JPG) (IMG:http://www.914world.com/bbs2/uploads_offsite/lh3.googleusercontent.com-17144-1395430600.4.JPG) |
| Chris H. |
Mar 21 2014, 01:47 PM
Post
#2
|
|
Senior Member ![]() ![]() ![]() ![]() Group: Members Posts: 4,076 Joined: 2-January 03 From: Chicago 'burbs Member No.: 73 Region Association: Upper MidWest
|
Timothy_nd28 is the man you need to speak to, and he is perusing your thread right now. Highly respected L-Jet authority, LED gaugemeister, nice guy.
|
| timothy_nd28 |
Mar 21 2014, 02:14 PM
Post
#3
|
|
Advanced Member ![]() ![]() ![]() ![]() Group: Members Posts: 2,299 Joined: 25-September 07 From: IN Member No.: 8,154 Region Association: Upper MidWest
|
The injector buzzing sound is very intriguing to me.
My first initial thought was your dual relay. When you turn the ignition switch to the "on" position, the fuel pump should NOT turn on, this is normal. Your fuel pump only activates with you turning the ignition key to the "start" position. At this position, the fuel pump receives power thru the dual relay. When you release the key from the start position, the air flow meter takes over and keeps the dual relay engaged. Since you applied power to pin 88d on the dual relay, you essentially bypassed the dual relay. This test confirmed that your engine is not dieing from lack of fuel. With a Ljet setup, your relay board isn't all that necessary for it to run. The 2 fuses on that board are not required, along with any relays plugged into it. All the wires needed for a running state, runs thru the relay board. So at this point, I wouldn't worry about the relay board. Your CHT sensor is not wired directly to the relay board. This wire should be part of the fuel injection wiring harness, that leads to the ECU. This needs to be connected for your car to run. Capn Krusty has supplied me and many others with a manual for trouble shooting Ljets. I can email you a copy if you wish. If you were to unplug the ECU connector and ohm out pin 13 to engine ground, you should have around 2k ohm of resistance (depending on ambient temperatures). Your fuel pressure is way high. Do you have a fuel pressure regulator installed on the fuel loop? Also, your compression test is somewhat concerning. You may want to double check the valve lash on the offending cylinder. The proper way to test compression is with the engine warm. So after we figure out what is wrong with the staying running problem, you may want to re-check the compressions. Back to the buzzing injectors. Again, really odd problem. If you unplug the ECU connector, does this buzzing go away? ![]() |
| Cap'n Krusty |
Mar 21 2014, 02:28 PM
Post
#4
|
|
Cap'n Krusty ![]() ![]() ![]() ![]() ![]() ![]() ![]() ![]() ![]() ![]() Group: Members Posts: 10,794 Joined: 24-June 04 From: Santa Maria, CA Member No.: 2,246 Region Association: Central California |
Unplug all of the injectors. Key on, plug them back in, one at a time. One shorted injector will cause them all to stay open, although they shouldn't "buzz".
Check the oil filler cap. There are 2 seals, one an o-ring, the other a flat gasket. They must both be there and intact. If they're not in good condition, the car won't stay running. Take advantage of the offer of the troubleshooting guide. The Cap'n |
| thatguywiththedatsun |
Mar 21 2014, 02:30 PM
Post
#5
|
|
Newbie ![]() Group: Members Posts: 21 Joined: 21-March 14 From: Memphis, TN Member No.: 17,144 Region Association: None |
I'll be in the garage in the next few hours, and will report back. Thanks for the quick replies and the diagram! It does have a pressure regulator, but I really can't speak for it's integrity. The buzzing is there more often than not, but sometimes it just doesn't do it. If you turn the key to on and hear the buzzing from the injectors, if you turn on the headlights or hit the brakes or otherwise switch on a somewhat beefy load, it's like the buzzing toggles off/on alongside whatever else. It is bizarre.
|
| thatguywiththedatsun |
Mar 21 2014, 02:31 PM
Post
#6
|
|
Newbie ![]() Group: Members Posts: 21 Joined: 21-March 14 From: Memphis, TN Member No.: 17,144 Region Association: None |
Email address is xxxxxxxxxx@gmail.com. One chance to receive it, right? 0.0
|
| timothy_nd28 |
Mar 21 2014, 02:38 PM
Post
#7
|
|
Advanced Member ![]() ![]() ![]() ![]() Group: Members Posts: 2,299 Joined: 25-September 07 From: IN Member No.: 8,154 Region Association: Upper MidWest
|
2 manuals sent to your email address. I would re-edit your above email address so that you don't get tons of spam emails (IMG:style_emoticons/default/ar15.gif)
|
| Dave_Darling |
Mar 21 2014, 04:17 PM
Post
#8
|
|
914 Idiot ![]() ![]() ![]() ![]() ![]() ![]() ![]() ![]() ![]() ![]() ![]() ![]() ![]() ![]() ![]() Group: Members Posts: 15,326 Joined: 9-January 03 From: Silicon Valley / Kailua-Kona Member No.: 121 Region Association: Northern California
|
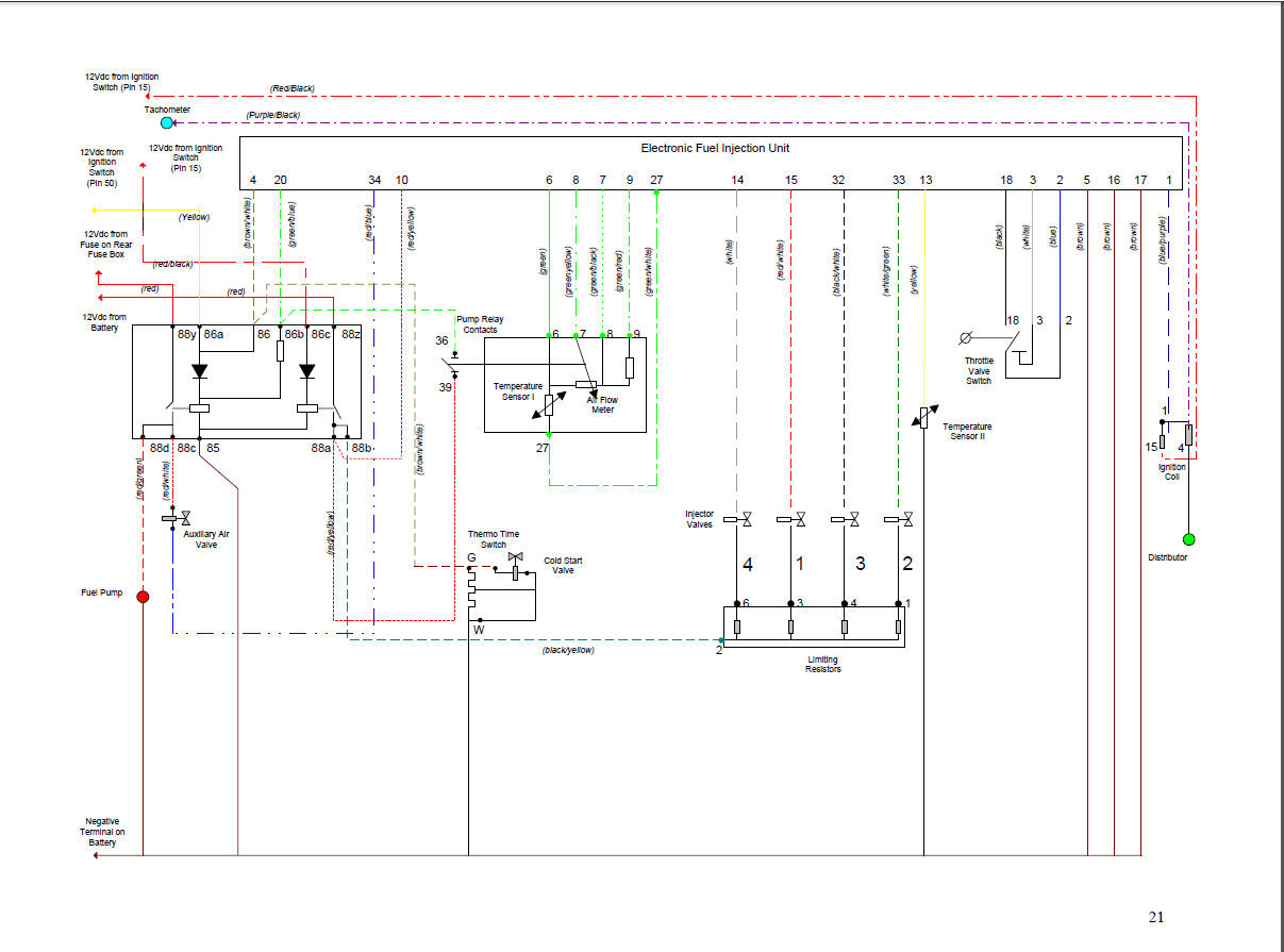
Here's a link to a diagram of the FI wiring harness, offered by Jeff Bowlsby: https://bowlsby.net/914/WiringHarnesses/Har...FI_EC74-1.8.pdf
BTW, if you suspect your FI harness, go to https://bowlsby.net/914/WiringHarnesses/ and click the links to contact Jeff. It looks like he may now offer his "rebuild" service (the D-jet harness is 90%+ brand-new parts after he's done, so I'm not sure rebuild is the right word) for the L-jet stuff. The L-jet fuel pump runs under 2 circumstances: 1- the key is turned to "start"; 2- the flap in the air-flow meter is open (and the key is "on"). You can check the pump by turning the key on and pushing the flap in the AFM open by hand. There is a box with four resistors in it that also hangs off the battery tray; those are used to drop the power to the injectors. Make sure the one side of those has +12V when the key is on. The injectors are really easy to remove from the manifold; one nut holds each one on. Remove both injectors from one side of the motor and stick them in jars. Crank the starter; look for squirts of fuel coming out of the injectors or at least look for fuel in the jars after cranking. Note that there is a white wire in the FI harness that goes to the (-) terminal on the coil. That carries the signal from the points to the FI, telling it when to open the injectors. You won't get fuel without that hooked up, except possibly through the cold-start injector which dumps directly into the intake manifold. --DD |
| thatguywiththedatsun |
Mar 21 2014, 08:09 PM
Post
#9
|
|
Newbie ![]() Group: Members Posts: 21 Joined: 21-March 14 From: Memphis, TN Member No.: 17,144 Region Association: None |
Very useful tests! What I originally thought was the cht seems to be something else. Right behind the distributor, maybe an oil pressure sensor? (IMG:style_emoticons/default/blink.gif) Anyway, resistance from cht (right next to #3 plug wire, right?) to ground is 3.5K ohms, and from cht to pin 13 on ecu connector is a whopping 14.97M ohms. There's something that needs to be addressed. Am I correct in thinking that the cht is bad as well since it reads 3.5kohms to ground? On that note, while the ecu is disconnected, injectors do not buzz with key "on."
With the ecu plugged back in (ignition off, battery three feet away, just to be safe) and all injectors unplugged, they each buzz individually upon being plugged back in one at a time. It seems like only one (random) will buzz if they are all plugged in though. You got a picture handy of those oil seals? There doesn't seem to be anything special under there. There is one o-seal that seems like it would do it's job well enough, but I don't see a flat gasket..? The pump does run with key "on" if I manually move the flapper, though I can't exactly hear the pump if I try to start it with the key. Even with the fuel pump hot wired to the battery, though, the problem persists. There is a white wire connected to the coil, poorly crimped, but it is there. There is 12v+ on one wire to the injector resistors with key "on," and fwiw, there's no buzzing with the resistor pack unplugged. Don't really have time to pull the injectors tonight, but that fi harness rebuild may be a good option for me. It seems like half of the wires have cracked insulation from dry heat, or they're fraying at the crimped connectors. I don't really feel great about making a jumper to the ecu connector boot. Seems like that's a somewhat sensitive area. Next chance I get, I'll get something rigged up and see if that fixes it I suppose. |
| thatguywiththedatsun |
Mar 21 2014, 08:49 PM
Post
#10
|
|
Newbie ![]() Group: Members Posts: 21 Joined: 21-March 14 From: Memphis, TN Member No.: 17,144 Region Association: None |
Wait a minute.... You said pin 13 to ground. Lol, damnit. I'll try that one again tomorrow. Still doesn't sound good, though, does it? 15mohms between pin 13 and the cht, plus 3.5kohms for the cht itself to ground. :-/
|
| timothy_nd28 |
Mar 21 2014, 09:45 PM
Post
#11
|
|
Advanced Member ![]() ![]() ![]() ![]() Group: Members Posts: 2,299 Joined: 25-September 07 From: IN Member No.: 8,154 Region Association: Upper MidWest
|
Yep, pin 13 on the ECU plug to engine ground. The CHT is located next to the number 3 cylinder and depending what temperature your engine is, 3.5k ohms could be within spec. Go ahead and double check this at the ECU plug, it should read the same as you measuring right at the CHT to ground. If not, then Jeff Bowlsby may be in order for your harness
The oil pressure switch is located by the distributor, but this isn't required to be hooked up for the engine to be running right now. Okay, next test. Remove all wires on the negative terminal on the ignition coil. We need to protect your points or pertronix module while doing these next tests. After this is done, remove the ECU plug and turn the ignition switch to the "on" position. With the meter set to DC volts, put one meter lead on the negative battery post and the other meter lead needs to probe pins 14,15,32 and 33. You should see 12 volts on every pin. After this, turn the ignition switch to the off position. Measure pin 10 on the ECU connector, you should read 0 volts. |
| thatguywiththedatsun |
Mar 21 2014, 09:57 PM
Post
#12
|
|
Newbie ![]() Group: Members Posts: 21 Joined: 21-March 14 From: Memphis, TN Member No.: 17,144 Region Association: None |
Man, you are good with this stuff. I'll try to get to the garage tomorrow. It's about 12 miles from home, and 5 miles from work, right in between the two. Not too bad, but still difficult to make time for on busy days.
|
| 69telecaster |
Mar 22 2014, 07:40 AM
Post
#13
|
|
Member ![]() ![]() Group: Members Posts: 101 Joined: 4-April 10 From: White Cloud, MI Member No.: 11,558 Region Association: None |
While I don't really like Rivieras, that car looks pretty nice. And the cloth seats are interesting.
Sounds like you're getting some great help here, and it'll be on the road in no time. (IMG:style_emoticons/default/popcorn[1].gif) |
| jim_hoyland |
Mar 22 2014, 12:21 PM
Post
#14
|
|
Get that VIN ? ![]() ![]() ![]() ![]() ![]() ![]() ![]() ![]() ![]() ![]() Group: Members Posts: 10,033 Joined: 1-May 03 From: Sunset Beach, CA Member No.: 643 Region Association: Southern California
|
All the above info is very useful; I have on occasion had the same symptoms. Engine starts on key-start, then dies in key-on position Each time it was caused by one of the followiing:
1. Connector to AFM was not reinstalled 2. Loose wire at the dual relay 3. Brown dual relay wire ground not attached to engine |
| thatguywiththedatsun |
Mar 22 2014, 06:57 PM
Post
#15
|
|
Newbie ![]() Group: Members Posts: 21 Joined: 21-March 14 From: Memphis, TN Member No.: 17,144 Region Association: None |
Interesting. I read 0V on 14 and 15, and I have no 32 or 33. Pin 10 reads 0V as well. Something is weird here. Confirmed 13.23M ohms from 13 to engine ground.
(IMG:http://www.914world.com/bbs2/uploads_offsite/lh3.googleusercontent.com-17144-1395536252.1.JPG) AFM connector is firmly plugged in. Like I said, the pump runs with key "on" if I move the flap by hand... The fact that I can jump 88d on the dual relay and have the pump run would suggest that it's grounded firmly. It does seem like the dual relay isn't getting the right signals, though. I bench tested the dual relay and it checks out fine by itself. Hmmmm... |
| thatguywiththedatsun |
Mar 22 2014, 07:08 PM
Post
#16
|
|
Newbie ![]() Group: Members Posts: 21 Joined: 21-March 14 From: Memphis, TN Member No.: 17,144 Region Association: None |
I'm not crazy about the weird cloth seats myself. The wheels aren't my favorites either, but they're better than the stockers imho. (IMG:style_emoticons/default/unsure.gif) It'll look a lot better out in the sun!
|
| JeffBowlsby |
Mar 22 2014, 08:53 PM
Post
#17
|
|
914 Wiring Harnesses & Beekeeper ![]() ![]() ![]() ![]() ![]() Group: Members Posts: 9,199 Joined: 7-January 03 From: San Ramon CA Member No.: 104 Region Association: None
|
That's a standard 1974 1.8L FI harness. You can check the rest of the harness with this if you need to.
https://bowlsby.net/914/WiringHarnesses/Har...FI_EC74-1.8.pdf |
| thatguywiththedatsun |
Mar 22 2014, 11:00 PM
Post
#18
|
|
Newbie ![]() Group: Members Posts: 21 Joined: 21-March 14 From: Memphis, TN Member No.: 17,144 Region Association: None |
Man, I'm stupid. Okay, after testing the correct pins, everything thus far checks out fine.
|
| timothy_nd28 |
Mar 23 2014, 12:51 AM
Post
#19
|
|
Advanced Member ![]() ![]() ![]() ![]() Group: Members Posts: 2,299 Joined: 25-September 07 From: IN Member No.: 8,154 Region Association: Upper MidWest
|
Good, what was your reading from pin 13 to engine ground?
|
| thatguywiththedatsun |
Mar 23 2014, 01:43 AM
Post
#20
|
|
Newbie ![]() Group: Members Posts: 21 Joined: 21-March 14 From: Memphis, TN Member No.: 17,144 Region Association: None |
3.5k ohms
|
![]() ![]() |
|
Lo-Fi Version | Time is now: 8th March 2026 - 11:37 PM |
| All rights reserved 914World.com © since 2002 |
|
914World.com is the fastest growing online 914 community! We have it all, classifieds, events, forums, vendors, parts, autocross, racing, technical articles, events calendar, newsletter, restoration, gallery, archives, history and more for your Porsche 914 ... |