|
|

|
Porsche, and the Porsche crest are registered trademarks of Dr. Ing. h.c. F. Porsche AG.
This site is not affiliated with Porsche in any way. Its only purpose is to provide an online forum for car enthusiasts. All other trademarks are property of their respective owners. |
|
|
![]() ![]() |
| 76-914 |
Jul 27 2017, 01:57 PM
Post
#61
|
|
Repeat Offender & Resident Subaru Antagonist ![]() ![]() ![]() ![]() ![]() ![]() ![]() ![]() ![]() ![]() Group: Members Posts: 13,815 Joined: 23-January 09 From: Temecula, CA Member No.: 9,964 Region Association: Southern California
|
Post #13. I'm at a Baker's Dozen so I'd better start off with thanking everyone of you guys for all of your help. I've learned a lot with your help but once again I'm stumped and need to run this by you genuis'.
When I turned the ignition switch to "on" yesterday I heard a faint squealing noise from the frunk that continued after starting. My first thought was the fuel pump but after flipping the "fan override switch" the noise stopped as the fans came on. This time my first, or should I say second, thought was that one of the fans had been in a bind after adding the duct work and now cleared. Yea right. So later in the afternoon when charging the AC I flipped the fan override and nothing! (IMG:style_emoticons/default/WTF.gif) Checked the fuse and it was fried. No, I mean fried as in melted and sticking to the plastic fuse holder. Needle nose pliers and a pocket knife later I am treated to this: ![]() Oddly enough it is on one terminal only and that terminal is the Battery side. As you see in the next pic the wire melted/distorted the insulation a few inches back but the other side is OK. Might be worth mentioning that the plastic holder became hot enough that the spade terminals float in that case and can touch one another bypassing the fuse. Might not matter in this case. (IMG:style_emoticons/default/confused24.gif) ![]() I remember chasing a short last summer that turned out to be this New distribution box. POS. I only mention this because it was a loose connection that eventually separated because of the melting/bubbling of the plastic. This happened because I did not check the tightness of the screws on the back before installing. (IMG:style_emoticons/default/headbang.gif) Anyway, the milky area was the problem area and guess what? That was on the battery side also! Am I seeing a pattern here? Did I have a bad factory crimp at the spade which caused resistance eventually melting that insulation and shorting out? I'm pulling 9.7A with both fans on, 10ga dedicated circuit, 20A fuse per Derale controller. Another tidbit: the fan controller uses negative switching. I just supplied 12v & ground to it. Relay, fuse and control board are all factory. One last piece of info. The fan controller is mounted on the driver wheel well about 8" from the gas tank. Until I ducted the radiators last week the gas tank would become very hot from the radiator exhaust resulting in vapor lock. Could that have damaged the board? This I ask because of the squealing noise I mentioned earlier. Why did the controller or it's relay squeal? The fan override switch was not on and it was a cold start so it should not have called for them to come on either. I failed to mention that when I first discovered the melt down I replaced the fuse, taped the bare spots and all was normal. However, when I turned the switch to on that evening the squeal returned. I'm replacing that fuse link but it won't be here for a few days so I thought I would run this up the pole for opinions in the meantime. TIA, Kent |
| 76-914 |
Jul 27 2017, 10:08 PM
Post
#62
|
|
Repeat Offender & Resident Subaru Antagonist ![]() ![]() ![]() ![]() ![]() ![]() ![]() ![]() ![]() ![]() Group: Members Posts: 13,815 Joined: 23-January 09 From: Temecula, CA Member No.: 9,964 Region Association: Southern California
|
Never mind. Nailed it. I ohmed out the fuse holder since it was removed. Both leads are about 4" long. The fried side was 2.7 ohms the first read but improved to 1.7 ohms after some jostling. The good side was .4 ohms. So at one point that lead had at least 7 times the resistance. And this is the factory's crimp, not mine. There are a few pics showing the readings but look closely at the spade terminals. I roughed up the burned one when I removed it but that mangled ring only clamped the insulation so there was no electrical contact there previous to my horsing it out. When I compared the length of the bare wire in the good spade then held it alongside the bad side it was apparent the wire was only 1/2 way into the crimp ring. You can't see it protruding past the crimp ring as it should. What I do see is some hard green stuff. Maybe residue from the old holder after cooking. (IMG:style_emoticons/default/confused24.gif) I'll break down the crimp on the spade tomorrow to see how far the wire actually went in. Damn it's nice when I figure one out myself. (IMG:style_emoticons/default/beer.gif)
![]() ![]() ![]() ![]() |
| Spoke |
Jul 27 2017, 11:39 PM
Post
#63
|
|
Jerry ![]() ![]() ![]() ![]() ![]() Group: Members Posts: 7,268 Joined: 29-October 04 From: Allentown, PA Member No.: 3,031 Region Association: None
|
Good find. That looks like a cheap QC connector. The melted one looks to be a bit bend top to bottom. You can replace the fuse carrier with a high quality fuse carrier like this one from Jegs:
Jegs Your resistance numbers look a bit high. Did you zero your meter by touching the 2 leads together and noting the resistance? Subtract the shorted-leads resistance from your measurement. Accurately measuring resistance in the sub 1 ohm region is difficult. Lots of times you'll have up to 1 ohm in the leads. |
| 76-914 |
Jul 28 2017, 08:31 AM
Post
#64
|
|
Repeat Offender & Resident Subaru Antagonist ![]() ![]() ![]() ![]() ![]() ![]() ![]() ![]() ![]() ![]() Group: Members Posts: 13,815 Joined: 23-January 09 From: Temecula, CA Member No.: 9,964 Region Association: Southern California
|
Good find. That looks like a cheap QC connector. The melted one looks to be a bit bend top to bottom. You can replace the fuse carrier with a high quality fuse carrier like this one from Jegs: Jegs Your resistance numbers look a bit high. Did you zero your meter by touching the 2 leads together and noting the resistance? Subtract the shorted-leads resistance from your measurement. Accurately measuring resistance in the sub 1 ohm region is difficult. Lots of times you'll have up to 1 ohm in the leads. I did not touch the two together prior to testing but I will next time. Did not know about that. Thx. Could have been the Chinese VOM, as well. I had it out because it's my only meter that measures DC amp. I'll get my Fluke out to check ohms next time. You know, this electrical stuff is getting interesting! Thx Spoke. (IMG:style_emoticons/default/beerchug.gif) |
| 76-914 |
Nov 20 2017, 07:38 PM
Post
#65
|
|
Repeat Offender & Resident Subaru Antagonist ![]() ![]() ![]() ![]() ![]() ![]() ![]() ![]() ![]() ![]() Group: Members Posts: 13,815 Joined: 23-January 09 From: Temecula, CA Member No.: 9,964 Region Association: Southern California
|
This is one of those subjects that the more I read about it the less I understand so let me state it as simple as my mind works. (IMG:style_emoticons/default/blink.gif) The '70 V8 conversion I'm completing has a single wire (internal VR) alternator. The relay board isn't being used so should I delete the "blue" wire connection on the 14 pin connector? I'm using a '73 harness if it makes any difference and will be using a volt meter as well. If it is deleted what else will be required? TIA, Kent
|
| 76-914 |
Nov 22 2017, 09:58 AM
Post
#66
|
|
Repeat Offender & Resident Subaru Antagonist ![]() ![]() ![]() ![]() ![]() ![]() ![]() ![]() ![]() ![]() Group: Members Posts: 13,815 Joined: 23-January 09 From: Temecula, CA Member No.: 9,964 Region Association: Southern California
|
|
| Spoke |
Nov 22 2017, 07:59 PM
Post
#67
|
|
Jerry ![]() ![]() ![]() ![]() ![]() Group: Members Posts: 7,268 Joined: 29-October 04 From: Allentown, PA Member No.: 3,031 Region Association: None
|
This is one of those subjects that the more I read about it the less I understand so let me state it as simple as my mind works. (IMG:style_emoticons/default/blink.gif) The '70 V8 conversion I'm completing has a single wire (internal VR) alternator. The relay board isn't being used so should I delete the "blue" wire connection on the 14 pin connector? I'm using a '73 harness if it makes any difference and will be using a volt meter as well. If it is deleted what else will be required? TIA, Kent Which blue wire on the 14 pin connector are you referring to? Which pin number is it? If the new alternator with VR only has one wire, that should go to the battery. |
| 76-914 |
Nov 23 2017, 10:25 AM
Post
#68
|
|
Repeat Offender & Resident Subaru Antagonist ![]() ![]() ![]() ![]() ![]() ![]() ![]() ![]() ![]() ![]() Group: Members Posts: 13,815 Joined: 23-January 09 From: Temecula, CA Member No.: 9,964 Region Association: Southern California
|
Thanks for answering. Electrical issues remind me of how little I know. The blue wire enters as pin #2 on the 14 pin connector which goes to D+ and exits the relay board as a red wire presumably part of the alt harness. I wondered if I should ignore the blue lead or does it need to be connected to complete some ubiquitous circuit I'm unaware of. I do know the single lead goes to the battery but that's about all. (IMG:style_emoticons/default/lol-2.gif)
And now another issue. Last night I powered up the 2 main circuits which go to the fuse #11 & #27 steering column. One thing has me baffled. At first the turn signals worked all around. In fact all of the lights work including the pop up headlights. I noticed I had crossed a back up lite with a tail lite and corrected that. A few minutes later I was going thru the various components again and noticed the turn signals weren't working. No illumination at front or rear bulbs when the stalk was moved L&R. No flashing either. The PARK feature does work for the L & R sides and the flasher unit #47 works when the Hazard switch is pulled. (IMG:style_emoticons/default/confused24.gif) So this new question is twofold. Does the power go thru the flasher switch and/or turn signal assm first and then to the flasher unit OR the flasher unit first? 2nd; can the flasher unit work on the Hazard switch but not the turn signal? If I need to test the turn signal assm is there a procedure to follow? TIA, Kent |
| Spoke |
Nov 23 2017, 11:13 AM
Post
#69
|
|
Jerry ![]() ![]() ![]() ![]() ![]() Group: Members Posts: 7,268 Joined: 29-October 04 From: Allentown, PA Member No.: 3,031 Region Association: None
|
Thanks for answering. Electrical issues remind me of how little I know. The blue wire enters as pin #2 on the 14 pin connector which goes to D+ and exits the relay board as a red wire presumably part of the alt harness. I wondered if I should ignore the blue lead or does it need to be connected to complete some ubiquitous circuit I'm unaware of. I do know the single lead goes to the battery but that's about all. (IMG:style_emoticons/default/lol-2.gif) Ok. All the wiring to/from the 914 alternator and VR will not be used including the GEN light. You really don't need to do anything with them if you don't want to. I hesitate cleaning up wiring unless absolutely necessary as you never know what else uses that wiring. QUOTE And now another issue. Last night I powered up the 2 main circuits which go to the fuse #11 & #27 steering column. One thing has me baffled. At first the turn signals worked all around. In fact all of the lights work including the pop up headlights. I noticed I had crossed a back up lite with a tail lite and corrected that. A few minutes later I was going thru the various components again and noticed the turn signals weren't working. No illumination at front or rear bulbs when the stalk was moved L&R. No flashing either. The PARK feature does work for the L & R sides and the flasher unit #47 works when the Hazard switch is pulled. (IMG:style_emoticons/default/confused24.gif) So this new question is twofold. Does the power go thru the flasher switch and/or turn signal assm first and then to the flasher unit OR the flasher unit first? 2nd; can the flasher unit work on the Hazard switch but not the turn signal? If I need to test the turn signal assm is there a procedure to follow? TIA, Kent 2nd question first, the flasher can work with either the 4-ways or turnsignal stalk. They are in parallel. I believe all the wires end up at the 4-way flasher. 1st question. See the schematic below. Power comes to the flasher first. The red wire from the 4-way switch is just so the 4-way switch can power the flashers with the key off. I don't think the back up light fix should affect the turnsignals working. Sounds like something else in and around the steering wheel and turnsignal stalk is at issue. If both the L and R turnsignals quit working, it sounds like a connector between the steering wheel and the flasher has come loose. Attached image(s)
|
| 76-914 |
Nov 23 2017, 01:29 PM
Post
#70
|
|
Repeat Offender & Resident Subaru Antagonist ![]() ![]() ![]() ![]() ![]() ![]() ![]() ![]() ![]() ![]() Group: Members Posts: 13,815 Joined: 23-January 09 From: Temecula, CA Member No.: 9,964 Region Association: Southern California
|
Went back thru it and no power from the black lead which goes to #9 from ignition switch. Could have sworn it had power but none when I checked it this AM. It does have 12v coming to the ignition switch. So apparently I have a starter switch issue to address. Thx for the big pic Spoke. That really helps. I'll report back once I get a new switch installed. (IMG:style_emoticons/default/beerchug.gif)
|
| 76-914 |
Nov 24 2017, 02:36 PM
Post
#71
|
|
Repeat Offender & Resident Subaru Antagonist ![]() ![]() ![]() ![]() ![]() ![]() ![]() ![]() ![]() ![]() Group: Members Posts: 13,815 Joined: 23-January 09 From: Temecula, CA Member No.: 9,964 Region Association: Southern California
|
Hey Spoke, the switch was definitely the problem. This AM I went out and jumped #10 (always hot) to #9. Got a snappy spark because I didn't remove the Bk lead from it first. (IMG:style_emoticons/default/headbang.gif) That told me the switch has a dead ground. Pulled the Bk lead from #9 and jumped it again. No spark and the blinkers are functioning again. Thx for the input. (IMG:style_emoticons/default/beerchug.gif)
|
| 76-914 |
Aug 8 2021, 05:28 PM
Post
#72
|
|
Repeat Offender & Resident Subaru Antagonist ![]() ![]() ![]() ![]() ![]() ![]() ![]() ![]() ![]() ![]() Group: Members Posts: 13,815 Joined: 23-January 09 From: Temecula, CA Member No.: 9,964 Region Association: Southern California
|
Electrical Problem #15
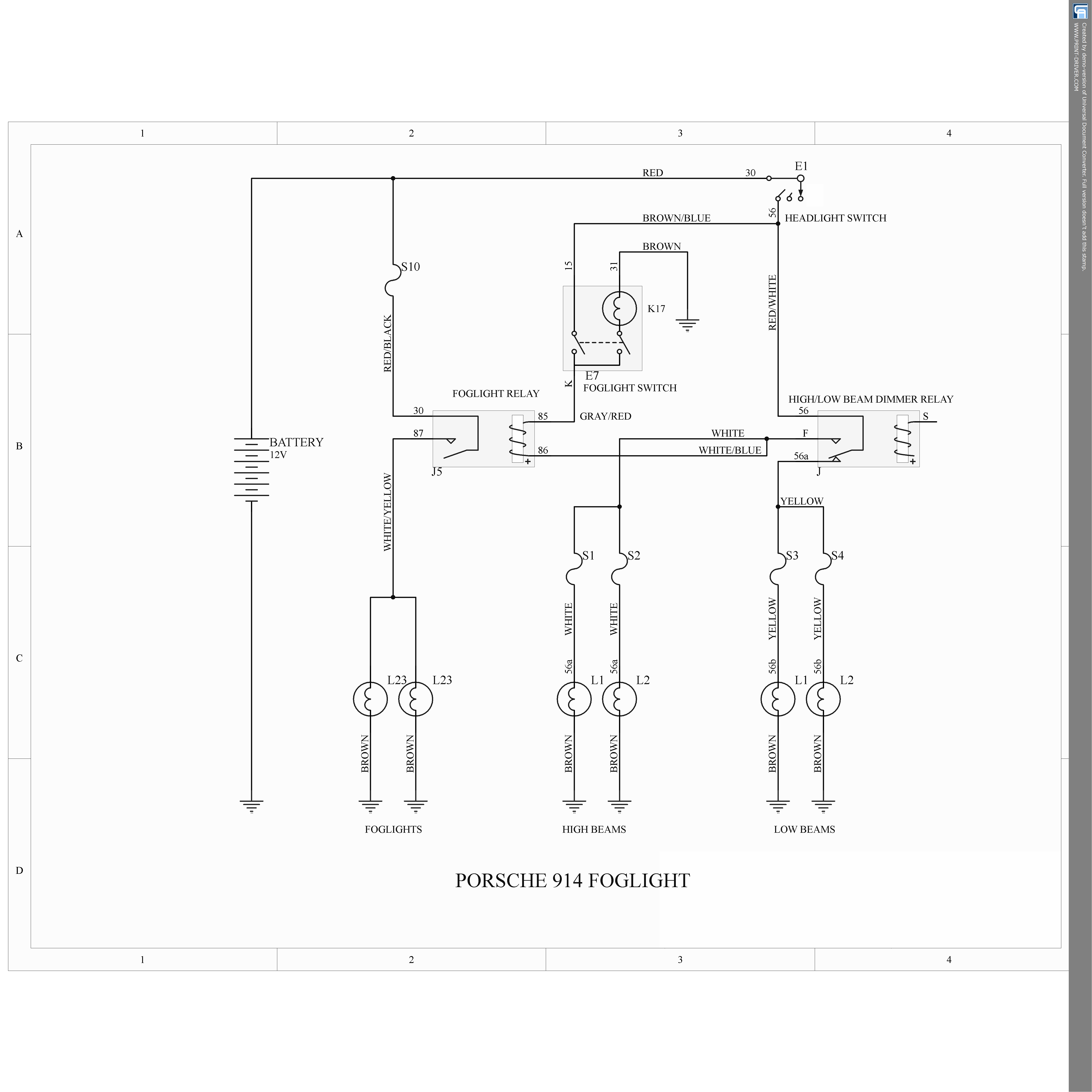
As stated - I'm totally stumped this time. My '70 914 - which came to me as a V8 - was updated with a 73 steering column and wiring harness. Since I brought it to life - both with the V8 & the current Subaru drivetrain - I haven't been able to get the Fog Lights working and I wonder if I've overlooked something. I'm hoping someone will be able to review this and make some sense of this. I dropped the Headlight, Emergency and Fog Lamp switches then confirmed that each was wired according to the diagram shown at the bottom - Fig 9.78 of the Haynes Manual. I found the Br wire and the Bk/Bl wires on the Fog Lamp switch were reversed and reinstalled them in their correct positions i.e. Br to post #31 & Bk/Bl to post #15. And sure enough the Fog Lamps came to life when the Headlight switch was on and Hi-beams selected. Satisfied that I'd found the problem I reinstalled all three switches, re-connected the negative battery post only to find that when I tested the Fog Lamps I blew a fuse. (IMG:style_emoticons/default/WTF.gif) Thinking I had been careless and shorted on of the switches or fuse panel upon reinstallation I dropped everything again, replaced the fuse and just like magic everything worked once again. On a whim I checked the Fog Lamp switch with the voltmeter and was surprised to find that the case was live with 12v. And when mounted to the dash it naturally shorted and would blow the fuse. (IMG:style_emoticons/default/WTF.gif) So it works great as long as it isn't mounted and I guess if I insulated it from the dash it would continue to work but..............that's insane. After a quick test here are my findings and hopefully this problem will be self evident to someone smart than me. All 3 switches are not mounted and hanging freely during this test : TEST A Ign key - On Headlight switch - On Fog Light switch removed from circuit. Gy/R wire from #53 relay - 12v Bk/Bl wire from post #56 of Headlight switch - 12v Br wire from post #31 of Emerg flasher switch - 0v but it does have continuity to ground TEST B Ign key - On Headlight switch - on Fog light switch connected - on Fog Lights work but as mentioned above the fuse will blow as soon as the switch is mounted as the case is energized with 12v. My understanding is that the switch only provides a ground to the relay thus completing the circuit. But if that is correct then why am I getting 12v @ the Gy/R wire coming from the relay. (IMG:style_emoticons/default/confused24.gif) TIA for your help. ![]() |
| Spoke |
Aug 8 2021, 06:41 PM
Post
#73
|
|
Jerry ![]() ![]() ![]() ![]() ![]() Group: Members Posts: 7,268 Joined: 29-October 04 From: Allentown, PA Member No.: 3,031 Region Association: None
|
Seems confusing as the foglight switch should not have 12V on the case. There are 3 wires on the foglight switch.
Foglight: pin 15: goes to the headlight switch and brings 12V power to the switch. pin K: Is the switched 12V to the foglight relay. Switch in: 15 to K is open circuit; Switch out: 15 to K is shorted. pin 31: This is ground mainly to light up the switch lamp. Does the foglight switch lamp light up? If you think the foglight switch is shorting 12V to the case, remove all wires from the switch and remove the switch. Check the resistance from 15, K, and 31 to the case of the switch. 15 and K should be open circuits WRT the case. A simplified circuit of the headlights and foglights is attached. Notice that the foglight relay is grounded through pin 86 to the high beam headlights. This way when the high beams are on the foglights should turn off. Attached thumbnail(s) |
| 76-914 |
Aug 9 2021, 01:33 PM
Post
#74
|
|
Repeat Offender & Resident Subaru Antagonist ![]() ![]() ![]() ![]() ![]() ![]() ![]() ![]() ![]() ![]() Group: Members Posts: 13,815 Joined: 23-January 09 From: Temecula, CA Member No.: 9,964 Region Association: Southern California
|
Jerry, With the switch pulled out - on position - I have continuity from all 3 pins to the case. With the switch pushed in - off - I have continuity between pin 31 and the case. Also, when I energized pin 31 with a 9v battery with the switch pulled out - on - I am getting 9v from pins K to the case & from pin 15 to the case. The switch lights up whenever it is pulled out, as it should.
The Wt/Bl that goes to pin 85 on the relay comes from fuse #1. Shouldn't it go to ground? Otherwise the relay has 2 - 12v sources feeding the magnet of the relay. (IMG:style_emoticons/default/confused24.gif) EDIT: Now I'm wondering if the switch must be bad since the Fog Lamps works as long as the switch isn't mounted and grounded to the panel??? |
| ClayPerrine |
Aug 9 2021, 01:38 PM
Post
#75
|
|
Life's been good to me so far..... ![]() ![]() ![]() ![]() ![]() ![]() ![]() ![]() ![]() ![]() ![]() ![]() ![]() ![]() ![]() Group: Admin Posts: 16,526 Joined: 11-September 03 From: Hurst, TX. Member No.: 1,143 Region Association: NineFourteenerVille
|
#5 - If you own a 914 you know the importance of a good ground. As I went through the Subaru harness I counted over 20 grounding points so Suby has a good idea, also. My question is this. Are there rules that govern grounds? If so, can a layman understand them? Can a ground junction become ineffective if too many grounds converge at one point? Does a ground need to be sized? Should it be the same gauge as the positive circuit it completes? If adding ground points does the material type matter? e.g. brass, steel. As always, TIA, Kent You really can't have too many wires going to a ground point. Because it runs through the chassis, you have a huge wire (i.e. the chassis) to run back to the battery ground cable. The ground wire to the body should be the same gauge as the hot side of the circuit. Brass is a better connector, but steel is fine. For either of them, make sure you have it clean and shiny before you make the connections. Clay |
| 76-914 |
Aug 9 2021, 02:29 PM
Post
#76
|
|
Repeat Offender & Resident Subaru Antagonist ![]() ![]() ![]() ![]() ![]() ![]() ![]() ![]() ![]() ![]() Group: Members Posts: 13,815 Joined: 23-January 09 From: Temecula, CA Member No.: 9,964 Region Association: Southern California
|
#5 - If you own a 914 you know the importance of a good ground. As I went through the Subaru harness I counted over 20 grounding points so Suby has a good idea, also. My question is this. Are there rules that govern grounds? If so, can a layman understand them? Can a ground junction become ineffective if too many grounds converge at one point? Does a ground need to be sized? Should it be the same gauge as the positive circuit it completes? If adding ground points does the material type matter? e.g. brass, steel. As always, TIA, Kent You really can't have too many wires going to a ground point. Because it runs through the chassis, you have a huge wire (i.e. the chassis) to run back to the battery ground cable. The ground wire to the body should be the same gauge as the hot side of the circuit. Brass is a better connector, but steel is fine. For either of them, make sure you have it clean and shiny before you make the connections. Clay Well thx for that info (IMG:style_emoticons/default/poke.gif) Clay but the current question, no pun intended, regards the Fog Lamp circuit. (IMG:style_emoticons/default/shades.gif) |
| Spoke |
Aug 10 2021, 11:34 AM
Post
#77
|
|
Jerry ![]() ![]() ![]() ![]() ![]() Group: Members Posts: 7,268 Joined: 29-October 04 From: Allentown, PA Member No.: 3,031 Region Association: None
|
Jerry, With the switch pulled out - on position - I have continuity from all 3 pins to the case. With the switch pushed in - off - I have continuity between pin 31 and the case. Also, when I energized pin 31 with a 9v battery with the switch pulled out - on - I am getting 9v from pins K to the case & from pin 15 to the case. The switch lights up whenever it is pulled out, as it should. The Wt/Bl that goes to pin 85 on the relay comes from fuse #1. Shouldn't it go to ground? Otherwise the relay has 2 - 12v sources feeding the magnet of the relay. (IMG:style_emoticons/default/confused24.gif) EDIT: Now I'm wondering if the switch must be bad since the Fog Lamps works as long as the switch isn't mounted and grounded to the panel??? Not sure what is going on with your switch. What resistance do you measure when you state "I have continuity between..."? I assume you're using a VOM. Try this test with your 9V battery. Configure your VOM for amps and put the battery POS through the VOM (to measure current) and the other lead of the VOM to pin K and the NEG of the battery to the case. What current do you read? Do the same with pin 15. |
| 76-914 |
Aug 10 2021, 04:15 PM
Post
#78
|
|
Repeat Offender & Resident Subaru Antagonist ![]() ![]() ![]() ![]() ![]() ![]() ![]() ![]() ![]() ![]() Group: Members Posts: 13,815 Joined: 23-January 09 From: Temecula, CA Member No.: 9,964 Region Association: Southern California
|
Jerry, With the switch pulled out - on position - I have continuity from all 3 pins to the case. With the switch pushed in - off - I have continuity between pin 31 and the case. Also, when I energized pin 31 with a 9v battery with the switch pulled out - on - I am getting 9v from pins K to the case & from pin 15 to the case. The switch lights up whenever it is pulled out, as it should. The Wt/Bl that goes to pin 85 on the relay comes from fuse #1. Shouldn't it go to ground? Otherwise the relay has 2 - 12v sources feeding the magnet of the relay. (IMG:style_emoticons/default/confused24.gif) EDIT: Now I'm wondering if the switch must be bad since the Fog Lamps works as long as the switch isn't mounted and grounded to the panel??? Not sure what is going on with your switch. What resistance do you measure when you state "I have continuity between..."? I assume you're using a VOM. Try this test with your 9V battery. Configure your VOM for amps and put the battery POS through the VOM (to measure current) and the other lead of the VOM to pin K and the NEG of the battery to the case. What current do you read? Do the same with pin 15. Jerry, I had an extra switch so I opened it up to see how it worked. What I found was that when the switch is in pushed in 31 & 15 are connected. When the switch is pulled out K joins the crowd & makes a connection to 15 & 30. And of course the body is connected to these as well. So once the switch is pulled out they all connect to one another. I don't understand how this could possibly work unless it has something to do with one of those diodes behind the Tach. I was sure that I'd find the 12v pin isolated from the ground pin next to it and that the switch would make contact between the 2 grounds when pulled out but it didn't work that way. (IMG:style_emoticons/default/confused24.gif) Either way this is above my pay grade and noting made any sense to me. When I checked resistance to the case I had the VOM set on 200 and if I read it correctly it was 1.46. I checked this with 2 different digital VOM's. I also checked it with the audible setting which is what I referred to as continuity between the pins and/or case. I eliminated the 12v Bk/Bl from the circuit and just switch between the Br & Gy/R which activates the relay and energizes the Fog Lamps. I'll post up some pics of the switch internals so you can see what I trying to say. BTW, what should I have set the ohm scale to when checking resistance? TIA, Kent EDIT: I'll check the current with the 9v battery tomorrow and get back to you with the results. Thx again. |
![]() ![]() |
|
Lo-Fi Version | Time is now: 8th November 2025 - 06:10 AM |
| All rights reserved 914World.com © since 2002 |
|
914World.com is the fastest growing online 914 community! We have it all, classifieds, events, forums, vendors, parts, autocross, racing, technical articles, events calendar, newsletter, restoration, gallery, archives, history and more for your Porsche 914 ... |