|
|

|
Porsche, and the Porsche crest are registered trademarks of Dr. Ing. h.c. F. Porsche AG.
This site is not affiliated with Porsche in any way. Its only purpose is to provide an online forum for car enthusiasts. All other trademarks are property of their respective owners. |
|
|
| doug_b_928 |
May 6 2019, 07:32 PM
Post
#1
|
|
Senior Member ![]() ![]() ![]() Group: Members Posts: 730 Joined: 17-January 13 From: Winnipeg Member No.: 15,382 Region Association: Canada |
I'm building an engine stand that will serve multiple purposes (transport, storage, installation/removal, and testing/break-in). The one part I have very little clue about how to do is the wiring. I've searched the forum and have seen others express an interest in having wiring info for a test stand, but it doesn't seem to be documented anywhere. So, hopefully this thread will help not only me, but also anyone else in the future who is looking to do the same.
I'm going to have the djet 'computer', manifold pressure sensor (MPS), decel valve, fuel pump, and regulator plate/relay board mounted to the stand. The ground that normally connects the battery/engine to the chassis will be grounded to the stand. The wiring for the MPS will be connected to it and the wiring for the fuel injectors, alternator, and 12 pin connector will all be connected to the regulator plate. In other words, it is as if the engine were in the car with the exception of the wiring connections at the 14 pin connector on the regulator plate. On the stand's 'dash board' I think (please correct me if I'm wrong) I need an ignition toggle switch, a momentary starter switch, an oil pressure 'idiot' light (I'm getting a cheap LED light on sale tomorrow), a tachometer (I have a cheap, generic one from FLAPS), and lever with a cable for controlling the throttle. So the question is, what is the correct way to wire these items? I have the figures from Jeff Bowlsby's webpage and the wiring diagrams. What I'm missing is the theory of what I need to do wiring-wise to make the engine run and get the feedback to the tachometer and idiot light. I'm hoping others who appear to have done this can chime in with their thoughts (paging @StratPlayer @VaccaRabite @michelko @mb911 @barefoot ) and wiring gurus (like @JeffBowlsby ). I assume I run wires from the battery to the two power pins on the 14 pin connector, so that the regulator plate has power. After that, although I think it should be pretty simple, I'm not 100% on how to wire the ignition, starter, tach and idiot light to the 14 pin connector. Please advise. |
doug_b_928 Wiring for an Engine Run Stand with DJet May 6 2019, 07:32 PM
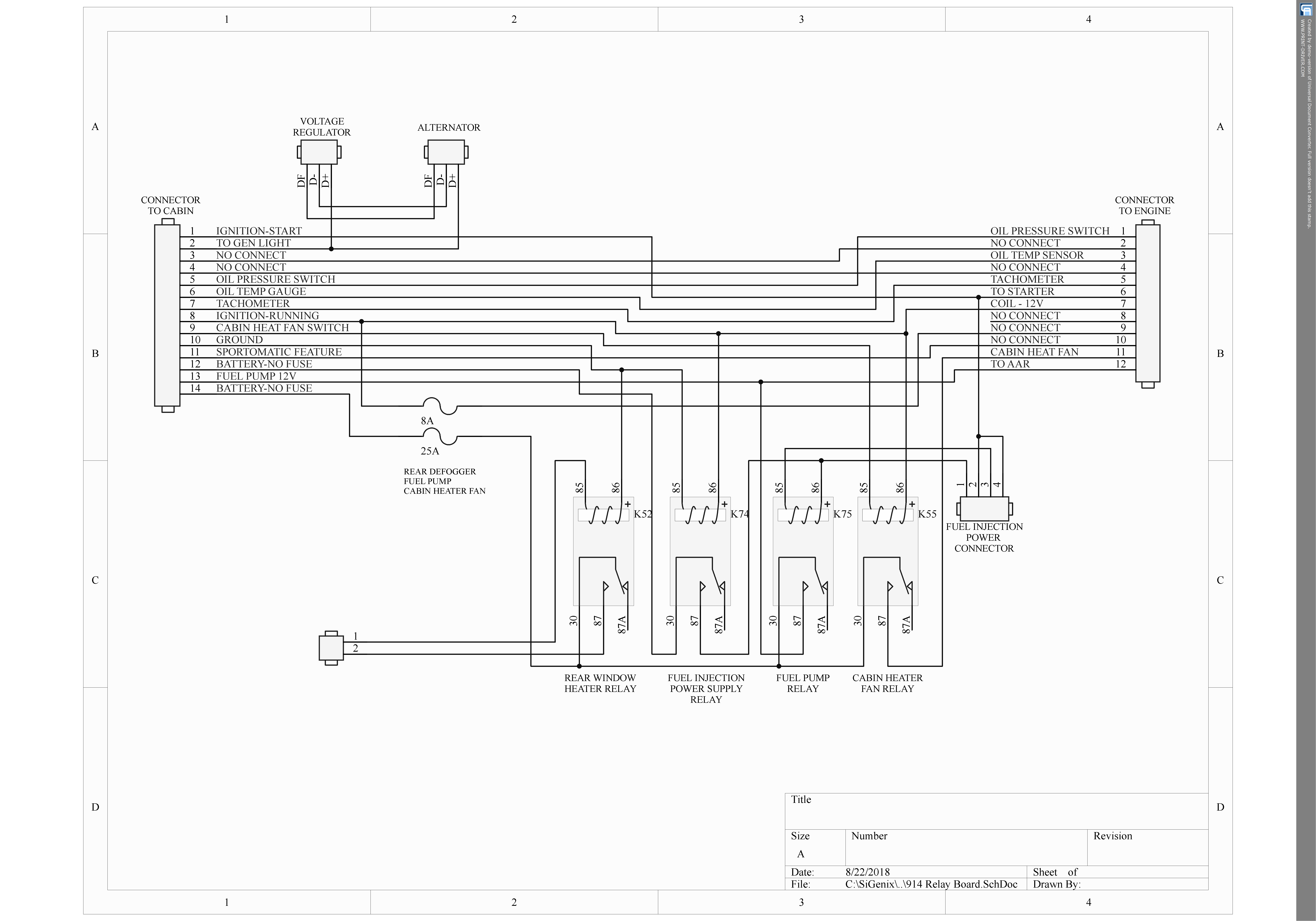
Spoke Here's a schematic of the relay board to help ... May 6 2019, 09:47 PM
doug_b_928 @Spoke --This is terrific, thank you so much... May 7 2019, 05:39 AM
Literati914 this is soo timely for me.. been thinking on this ... May 6 2019, 09:52 PM
doug_b_928 Thanks again for the SUPER CLEAR and straightforwa... May 7 2019, 06:43 AM
Spoke
Thanks again for the SUPER CLEAR and straightforw... May 7 2019, 07:37 AM
doug_b_928 [quote name='Spoke' date='May 7 2019, ... May 7 2019, 07:58 AM
Spoke
The positive one should have an extra small wire... May 7 2019, 09:42 AM
VaccaRabite Hey Doug
The Gen light needs to be incandescent a... May 7 2019, 07:44 AM
doug_b_928 Thanks for chiming in Zach.
I was thinking a fuse... May 7 2019, 08:13 AM
Mark Henry Watching this, I have a test stand, but what I nee... May 7 2019, 07:54 AM
doug_b_928 Oh, okay, so the big positive cable is only to the... May 7 2019, 09:51 AM
doug_b_928 I'm making good progress on the stand, but hav... May 11 2019, 08:59 AM
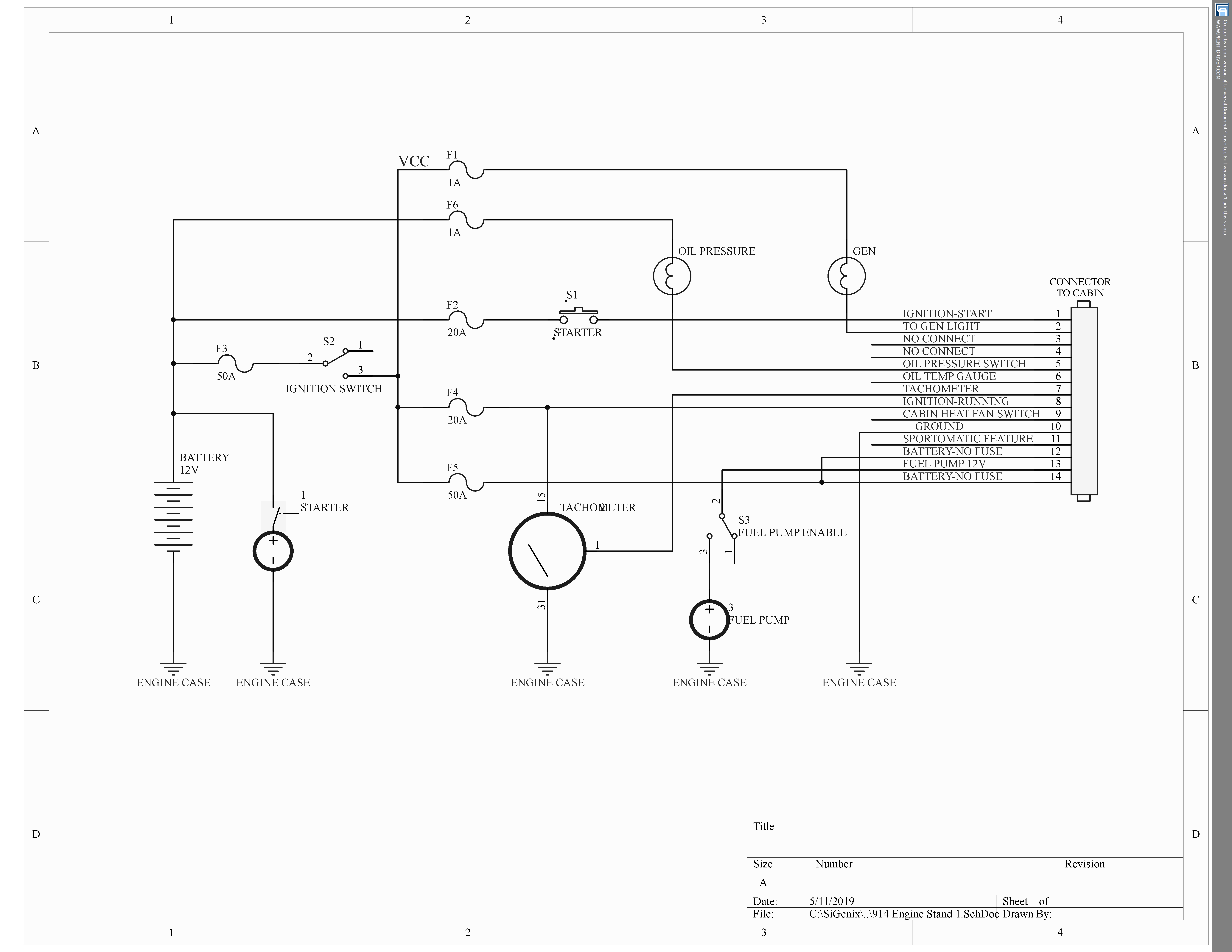
Spoke Maybe this schematic can clear up some questions. ... May 11 2019, 09:09 PM
Spoke This is the type of positive battery cable to use.... May 11 2019, 09:17 PM
doug_b_928 That's very helpful, and professional, thanks ... May 12 2019, 07:05 AM
doug_b_928 I purchased this switch for the VCC switch and sta... May 15 2019, 05:01 PM
doug_b_928 In thinking about it, I’m guessing that I had th... May 15 2019, 08:54 PM
doug_b_928 Overthinking, again... I’ve realized that I had... May 16 2019, 03:15 PM
doug_b_928 Many thanks to Spoke for all of his helpful inform... May 16 2019, 05:02 PM
doug_b_928 I finally got my engine run stand completed. It t... May 23 2019, 08:51 PM
bbrock Wow Doug! That is the mother of all run stand... May 23 2019, 08:56 PM
Superhawk996 :D Nice stand. Great job!
I'll likely ... May 24 2019, 03:44 AM
doug_b_928 Thanks guys. I didn’t know that about break-in.... May 24 2019, 06:17 AM
Superhawk996
Thanks guys. I didn’t know that about break-in... May 24 2019, 06:50 AM
VaccaRabite The break in that I used is the Raby method from m... May 24 2019, 07:08 AM
doug_b_928 Interesting info on break-in, guys. Jake's me... May 25 2019, 07:30 AM
Superhawk996 I was wondering what you were going to do with tha... May 25 2019, 07:55 AM
doug_b_928 Well....I admit that some leaked on the concrete b... May 25 2019, 10:52 AM
cary Thanks doug b 928, Jack and I are about ready to s... Nov 28 2019, 10:31 AM
doug_b_928 Post up some pics/link to vid when you get it done... Nov 28 2019, 10:40 AM
cary D Jet was just plug and play coming out of the rel... Nov 28 2019, 10:43 AM
doug_b_928 I'm not sure exactly what you're asking. ... Nov 28 2019, 10:46 AM
cary That was the question. As it is.
Didn't see a... Nov 28 2019, 11:13 AM
cary Here's a couple shots of our progress. Engine ... Dec 21 2019, 01:19 PM
doug_b_928 Looks really nice Cary! Dec 22 2019, 07:54 AM
BeatNavy That is a super sweet setup, Cary. Wouldn't e... Dec 22 2019, 08:10 AM
Spoke Nice looking stands. One thing I noticed about th... Dec 22 2019, 09:28 AM
cary Spoke ???
I ran separate fused wires to 12 & ... Dec 30 2019, 11:12 AM
Spoke
Spoke ???
I ran separate fused wires to 12 ... Jan 2 2020, 10:06 AM
cary After sitting 8 years assembled the DP engine fina... Jan 2 2020, 09:46 AM![]() ![]() |
|
Lo-Fi Version | Time is now: 16th April 2026 - 01:43 AM |
| All rights reserved 914World.com © since 2002 |
|
914World.com is the fastest growing online 914 community! We have it all, classifieds, events, forums, vendors, parts, autocross, racing, technical articles, events calendar, newsletter, restoration, gallery, archives, history and more for your Porsche 914 ... |