|
|

|
Porsche, and the Porsche crest are registered trademarks of Dr. Ing. h.c. F. Porsche AG.
This site is not affiliated with Porsche in any way. Its only purpose is to provide an online forum for car enthusiasts. All other trademarks are property of their respective owners. |
|
|
| wndsnd |
May 17 2019, 07:53 PM
Post
#1
|
|
You wanted a horse, but got a goat. Nobody wants a goat.... ![]() ![]() ![]() ![]() Group: Members Posts: 2,861 Joined: 12-February 12 From: North Shore, MA Member No.: 14,124 Region Association: North East States |
My fuel pump is in the front.
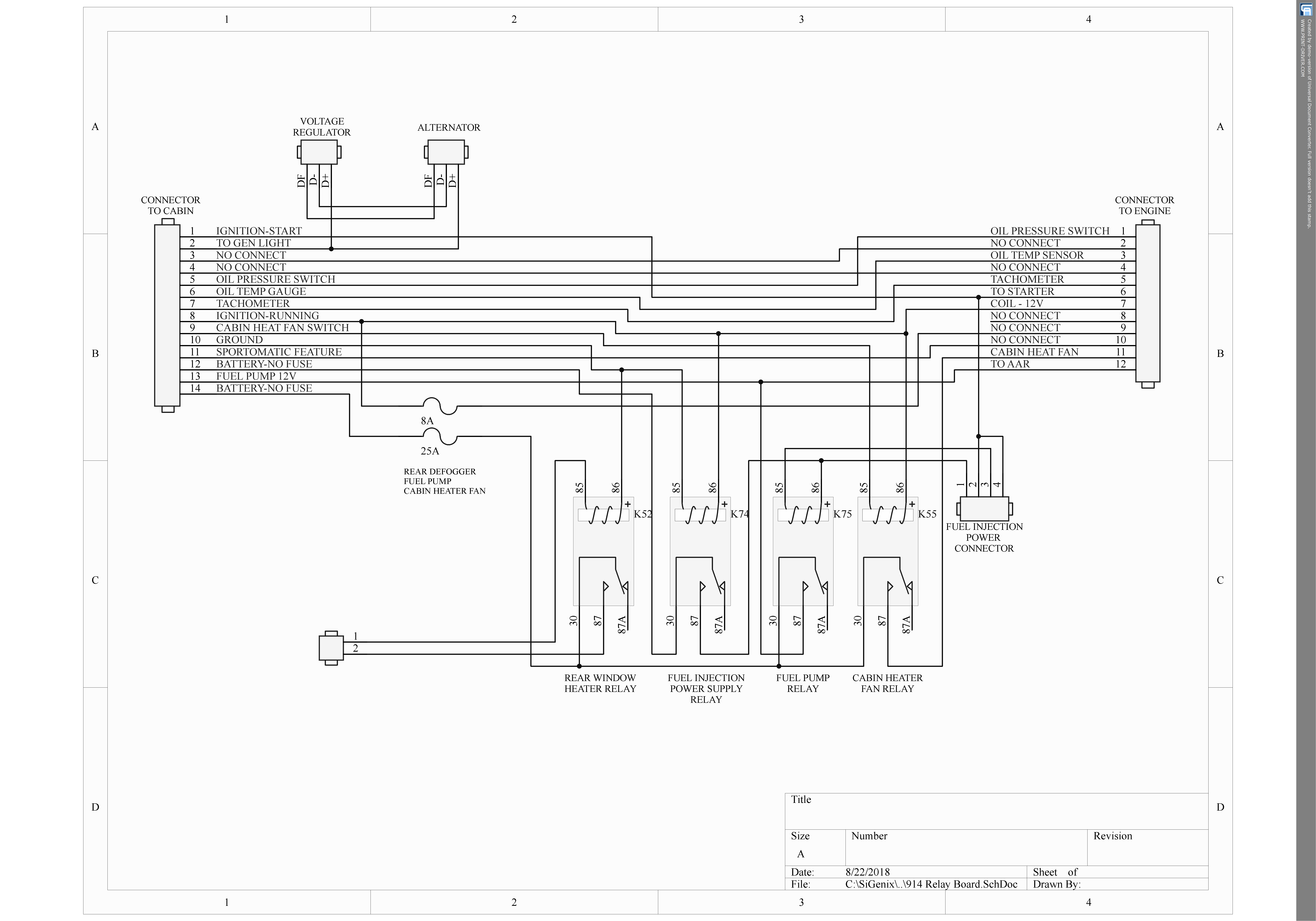
It is fed by the original wiring at the rear suspension point If I power the fuel pump from an auxiliary 12 volt source fed from the rear, the pump runs. That eliminates the wiring from rear to front, and the pump. If I put a meter on the pump wiring at suspension point I get a reading of hundreds of volts. How do I get Hundreds of volts from a 12 volt circuit. I am guessing a short would cause amps, not volts. I have been changing relays, and the board. I did what Dave Darling mentions and checked out the #30 at both board relays. I had constant 12 V there I changed the fuses. Car was run hard in the rain for a couple of days. I suspect water got into something but where? Relay board was covered. Everything else seems ok. Maybe it is not water. What do you guys think? It has to be somewhere between the board and the wiring at suspension point. Is there another connector between the suspension point and the board? Lots of questions..... Sorry. Thanks |
wndsnd Fuel Pump Wiring Experts May 17 2019, 07:53 PM
Dave_Darling Hundreds of volts should only be possible if you... May 17 2019, 07:56 PM
wndsnd Dave, I see that pin 13 off the board feeds the pu... May 17 2019, 08:04 PM
wndsnd There is no coil but high voltage twin plug coil ... May 17 2019, 08:09 PM
Spoke I assume the car won't start because the fuel ... May 17 2019, 08:10 PM
wndsnd
I assume the car won't start because the fuel... May 17 2019, 08:15 PM

wndsnd
[quote name='Spoke' post='2714697' date='May 17 2... May 17 2019, 08:23 PM

wndsnd
[quote name='wndsnd' post='2714698' date='May 17 ... May 17 2019, 08:24 PM
worn Hi Spoke,
Is it reasonable to assume some sort of ... May 17 2019, 08:29 PM
Spoke
Hi Spoke,
Is it reasonable to assume some sort of... May 17 2019, 08:37 PM

wndsnd
Hi Spoke,
Is it reasonable to assume some sort o... May 17 2019, 08:42 PM
wndsnd
Hi Spoke,
Is it reasonable to assume some sort of... May 17 2019, 08:38 PM
Spoke
Hi Spoke,
Is it reasonable to assume some sort o... May 18 2019, 05:54 AM
wndsnd
[quote name='worn' post='2714706' date='May 17 2... May 18 2019, 09:43 AM
wndsnd
[quote name='Spoke' post='2714781' date='May 18 2... May 18 2019, 09:44 AM
wndsnd I will do the suggested tests tomorrow. Thank you... May 17 2019, 08:46 PM
mtndawg How many volts do you have on the positive (15) si... May 17 2019, 11:31 PM
wndsnd
How many volts do you have on the positive (15) s... May 18 2019, 09:43 AM
Specracer LONG SHOT question, is the battery fresh in your m... May 18 2019, 03:42 AM
wndsrfr
LONG SHOT question, is the battery fresh in your ... May 18 2019, 05:31 AM
wndsnd
LONG SHOT question, is the battery fresh in your... May 18 2019, 09:46 AM
Superhawk996 If your meter is operating correctly and you are g... May 18 2019, 10:29 AM
wndsnd Fixed!
I pulled the relay board and WD40... May 18 2019, 10:50 AM![]() ![]() |
|
Lo-Fi Version | Time is now: 21st December 2025 - 06:52 AM |
| All rights reserved 914World.com © since 2002 |
|
914World.com is the fastest growing online 914 community! We have it all, classifieds, events, forums, vendors, parts, autocross, racing, technical articles, events calendar, newsletter, restoration, gallery, archives, history and more for your Porsche 914 ... |