|
|

|
Porsche, and the Porsche crest are registered trademarks of Dr. Ing. h.c. F. Porsche AG.
This site is not affiliated with Porsche in any way. Its only purpose is to provide an online forum for car enthusiasts. All other trademarks are property of their respective owners. |
|
|
![]() ![]() |
| tvdinnerbythepool |
Sep 18 2019, 09:12 PM
Post
#1
|
|
Member ![]() ![]() Group: Members Posts: 310 Joined: 24-July 18 From: Olympia, WA Member No.: 22,336 Region Association: Pacific Northwest
|
Took my poor girlfriend suffering from a nasty cold out for some fresh air and to pick up dinner. Little did she know she'd get to push a 914 through a busy intersection at rush hour. (IMG:style_emoticons/default/driving.gif)
So here's the deal, the car quit right after I pulled up on the heater handle by the gear shift...well that's odd! Must be a coincidence. Got the car pushed to a parking lot, it cranked fine but I couldn't hear the fuel pump. So I checked and I blew the 15 amp fuse in the engine fuse box. Swapped out the fuse, problem solved! Fuel pump kicked back on and away we went! (Glad I finally got an "oh shit" bag in the frunk a couple of weeks ago, that's the FORD bag in the pic, don't judge! lol) When we got home, out of curiosity I pulled the heater handle up again, and son of a gun, it quit. Fuel pump silent, fuse blown! Can someone tell me to connection between pulling that handle and the fuel pump circuit?? (IMG:style_emoticons/default/hissyfit.gif) |
| PanelBilly |
Sep 18 2019, 10:02 PM
Post
#2
|
|
914 Guru ![]() ![]() ![]() ![]() ![]() Group: Members Posts: 5,948 Joined: 23-July 06 From: Kent, Wa Member No.: 6,488 Region Association: Pacific Northwest
|
When you pull the handle up it connects the circuit that turns the fan in the ngine compartment on. Maybe there’s a short in that wire.
|
| BeatNavy |
Sep 19 2019, 05:13 AM
Post
#3
|
|
Certified Professional Scapegoat ![]() ![]() ![]() ![]() Group: Members Posts: 2,960 Joined: 26-February 14 From: Easton, MD Member No.: 17,042 Region Association: MidAtlantic Region
|
(IMG:style_emoticons/default/agree.gif) Both heater fan and AAR shorts are known to blow fuse on relay board.
Good thread for this: http://www.914world.com/bbs2/index.php?showtopic=226061 Is your girlfriend still talking to you? |
| falcor75 |
Sep 19 2019, 05:39 AM
Post
#4
|
|
Senior Member ![]() ![]() ![]() Group: Members Posts: 1,579 Joined: 22-November 12 From: Sweden Member No.: 15,176 Region Association: Scandinavia
|
Show us your engine bay and it might be easier to diagnose. Do you have the fan in the engine bay? is the wiring connected? hows the condition of the relay board?
|
| Superhawk996 |
Sep 19 2019, 05:48 AM
Post
#5
|
|
914 Guru ![]() ![]() ![]() ![]() ![]() Group: Members Posts: 7,732 Joined: 25-August 18 From: Woods of N. Idaho Member No.: 22,428 Region Association: Galt's Gulch
|
If she was willing to push a 914, with a cold and hasn't left you . . . . marry her ASAP! (IMG:style_emoticons/default/biggrin.gif)
|
| Superhawk996 |
Sep 19 2019, 05:57 AM
Post
#6
|
|
914 Guru ![]() ![]() ![]() ![]() ![]() Group: Members Posts: 7,732 Joined: 25-August 18 From: Woods of N. Idaho Member No.: 22,428 Region Association: Galt's Gulch
|
On a more serious note. Electrical work doesn't lend itself to guesswork.
If you don't already have one - get the Haynes manual with wiring diagrams and a Digital Multi-Meter (DMM) at HF. They aren't expensive ($30?). With those two items you can solve any wiring issue on a 914 with patience and the half-splitting method. This method of troubleshooting electrical problems will save you a ton of time if you apply it with rigor. It is the method taught by USAF technical training. It works and it is the fastest way to find an unknown problem. https://www.ecmweb.com/ops-amp-maintenance/...-half-splitting If the link above doesn't makes sense to you for whatever reason, Google half-split troubleshooting and find an article that you fully understand and then implement the method. It works. It works even better on complex systems and it works even better when you're under immense pressure to get something fixed fast. In short it works - I've used this method for over 30 years since it was taught to me by USAF in tech school for electronics. |
| tvdinnerbythepool |
Sep 19 2019, 08:01 AM
Post
#7
|
|
Member ![]() ![]() Group: Members Posts: 310 Joined: 24-July 18 From: Olympia, WA Member No.: 22,336 Region Association: Pacific Northwest
|
Thanks for the input guys!
First, heck yeah she's a keeper and IS still talking to me, lol I figured out by process of elimination that I'd flipped the blower wires in the engine bay. Didn't know that it mattered on that, but now I do! I had just swapped in the new ignition harness from 914rubber and hadn't tested the heater until last night. @mikey914 could you confirm in the pic below that the white wire goes to the AAR....not sure where the green/black goes. (1970 1.7L djet) I'll be reading up on halfsplitting and I've got the manuals to help diagnose. As we worriedly limped home, the gauges were nicely illuminated by @mikey914 LED bulbs! |
| tvdinnerbythepool |
Sep 19 2019, 08:05 AM
Post
#8
|
|
Member ![]() ![]() Group: Members Posts: 310 Joined: 24-July 18 From: Olympia, WA Member No.: 22,336 Region Association: Pacific Northwest
|
Never mind, I was able to figure out from the haynes diagram that White goes to AAR and green black is optional temp gauge.
|
| Superhawk996 |
Sep 19 2019, 11:10 AM
Post
#9
|
|
914 Guru ![]() ![]() ![]() ![]() ![]() Group: Members Posts: 7,732 Joined: 25-August 18 From: Woods of N. Idaho Member No.: 22,428 Region Association: Galt's Gulch
|
You’re on your way. Good job!
Once you can read a wiring diagram and 1/2 split, you can fix anything. |
| Mikey914 |
Sep 20 2019, 01:38 PM
Post
#10
|
|
The rubber man ![]() ![]() ![]() ![]() ![]() ![]() ![]() ![]() ![]() ![]() Group: Members Posts: 12,772 Joined: 27-December 04 From: Hillsboro, OR Member No.: 3,348 Region Association: None
|
Sorry was on a trip. We did label the others, so hopefully that was easier.
Mark |
| jim_hoyland |
Sep 21 2019, 11:52 AM
Post
#11
|
|
Get that VIN ? ![]() ![]() ![]() ![]() ![]() ![]() ![]() ![]() ![]() ![]() Group: Members Posts: 10,029 Joined: 1-May 03 From: Sunset Beach, CA Member No.: 643 Region Association: Southern California
|
Good find; that Heater handle closes the ground circuit normally; did this myself way-back.
Good to have a meter and test light in your tool bag... (IMG:style_emoticons/default/smile.gif) |
| Spoke |
Sep 21 2019, 02:14 PM
Post
#12
|
|
Jerry ![]() ![]() ![]() ![]() ![]() Group: Members Posts: 7,349 Joined: 29-October 04 From: Allentown, PA Member No.: 3,031 Region Association: None
|
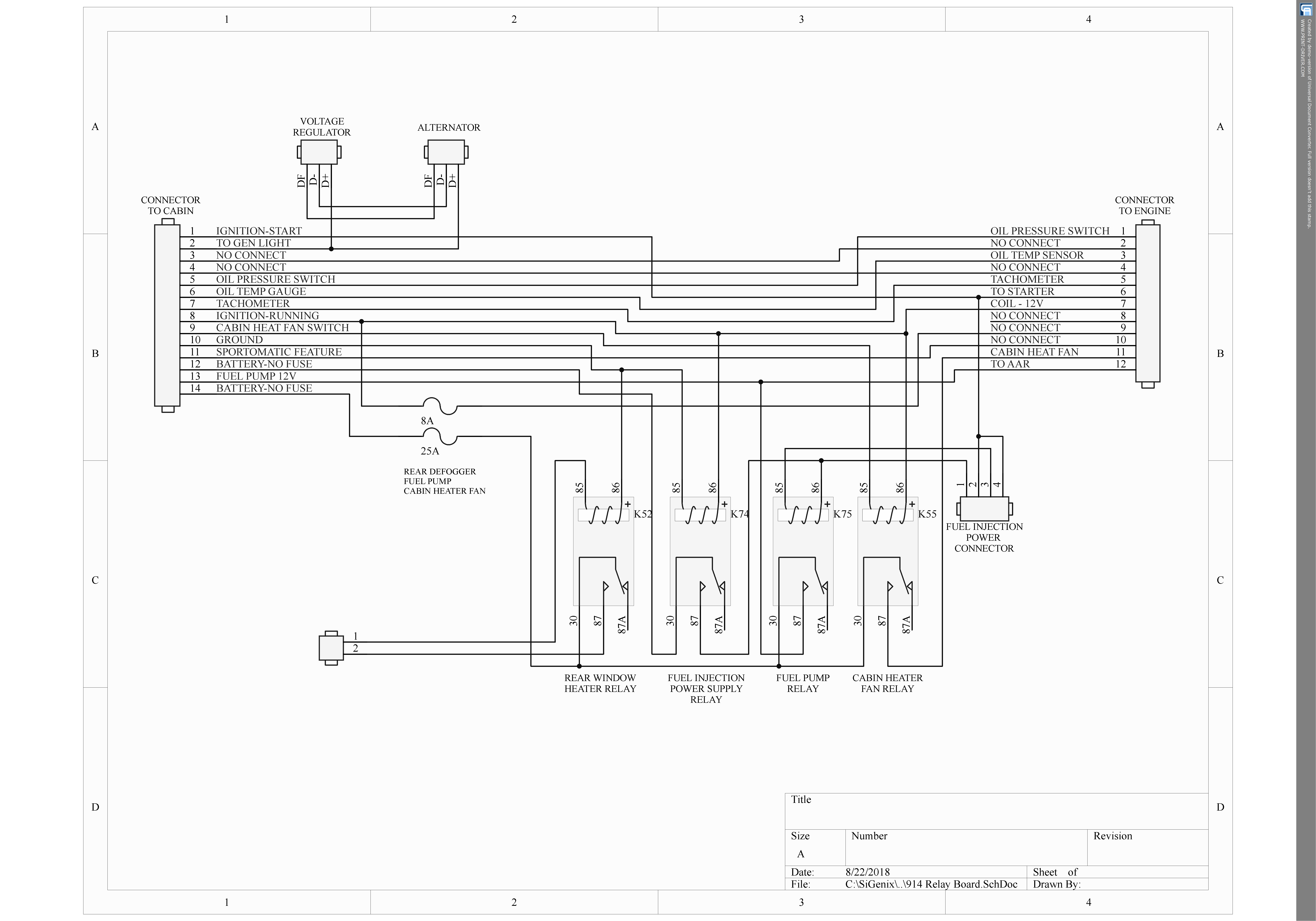
Check out the schematic for the relay board below. The cabin heater fan is powered by the same 25A fuse as the fuel pump. Pull on the cabin heater lever and the fan turns on through relay K55. If there's something wrong with the fan or the wiring, the 25A fuse will blow and the fuel pump will stop along with your car.
Attached thumbnail(s) |
| Spoke |
Sep 21 2019, 02:17 PM
Post
#13
|
|
Jerry ![]() ![]() ![]() ![]() ![]() Group: Members Posts: 7,349 Joined: 29-October 04 From: Allentown, PA Member No.: 3,031 Region Association: None
|
|
| johnhora |
Sep 21 2019, 02:56 PM
Post
#14
|
|
Senior Member ![]() ![]() ![]() Group: Members Posts: 902 Joined: 7-January 03 From: Derby City KY Member No.: 107 Region Association: None
|
...blew the 15 amp fuse... It is a 25A fuse. Make sure the fuse is 25A. They are usually the Blue colored ones... https://www.amazon.com/Bussmann-GBC-25-Auto...s/dp/B000CFBEVM ![]() |
| Larmo63 |
Sep 21 2019, 03:03 PM
Post
#15
|
|
Advanced Member ![]() ![]() ![]() ![]() Group: Members Posts: 4,267 Joined: 3-March 14 From: San Clemente, Ca Member No.: 17,068 Region Association: Southern California |
Your girlfriend let's you go around driving a 914 with Rivieras on it?
Hmmmmm......... (IMG:style_emoticons/default/idea.gif) |
| rhodyguy |
Sep 21 2019, 04:52 PM
Post
#16
|
|
Chimp Sanctuary NW. Check it out. ![]() ![]() ![]() ![]() ![]() ![]() ![]() ![]() ![]() ![]() ![]() ![]() ![]() ![]() ![]() Group: Members Posts: 22,252 Joined: 2-March 03 From: Orion's Bell. The BELL! Member No.: 378 Region Association: Galt's Gulch |
Squeezing shoes over wheels? (IMG:style_emoticons/default/WTF.gif) We'll see.....it's a pretty nice car. Even with Rivs.
|
| tvdinnerbythepool |
Sep 21 2019, 08:06 PM
Post
#17
|
|
Member ![]() ![]() Group: Members Posts: 310 Joined: 24-July 18 From: Olympia, WA Member No.: 22,336 Region Association: Pacific Northwest
|
@spoke and @johnhora wilco on the 25amp fuse, I have a bunch of spares in the "oh shit" bag.
and dang...i've been called out TWICE in the last 2 days about my wheels. I see how it is! You judgmental bastards (IMG:style_emoticons/default/type.gif) (IMG:style_emoticons/default/KMA.gif) (IMG:style_emoticons/default/KMA.gif) (IMG:style_emoticons/default/KMA.gif) (IMG:style_emoticons/default/KMA.gif) Not sure what I want to do with the wheels yet. I'm a year in now and have fixed a bunch of stuff, suspension and brakes are this winters project and hopefully get some new wheels too. |
| iankarr |
Sep 21 2019, 08:23 PM
Post
#18
|
|
The wrencher formerly known as Cuddy_K ![]() ![]() ![]() ![]() Group: Members Posts: 2,593 Joined: 22-May 15 From: Heber City, UT Member No.: 18,749 Region Association: Intermountain Region
|
Glad you got it all sorted.
Not sure it qualifies as an "official" breakdown if you don't end up on a flatbed...(IMG:style_emoticons/default/wink.gif) |
| Larmo63 |
Sep 21 2019, 11:47 PM
Post
#19
|
|
Advanced Member ![]() ![]() ![]() ![]() Group: Members Posts: 4,267 Joined: 3-March 14 From: San Clemente, Ca Member No.: 17,068 Region Association: Southern California |
I'm a judgmental a__hole.
Don't mind me, your car looks nice! Good thing you had your girlfriend there to push you off of the street. |
| RickS |
Sep 22 2019, 12:24 AM
Post
#20
|
|
Senior Member ![]() ![]() ![]() Group: Members Posts: 1,408 Joined: 17-April 06 From: 'False City', WA Member No.: 5,880 Region Association: None |
I agree, no flatbed, no breakdown. But it was a righteous save! And your gf is a keeper
|
![]() ![]() |
|
Lo-Fi Version | Time is now: 5th March 2026 - 11:16 PM |
| All rights reserved 914World.com © since 2002 |
|
914World.com is the fastest growing online 914 community! We have it all, classifieds, events, forums, vendors, parts, autocross, racing, technical articles, events calendar, newsletter, restoration, gallery, archives, history and more for your Porsche 914 ... |