|
|

|
Porsche, and the Porsche crest are registered trademarks of Dr. Ing. h.c. F. Porsche AG.
This site is not affiliated with Porsche in any way. Its only purpose is to provide an online forum for car enthusiasts. All other trademarks are property of their respective owners. |
|
|
| drifter914 |
Mar 15 2020, 11:03 AM
Post
#1
|
|
drifter914 ![]() ![]() Group: Members Posts: 50 Joined: 12-May 13 From: pearce, arizona 85625 Member No.: 15,863 Region Association: Southwest Region |
I have seen these before, just can't remember who offered them.
Not interested in the AA option. Thanks in advance... |
drifter914 In color wiring diagram... Mar 15 2020, 11:03 AM
FlacaProductions https://colorwiringdiagrams.com/products?keywords=... Mar 15 2020, 11:18 AM
Bleyseng
I have seen these before, just can't remember... Mar 15 2020, 11:30 AM
Cairo94507 I believe it was a guy named Zappos who did the fu... Mar 15 2020, 12:39 PM
injunmort prosperos garage.com Mar 15 2020, 12:57 PM
mepstein
prosperos garage.com
:agree:
They also sell th... Mar 15 2020, 01:00 PM
FlacaProductions Prospero's is my link in post #2 Mar 15 2020, 01:28 PM
drifter914 Thank you so much guys ! You've done it a... Mar 15 2020, 03:17 PM
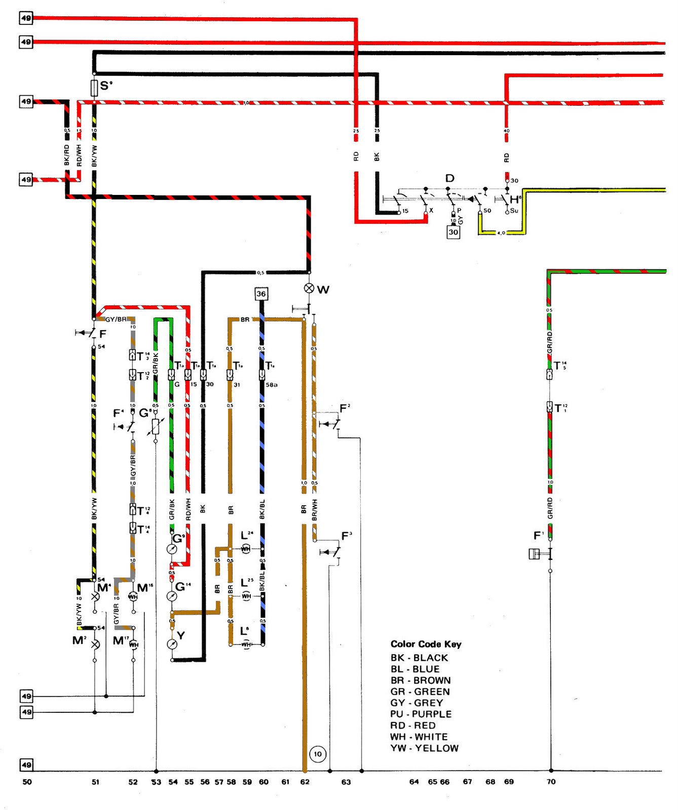
eric914 I have these. They are for a 1975. Not sure wher... Mar 16 2020, 10:47 AM
dr914@autoatlanta.com you could have someone copy the section from an ol... Mar 16 2020, 10:50 AM
lierofox
you could have someone copy the section from an o... Mar 16 2020, 11:20 AM
ClayPerrine
[quote name='dr914@autoatlanta.com' post='2794755... Mar 16 2020, 11:31 AM
Tom Sent you a PM. Do a search here as I posted '7... Mar 16 2020, 11:56 AM
914e I have a pdf of the 76 factory drawing that I have... Mar 16 2020, 03:14 PM
GregAmy http://web.archive.org/web/20160329145224/...al_di... Mar 16 2020, 03:57 PM
ctc911ctc Looks like GregAmy is a hard core referencing WayB... Mar 16 2020, 04:13 PM
GregAmy Nothing on the Internet disappears.
Think about t... Mar 16 2020, 04:46 PM
lalee914 You can find the complete set of factory 914 works... Feb 23 2021, 12:37 PM![]() ![]() |
|
Lo-Fi Version | Time is now: 26th December 2025 - 02:03 AM |
| All rights reserved 914World.com © since 2002 |
|
914World.com is the fastest growing online 914 community! We have it all, classifieds, events, forums, vendors, parts, autocross, racing, technical articles, events calendar, newsletter, restoration, gallery, archives, history and more for your Porsche 914 ... |