|
|

|
Porsche, and the Porsche crest are registered trademarks of Dr. Ing. h.c. F. Porsche AG.
This site is not affiliated with Porsche in any way. Its only purpose is to provide an online forum for car enthusiasts. All other trademarks are property of their respective owners. |
|
|
| Van B |
Nov 7 2021, 04:01 PM
Post
#141
|
|
Senior Member ![]() ![]() ![]() Group: Members Posts: 1,621 Joined: 20-October 21 From: WR, GA Member No.: 26,011 Region Association: None
|
Ok fellas, here’s the run down Aux Air Regulator (AAR) and Cold Start Valve (CSV)/injector both work fine. Many of you have also been keeping up with my high idle issue that we figured out.
But yet, when the car is cold, i.e. room temp, I don’t get the high idle I should on start-up. Instead she cranks a bit and then lumbers to life. Idle lopes around 700-800rpm and then smooths out as it warms. In all other aspects of operation, the engine seems to be pretty happy. Thoughts? Experience? (IMG:style_emoticons/default/confused24.gif) -Van See post #419 on page 14 for a synopsis of the outcome. |
Van B ‘74 1.8L L-Jetronic Cold Start Low Idle Nov 7 2021, 04:01 PM
emerygt350 Hmmm.... Are you sure about the aar? Just unplug... Nov 7 2021, 04:13 PM
Van B I took off the AAR and put 12v to it and watched i... Nov 7 2021, 04:23 PM
emerygt350 The aar may work but I would still just pull it a... Nov 7 2021, 04:47 PM
wonkipop mine does the same.
have done all the checks back... Nov 7 2021, 04:50 PM
Van B So, I pulled the CSV/injector today and put some t... Nov 7 2021, 05:05 PM
wonkipop
So, I pulled the CSV/injector today and put some ... Nov 8 2021, 03:28 AM
emerygt350 According to the manuals that is all it is suppose... Nov 7 2021, 07:21 PM
emerygt350 I would add that mine starts right up and it does ... Nov 7 2021, 07:24 PM
wonkipop ps @Van B
part of my conversation with mike today... Nov 8 2021, 04:39 AM
Van B The temp switch is an interesting point. If in fa... Nov 8 2021, 09:17 AM
wonkipop
The temp switch is an interesting point. If in f... Nov 8 2021, 04:16 PM
emerygt350
The temp switch is an interesting point. If in ... Nov 8 2021, 05:30 PM
Van B We need an online database for all these manuals. ... Nov 8 2021, 05:44 PM
Van B Is the cylinder head temp sensor the one on top of... Nov 8 2021, 07:16 PM
wonkipop
Is the cylinder head temp sensor the one on top o... Nov 8 2021, 07:28 PM
Van B I was hoping you wouldn’t tell me that was the C... Nov 8 2021, 07:49 PM
wonkipop there is a technique for getting it out.
and the ... Nov 8 2021, 08:07 PM
Van B Wonki, I will pay you money for that manual! G... Nov 8 2021, 08:25 PM
wonkipop
Wonki, I will pay you money for that manual! ... Nov 8 2021, 09:18 PM
wonkipop here you are Van,
found it for you.
http://p914-6... Nov 8 2021, 08:47 PM
Van B Oh man this is gold! Thank you good Sir! Nov 8 2021, 08:52 PM
wonkipop
Oh man this is gold! Thank you good Sir!
... Nov 8 2021, 09:06 PM
Van B Mine came with a lifetime of records, even the ori... Nov 8 2021, 10:59 PM
wonkipop thats great. sounds like you picked up a real nic... Nov 8 2021, 11:37 PM
StratPlayer I just had a microsquirt sys. installed on my 2.0.... Nov 9 2021, 01:09 PM
wonkipop @Van B
i just realised you are in maryland?
wher... Nov 10 2021, 04:34 PM
Van B I’m an Air Force transplant here since 2019. My ... Nov 10 2021, 06:57 PM
wonkipop keep us posted on the sensor.
yes texas, went the... Nov 11 2021, 01:07 AM
Van B So, I just googled that address. Kinda sad to see ... Nov 11 2021, 07:58 AM
wonkipop
So, I just googled that address. Kinda sad to see... Nov 11 2021, 04:06 PM
wonkipop
So, I just googled that address. Kinda sad to see... Nov 11 2021, 04:07 PM
Van B Ok folks, I’m trying to be cool here, but I canâ... Nov 11 2021, 11:03 AM
StarBear On my 74 1.8L, I use NGK BP6ES. The BP6S are a bit... Nov 11 2021, 03:02 PM
Van B
On my 74 1.8L, I use NGK BP6ES. The BP6S are a bi... Nov 11 2021, 03:57 PM
Van B Well, now that I have four plugs that fit, the car... Nov 11 2021, 03:54 PM
emerygt350
getting the oil pressure up as quickly as you ca... Nov 11 2021, 04:01 PM
wonkipop
getting the oil pressure up as quickly as you c... Nov 11 2021, 04:13 PM
wonkipop i've just remembered something too about the h... Nov 11 2021, 04:39 PM
emerygt350 You can also do the reverse. You can pull the cle... Nov 11 2021, 05:24 PM
wonkipop yes @emerygt350 , that would all work to duplica... Nov 11 2021, 05:34 PM
StarBear
yes [b]@[url=http://www.914world.com/bbs2/index.... Nov 11 2021, 06:13 PM

wonkipop
yes [b]@[url=http://www.914world.com/bbs2/index... Nov 11 2021, 07:04 PM
StarBear
yes [b]@[url=http://www.914world.com/bbs2/index.... Nov 11 2021, 06:19 PM
Van B Trouble with this little project is a I get like o... Nov 11 2021, 07:22 PM
emerygt350
Trouble with this little project is a I get like ... Nov 11 2021, 09:30 PM
Van B Hello all,
I figured this was worth adding to the ... Nov 12 2021, 04:14 PM
wonkipop good stuff.
the late cap'n krusty had red hot... Nov 12 2021, 05:01 PM
Van B I read those pages earlier today and successfully ... Nov 12 2021, 05:23 PM
wonkipop
I read those pages earlier today and successfully... Nov 12 2021, 06:18 PM
Van B Found this on the YouTubes:
FGEvf16nNQM
This is e... Nov 12 2021, 05:44 PM
StarBear
Found this on the YouTubes:
FGEvf16nNQM
This is ... Nov 12 2021, 06:34 PM
wonkipop @Van B & [b]@[url=http://www.914world.com/b... Nov 13 2021, 06:05 PM
emerygt350 You have to do the aar tests. They cost nothing a... Nov 13 2021, 08:48 PM
wonkipop i just did a cool start.
its about 4.5 hours later... Nov 13 2021, 09:45 PM
wonkipop i also have just had one other thought for Van B.
... Nov 13 2021, 10:03 PM
Van B Lots of science going on down under today lol... Nov 13 2021, 10:34 PM
Van B Forgot to attach this: Nov 13 2021, 10:56 PM
wonkipop :)
re timing.
thats why i am leaving all this al... Nov 13 2021, 11:12 PM
Van B That makes sense to me. That injector definitely p... Nov 14 2021, 07:03 AM
emerygt350 Pull it off the air cleaner and cap it with your t... Nov 14 2021, 07:28 AM
Van B
Pull it off the air cleaner and cap it with your ... Nov 14 2021, 07:43 AM
emerygt350 Forceps don't give the best seal. Is it hard ... Nov 14 2021, 07:56 AM
StarBear All great stuff, mates! My flaps are on and w... Nov 14 2021, 07:59 AM
Van B I'm using the forceps to see if the engine wan... Nov 14 2021, 08:00 AM
wonkipop
I'm using the forceps to see if the engine wa... Nov 14 2021, 03:49 PM
StarBear Here's my Virgo Engineer testing this AM:
Tune... Nov 14 2021, 11:01 AM
emerygt350 It was 30F this morning. Took almost 8 minutes of... Nov 14 2021, 11:15 AM

wonkipop
It was 30F this morning. Took almost 8 minutes o... Nov 14 2021, 02:38 PM
Van B
Here's my Virgo Engineer testing this AM:
Tun... Nov 14 2021, 11:54 AM
StarBear
SB, what is your idle set at?
That's not muc... Nov 14 2021, 03:11 PM
Van B Ok that’s good info. So, your cold start high id... Nov 14 2021, 03:41 PM
wonkipop here is what mike (mechanic) had to say after i sh... Nov 15 2021, 03:58 AM
emerygt350 Yeah, definitely if you are going to pull off the ... Nov 15 2021, 12:26 PM
wonkipop
Yeah, definitely if you are going to pull off the... Nov 15 2021, 06:48 PM
emerygt350 Yes this is way different ljet to djet but the aar... Nov 15 2021, 07:04 PM
Porschef I’m running Ljet on a 2056 with a 9550 cam
Cold... Nov 15 2021, 10:13 AM
Van B That's right wonki. Bypassing the AFM will thr... Nov 15 2021, 07:17 PM
Van B Emery, AFM is attached to the air filter housing. ... Nov 15 2021, 07:23 PM
emerygt350
Emery, AFM is attached to the air filter housing.... Nov 15 2021, 07:40 PM
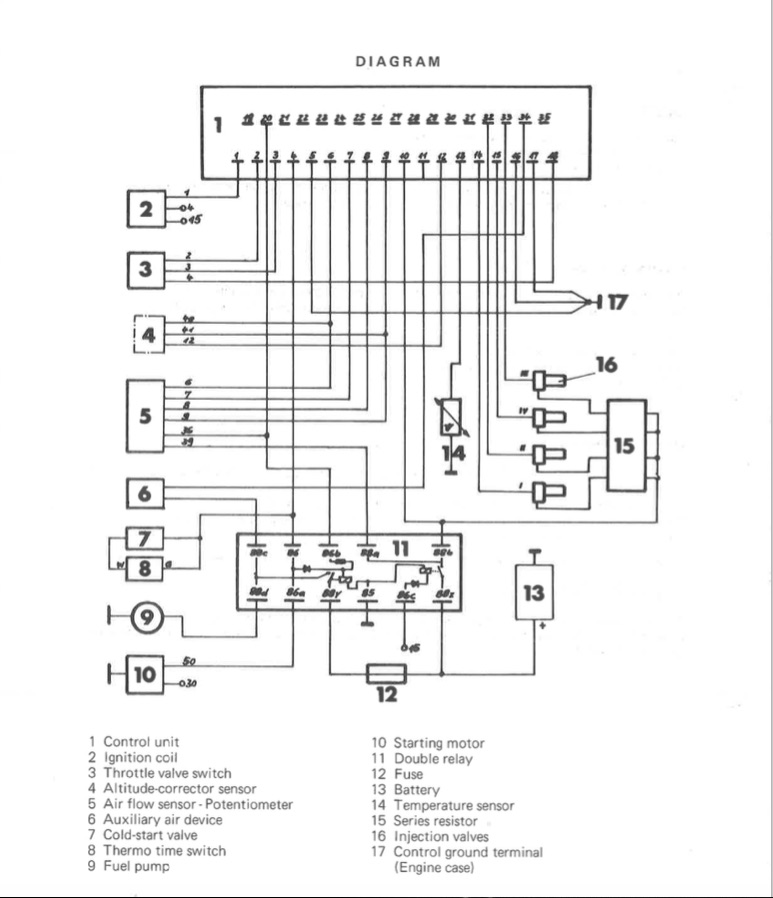
emerygt350 Wow, so basically a pot on the throttle and a TPS ... Nov 15 2021, 07:52 PM
wonkipop
Wow, so basically a pot on the throttle and a TPS... Nov 15 2021, 07:59 PM

Van B
Wow, so basically a pot on the throttle and a TP... Nov 15 2021, 08:06 PM

emerygt350 Not sure if I would say simpler than djet, possibl... Nov 15 2021, 08:14 PM

wonkipop
[quote name='wonkipop' post='2960186' date='Nov 1... Nov 15 2021, 08:31 PM
ClayPerrine
Wow, so basically a pot on the throttle and a TPS... Nov 16 2021, 09:57 AM
emerygt350 Crazy. I am surprised just the flapper can tell t... Nov 16 2021, 12:38 PM
ClayPerrine
Crazy. I am surprised just the flapper can tell ... Nov 16 2021, 12:48 PM
wonkipop @emery350gt :)
thats the point of L jet.
its a... Nov 15 2021, 07:56 PM
wonkipop the master has arrived ( @[url=http://www.914world... Nov 17 2021, 01:40 AM
Van B
the master has arrived ( @[url=http://www.914worl... Nov 17 2021, 02:46 PM
StarBear
the master has arrived ( @[url=http://www.914worl... Nov 17 2021, 03:58 PM
wonkipop
[quote name='wonkipop' post='2960483' date='Nov 1... Nov 17 2021, 04:21 PM
ClayPerrine I don't see why you have to fix them....
You ... Nov 17 2021, 07:59 AM
StarBear
I don't see why you have to fix them....
You... Nov 17 2021, 09:17 AM
Van B
I don't see why you have to fix them....
You... Nov 17 2021, 02:48 PM
ClayPerrine
[quote name='ClayPerrine' post='2960527' date='No... Nov 17 2021, 03:25 PM
Big Len Thanks Clay !!! Nov 17 2021, 09:52 AM
Van B Ah ok hahaha. Yeah, I’m into FLAPS! Nov 17 2021, 03:34 PM
wonkipop Thanks for the datsun tip @ClayPerrine .
think i ... Nov 17 2021, 04:02 PM![]() ![]() |
|
Lo-Fi Version | Time is now: 6th February 2026 - 12:59 PM |
| All rights reserved 914World.com © since 2002 |
|
914World.com is the fastest growing online 914 community! We have it all, classifieds, events, forums, vendors, parts, autocross, racing, technical articles, events calendar, newsletter, restoration, gallery, archives, history and more for your Porsche 914 ... |