|
|

|
Porsche, and the Porsche crest are registered trademarks of Dr. Ing. h.c. F. Porsche AG.
This site is not affiliated with Porsche in any way. Its only purpose is to provide an online forum for car enthusiasts. All other trademarks are property of their respective owners. |
|
|
![]() ![]() |
| mcericmc |
Mar 15 2026, 10:43 AM
Post
#1
|
|
Newbie ![]() Group: Members Posts: 7 Joined: 30-June 21 From: Texas Member No.: 25,681 Region Association: None |
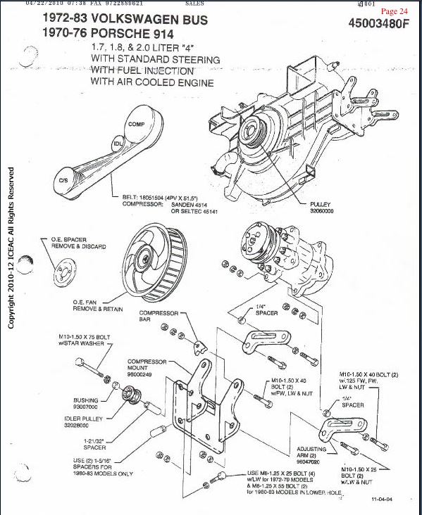
I could use some help with a DPD aftermarket A/C system I bought years ago, but never got around to installing because of my wife's health problems. I live in Texas, so A/C is a necessity during the 8 months of summer here.
I'm looking for pictures of the compressor mounted to the engine and pictures of the mounting bracket. I think I might be missing part of the bracket itself. I realize how slim the chances of finding any info is since these systems were kind of rare, but any help or leads to information would be greatly appreciated. Thanks. |
| Literati914 |
Mar 15 2026, 12:06 PM
Post
#2
|
|
Advanced Member ![]() ![]() ![]() ![]() Group: Members Posts: 2,222 Joined: 16-November 06 From: Dallas, TX Member No.: 7,222 Region Association: Southwest Region |
I'm not sure if this is the DPD system or which it may be..
It gives a descent over view though. I believe I still have original aftermarket bracketry that I'm not gonna be using, if you need something (in Texas too). Attached image(s)
|
| Ninja |
Mar 15 2026, 02:28 PM
Post
#3
|
|
Member ![]() ![]() Group: Members Posts: 183 Joined: 25-September 25 From: Granbury Texas Member No.: 29,004 Region Association: Southwest Region |
That is the first decent side mount system I've seen.
It's using a drop-dead dependable Sanden compressor, and it's driven by a serpentine belt. I'd use that in a heartbeat and I'm a picky anal bitch! For those who don't know I run an Automotive AC specialist shop in Granbury Texas. That is what I would have built had I decided to stay T4. That looks NICE!!!! (IMG:style_emoticons/default/ninja.gif) |
| 914Sixer |
Mar 15 2026, 02:32 PM
Post
#4
|
|
914 Guru ![]() ![]() ![]() ![]() ![]() Group: Members Posts: 9,434 Joined: 17-January 05 From: San Angelo Texas Member No.: 3,457 Region Association: Southwest Region
|
There was another version that used a top mount where the later air pump mount was. No sheet metal cutting in engine compartment. No pictures though
DLee makes AC kit |
![]() ![]() |
|
Lo-Fi Version | Time is now: 15th March 2026 - 05:20 PM |
| All rights reserved 914World.com © since 2002 |
|
914World.com is the fastest growing online 914 community! We have it all, classifieds, events, forums, vendors, parts, autocross, racing, technical articles, events calendar, newsletter, restoration, gallery, archives, history and more for your Porsche 914 ... |