|
|

|
Porsche, and the Porsche crest are registered trademarks of Dr. Ing. h.c. F. Porsche AG.
This site is not affiliated with Porsche in any way. Its only purpose is to provide an online forum for car enthusiasts. All other trademarks are property of their respective owners. |
|
|
| Slick914 |
Jul 20 2007, 05:40 PM
Post
#1
|
|
Member ![]() ![]() Group: Members Posts: 236 Joined: 10-June 07 From: Lorain, OH Member No.: 7,802 |
As some of you know, I just bought this car a couple weeks ago. I'm seriously looking into doing a facelift on the car such as new paint, some interior, and detailing the engine bay. I pretty much know what needs to be done body and interior wise. Now I'm trying to determine what the engine bay will need. I'm not going for an original resto, and plan on keeping the carbs. I'm thinking it may just need a battery tray and painted. Some of the wiring looks ugly, so maybe that can be straightened up. Is that firewall pad stock or something that was added? Everything seems solid as far as rust goes. What looks bad to you guys?
Attached image(s)
|
Slick914 Is this a stock firewall pad? Jul 20 2007, 05:40 PM
dr914@autoatlanta.com
As some of you know, I just bought this car a cou... Jul 20 2007, 05:47 PM
Ferg That one to me appears not stock...
I don't ... Jul 20 2007, 06:02 PM
swl I'm thinking the same as Ferg. I also don... Jul 20 2007, 06:13 PM
Slick914 There are no horizontal splits. There are little t... Jul 20 2007, 06:25 PM
Headrage
Also, what were the brackets for that I have arro... Jul 20 2007, 06:49 PM
swl fuel injection relay panel
That says some major r... Jul 20 2007, 06:52 PM
Slick914
fuel injection relay panel
That says some major ... Jul 20 2007, 07:11 PM
swl yeah - that attaches to the relay panel - lol.
Wh... Jul 20 2007, 09:13 PM
Slick914
yeah - that attaches to the relay panel - lol.
W... Jul 20 2007, 09:18 PM
swl the lever opens a gate on the warm air elbow as we... Jul 20 2007, 09:47 PM
Slick914 Thanks for the help man. Looks like I have a bigge... Jul 20 2007, 09:50 PM
swl be careful - restoring it could be a huge job if t... Jul 20 2007, 10:02 PM
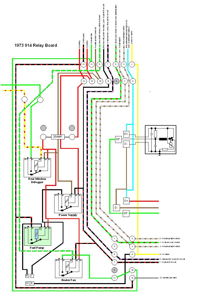
rhodyguy using the relay board is the BEST method for power... Jul 21 2007, 08:10 AM
Dave_Darling That looks like a non-stock firewall pad. No slit... Jul 21 2007, 10:04 AM
Slick914 Thanks for the explinations. I now have a better i... Jul 21 2007, 01:23 PM
swl with the relay you only need a small amount of cur... Jul 21 2007, 01:38 PM![]() ![]() |
|
Lo-Fi Version | Time is now: 24th December 2025 - 07:09 AM |
| All rights reserved 914World.com © since 2002 |
|
914World.com is the fastest growing online 914 community! We have it all, classifieds, events, forums, vendors, parts, autocross, racing, technical articles, events calendar, newsletter, restoration, gallery, archives, history and more for your Porsche 914 ... |