|
|

|
Porsche, and the Porsche crest are registered trademarks of Dr. Ing. h.c. F. Porsche AG.
This site is not affiliated with Porsche in any way. Its only purpose is to provide an online forum for car enthusiasts. All other trademarks are property of their respective owners. |
|
|
![]() ![]() |
| kpfoten |
Jul 6 2009, 09:03 PM
Post
#1
|
|
Member ![]() ![]() Group: Members Posts: 220 Joined: 15-April 08 From: Escanaba, MI Member No.: 8,927 Region Association: None |
'73 1.7L D Jet I'm not getting voltage to the fuel pump. Continuity from relay board connector to pump. Pump works with direct voltage. I'm getting 12V to relays. Both pump relay and main relay are good (run headlights and click). 12V to fuse both sides, new fuse. Tried measuring voltage to pump when I power on the key and crank. Looks like a small registration on my voltmeter (in the mV range). Also tried test light--no power. Visits to websites for fuel pump troubleshooting given in previous forums (testing relay board, etc) seem normal. Considering fuel injection harness/III connector--I can jump this to ground to see if the pump runs, correct?? Any other options? Thanks! |
| McMark |
Jul 7 2009, 01:23 PM
Post
#2
|
|
914 Freak! ![]() ![]() ![]() ![]() ![]() ![]() ![]() ![]() ![]() ![]() ![]() ![]() ![]() ![]() ![]() Group: Retired Admin Posts: 20,180 Joined: 13-March 03 From: Grand Rapids, MI Member No.: 419 Region Association: None |
QUOTE Considering fuel injection harness/III connector--I can jump this to ground to see if the pump runs, correct?? This terminal must be grounded to trigger the FP relay. Otherwise, no worky. You had the solution already. (IMG:style_emoticons/default/cool.gif) |
| swl |
Jul 7 2009, 06:14 PM
Post
#3
|
|
Senior Member ![]() ![]() ![]() Group: Members Posts: 1,409 Joined: 7-August 05 From: Kingston,On,Canada Member No.: 4,550 Region Association: Canada |
yes you're good to go with pulling that four pin connector and grounding pin III. That is what the ECU does. Key must be on of course. Consider lifting the power to your coil when testing to protect your points.
|
| Dr Evil |
Jul 7 2009, 07:16 PM
Post
#4
|
|
Send me your transmission! ![]() ![]() ![]() ![]() ![]() ![]() ![]() ![]() ![]() ![]() ![]() ![]() ![]() ![]() ![]() Group: Members Posts: 23,041 Joined: 21-November 03 From: Loveland, OH 45140 Member No.: 1,372 Region Association: MidAtlantic Region
|
Make sure that your AAR is not shorting your system, or your heater. Same circuit.
|
| 914_teener |
Jul 7 2009, 07:21 PM
Post
#5
|
|
914 Guru ![]() ![]() ![]() ![]() ![]() Group: Members Posts: 5,270 Joined: 31-August 08 From: So. Cal Member No.: 9,489 Region Association: Southern California |
|
| jimkelly |
Jul 7 2009, 08:13 PM
Post
#6
|
|
Delaware USA ![]() ![]() ![]() ![]() Group: Members Posts: 4,969 Joined: 5-August 04 From: Delaware, USA Member No.: 2,460 Region Association: MidAtlantic Region |
pin 3
Attached image(s)
|
| Dr Evil |
Jul 7 2009, 08:22 PM
Post
#7
|
|
Send me your transmission! ![]() ![]() ![]() ![]() ![]() ![]() ![]() ![]() ![]() ![]() ![]() ![]() ![]() ![]() ![]() Group: Members Posts: 23,041 Joined: 21-November 03 From: Loveland, OH 45140 Member No.: 1,372 Region Association: MidAtlantic Region
|
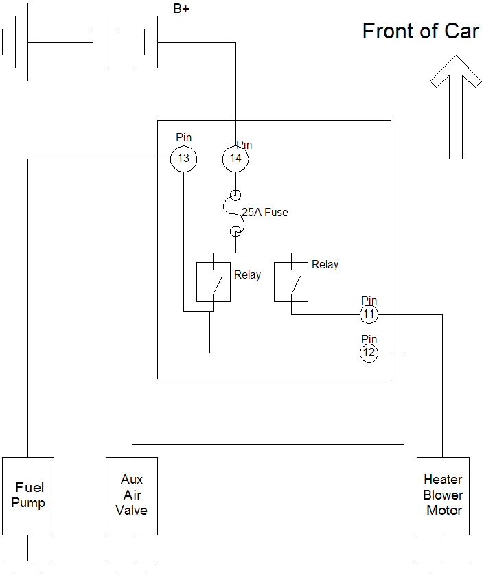
Here is my schematic to show what I was talking about.
Attached thumbnail(s) |
| kpfoten |
Jul 7 2009, 08:43 PM
Post
#8
|
|
Member ![]() ![]() Group: Members Posts: 220 Joined: 15-April 08 From: Escanaba, MI Member No.: 8,927 Region Association: None |
Great--thanks guys. The heater was disconnected and removed long ago. I will check the AAR. Will ground III and see what happens. Tell me about ECU ground?? |
| kpfoten |
Jul 7 2009, 09:16 PM
Post
#9
|
|
Member ![]() ![]() Group: Members Posts: 220 Joined: 15-April 08 From: Escanaba, MI Member No.: 8,927 Region Association: None |
Grounding III results in power to fuel pump. What's the next step? ECU/Harness? |
| swl |
Jul 7 2009, 10:07 PM
Post
#10
|
|
Senior Member ![]() ![]() ![]() Group: Members Posts: 1,409 Joined: 7-August 05 From: Kingston,On,Canada Member No.: 4,550 Region Association: Canada |
Yup - that's what I would do. Pull the harness off at the ECU (awkward if you have a backpad). Test the continuity of the wire that goes to III.
Not likely that the harness has gone bad but you may find the connector is corroded. If you go to Brad Anders site you'll find a complete list of checks that you can use to check the wiring harness. In addition to the III wire the +12V has to be good and the ground as well. Brad documents which pin is which on the harness. |
| kpfoten |
Jul 8 2009, 10:11 AM
Post
#11
|
|
Member ![]() ![]() Group: Members Posts: 220 Joined: 15-April 08 From: Escanaba, MI Member No.: 8,927 Region Association: None |
Yet another newbie mistake! I mis-read a thread about some white wires that come off the FI harness as being something associated with an altitude compensator (?). After further investigating and head scratching (because I KNEW there had to be grounds somewhere) and a quick review of Jeff Bowlsby's wiring harness map (thank you for that, Jeff), I realized that these three wires were actually grounds (numbers are clearly stamped on the wire)!! I was testing the FI harness and knew something was up because I wasn't getting a reading for the FI's and ECU ground... Anyway, I think I'll be in business when I ground these wires--where is the stock location for the grounds for these? I can't seem to find anything in the area other than maybe the coil ground?? Also there are two black wires that come out of the same harness as the oil temp wire (green/red?). I can't see any other coloring on the wires--Is the smaller one a ground to the coil and the fatter one positive to coil (Tach)? Thanks again guys--I might have this running soon! |
| underthetire |
Jul 8 2009, 11:00 AM
Post
#12
|
|
914 Guru ![]() ![]() ![]() ![]() ![]() Group: Members Posts: 5,062 Joined: 7-October 08 From: Brentwood Member No.: 9,623 Region Association: Northern California |
Mine grounded on a spade terminal on the engine. Under the plenum on the ECU side. If good there check your trans to body strap.
Attached image(s)
|
![]() ![]() |
|
Lo-Fi Version | Time is now: 14th March 2026 - 05:53 AM |
| All rights reserved 914World.com © since 2002 |
|
914World.com is the fastest growing online 914 community! We have it all, classifieds, events, forums, vendors, parts, autocross, racing, technical articles, events calendar, newsletter, restoration, gallery, archives, history and more for your Porsche 914 ... |