Help - Search - Members - Calendar
Full Version: Relay board diagram for 71
914World.com > The 914 Forums > 914World Garage
913B
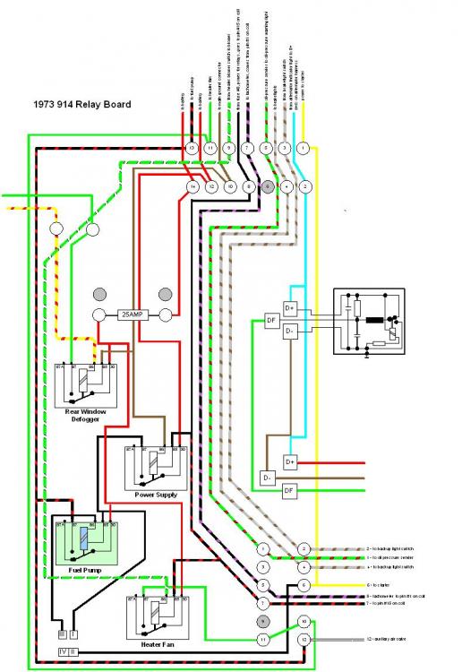
I was searching on the board and found one someone made up for 1974. Is there a color one 71 relay board diagram. Please post pic or link if you got it.
Thanks
Dave_Darling
Pelican has one in the Electrical Diagrams section.

http://www.pelicanparts.com/914/parts/elec...ric_71relay.jpg

--DD
913B
Thanks Dave. Do you know if all relay boards are wired the same or there is variations through out the years ??
Cap'n Krusty
The 4 cylinder boards are all the same, but the L-jet engine uses slightly different wiring. Oh, and the heater blower wiring differs early vs. late.

The Cap'n
913B
Got it. Thanks Cap'n
type47
'nother ...
Click to view attachment
This is a "lo-fi" version of our main content. To view the full version with more information, formatting and images, please click here.
Invision Power Board © 2001-2026 Invision Power Services, Inc.