alpha434
Jan 30 2007, 08:25 PM
Is it possible for a CV joint to slip out of the carrier without breaking? Mine is supported by just the boot right now, and I'm starting a new job tomorrow at 6am.
I need to know so I'll know exactly what I'm in for when I go to get my car tonight.
Thanks!
Rusty
Jan 30 2007, 08:29 PM
I would have to say... no. Did you rebuild your axles and forget to put the clip back on the end?
Congrats on the new job.
alpha434
Jan 30 2007, 08:31 PM
Nope. The axles are as they were from previous owner.
Can those screws loosen enough to let the cv joint slip out?
Rusty
Jan 30 2007, 08:37 PM
I was under the assumption, silly me, that you would have looked at the CV joint bolts.

I don't know if the bolts are long enough to do that. The CVs have the two pins to hold them in place, plus four bolts.
In fact, if the bolts are that loose, but still connected, how could the boot be the only thing holding it in place?
Can you better define your problem, Chris?
Brando
Jan 30 2007, 08:37 PM
Screws?
The only way the axle would slip out of the joint is if:
1) The circlip was left out (or broken)
2) the axle has snapped
3) the CV joint has broken
Rusty
Jan 30 2007, 08:39 PM
Brando is on target.
Andyrew
Jan 30 2007, 08:40 PM
there could be a hairline crack in the cage...
alpha434
Jan 30 2007, 08:46 PM
I don't have the car handy.
The problem is that the axle is floating. As in free moving I'm not getting any power to either of the wheels because of that (open differential.)
The axle it still attached to the transaxle via the ring. I don't have any clue as to what circlips should be there.
When I push the axle back in, it seems to lock. The problem is that I couldn't see anything because it's dark out. The entire thing failed as I was coming out of the parking lot of my local Chinese food takeout place.
There is no horrible grinding noise when I release the clutch, so I am hoping that nothing big is broken. But there could be something that I can't see or feel.
Brando
Jan 30 2007, 08:52 PM
Get the rear end in the air with some daylight.
The axle is floating... Which side? Transmission side? Trailing arm/stub axle side?
Even if the axle came out of the CV, you would still hear a grinding noise as the splines ground against the inner part of the CV joint -- either side.
Get the axle in question off, take the boots off and start looking at it. You won't be able to tell until you get them apart. Unless you have a limited slip in your gearbox (very doubtful) you're going to need a loaner car tomorrow.
alpha434
Jan 30 2007, 08:53 PM
I *did* check the bolts. They seemed somewhat tight. But on second thought, the ring could be cocked. I was kinda in a hurry. I'm entertaining guests.
alpha434
Jan 30 2007, 08:54 PM
Dude, Brando. Gotta have it running by 6 am tomorrow.
Yeah. Loaner car.... eck.
Rusty
Jan 30 2007, 08:54 PM
I'm guessing broken CV joint. if the bolts were so loose that the CV was turning, the boot would turn with it, as it's secured on the outside of the CV joint.
I guess it could be a clutch issue as well. I hope that you can get it on the road soon.
Rusty
Jan 30 2007, 08:56 PM
QUOTE
Even if the axle came out of the CV, you would still hear a grinding noise as the splines ground against the inner part of the CV joint -- either side.
Do you think that would be audible over engine noise? I'm not sure.
TROJANMAN
Jan 30 2007, 09:01 PM
chris,
post on the local board. someone near may be able to help you (kev or ben). do you have the 12pt tool?
i'd help, but i am mr. mom tonight.

I hope you have a garage.........single digits tonight
Brando
Jan 30 2007, 09:04 PM
It should/ would be audible over engine noise with your ear near the rear of the car.
Borked CVs have a distinct metal-on-metal-grinding-while-beating-a-live-goat-with-a-chainsaw sound to them.

Not to be an ass... but, you really really won't know what killed it or what is wrong until you get the axle in question off of the car and apart so you can look at it with your eyes. We can only point out possible causes. Any way you look at it... it's either a new CV joint, replacing the circlip, or (uh oh) tran$mi$$ion problem$.
Stop foolin around on the PC and get it offa there boy. C'mon, shouldn't take you more than 30 minutes (and it will entertain your guests too!)
alpha434
Jan 30 2007, 09:57 PM
F#in A!
It is COLD!!! Jesus.
It is indeed the axle. It isn't broken. The axle splines are pulled ALL the way out of the CV. The differential is definitely giving power to the CV. The axle is forced out in such a manner that there is no audible sound. I left it in 1st gear and went around to look, just to make sure. Don't try THAT at home.
Rusty
Jan 30 2007, 09:59 PM
Retaining clip is probably broken.
Open it up and get the pieces out before they go into your CV joint and get all chewed up.
alpha434
Jan 30 2007, 10:00 PM
Additionally, I couldn't remove the CV because I don't have a jack to get the rear end in the air. Or at least not a jack that I can carry 7 blocks. God. I need to find me a scissor jack to keep in that car. It gives me more goddamn problems.
You'd think that at 24 bucks an hour, I could just buy a Boxster and be done with the damn thing.
alpha434
Jan 30 2007, 10:02 PM
I'll make a point of getting that clip out. Where do I get a new clip, or is it a standard size?
Definitely won't make work tomorrow. CRAP! Never missed a first day before.
Andyrew
Jan 30 2007, 10:03 PM
You would think.
Go buy a mini jack, not a scissor jack.. They will fold out from under you.
I carry both, but never have trusted the scissor jack... honestly.
alpha434
Jan 30 2007, 10:05 PM
Damn it! That car is lucky that I'm in love with it! Son of a ...!!@#$! GAHHH!
Love makes men stupid. Be it unreliable cars or unreliable women.
alpha434
Jan 30 2007, 10:09 PM
Yeah, I agree with you, andrew. I don't trust any jack, to tell you the truth. If it goes up easily, it comes down easily. I'll get a jack stand to use in conjunction.
I HATE having to carry that kind of crap around because my car could "die at any moment." Ugh. God, I love that car.
John
Jan 30 2007, 10:16 PM
If you are really going to get it done tonight in the cold, you are going to freeze your ass off. This will take a while and at least one part.
The one part would be the circlip that retains the CV joint to the axle shaft. You had better hope that it is only the circlip once you get that far. Otherwise a complete axle with an outer stub axle would be almost as easy to swap in there.
If it was me, I would pay to tow the car someplace warm. I hate freezing to death. Knuckle busters in the cold really hurt.
I would unbolt the inner cv joint, try inspect the axle shaft to make sure there is still a snap ring groove, reinstall a snap ring and look for either the original snap ring or the pieces of a broken snap ring prior to reassembly.
In any event, you will need a portable light source and tools.
If all else fails:
Have your girlfriend drive you to your new job in the morning.
Crazyhippy
Jan 30 2007, 10:21 PM
It usually takes a press to install that retaining clip. This is not an easy side of the road repair. A new axle makes life 1000% easier.
And i can be the first to say, shoulda made the CV out of Titanium....

BJH
John
Jan 30 2007, 10:44 PM
QUOTE
It usually takes a press to install that retaining clip. This is not an easy side of the road repair. A new axle makes life 1000% easier.
I never needed a press.
alpha434
Jan 30 2007, 11:14 PM
UGh.
RSR CVs ARE titanium. They are soooo much easier. They have a little "box" with a rubber donut in it. One part fits loosely into the other, with the rubber in between the splines. (The rubber absorbs all the shock, and makes breaks nearly impossible.) I wish that were street technology.
Brando
Jan 31 2007, 10:28 AM
Update us, how har along did ya get?
alpha434
Jan 31 2007, 01:58 PM
How do I get the cv off the wheel hub? The bolts are on the wheel side? So I have to get the wheel up in the air. I'm going to have to haul a jack 7 blocks, aren't I?
In the light, I've found that the transmission mount on the passenger side fell, and that is what put the added load on the circlip.
My new company called me this morning and said everything was cool. So I've probably got a day or two to get this whole mess cleaned up.
Brando
Jan 31 2007, 02:20 PM
The CV bolts are on the inboard side of the wheel. I would suggest keeping the parking break on while trying to bust those lose. Shoot some brake cleaner in there as well to clean out any grime so you can get a good bite into those bolts. If you don't you'll strip out the heads. Do you have the triple square tool?
If I were local I'd give ya a hand, probably get a good trans mount for ya too.
Rusty
Jan 31 2007, 02:25 PM
I'm not sure how you know it's the circlip without removing the CV joint... but we'll make that assumption.
1. Loosen the inside CV joint bolts. You can snake your hands into the trailing arm with the CV joint tool and remove the bolts and then pry the CV joint off of the hub. Remove axle and sort out your problem. Reassembly is as difficult as disassembly. (hardest, but least steps)
2. First, loosen the inside CV joint bolts. Then remove the wheel, remove the castle nut and cotter pin and tap out the hub while hoping that you're not damaging the wheel bearing. You'll have to pull the axle, as there isn't a lot of lateral movement there. Next, separate the hub and CV, do whatever repair is required and reassemble. Be sure to torque the castle nut to about 250 foot/pounds. (easier, but not by much)
I'm headed back to bed and turning off my computer so I don't hear more email.

cheers,
Rusty
alpha434
Jan 31 2007, 02:28 PM
Yeah. Thanks, Brando.
The mount itself should be Ok. I need to replace the washer and locking nut. So the mount won't be a problem. That's what I get for not being under there in a few months. Could've early-detected the whole thing.
So the bolts are inside the trailing arm?
Brando
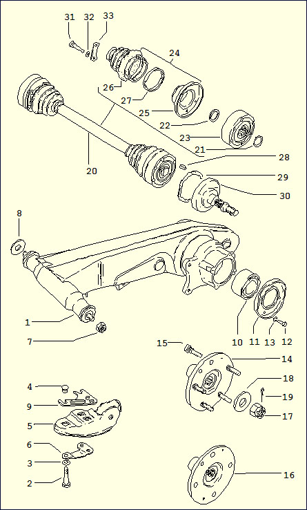
Jan 31 2007, 03:16 PM
Chris,
this should help some:
Click to view attachment
alpha434
Jan 31 2007, 03:20 PM
Perfect. Thanks.
It's 18 degrees outside!
This is a "lo-fi" version of our main content. To view the full version with more information, formatting and images, please
click here.