|
|

|
Porsche, and the Porsche crest are registered trademarks of Dr. Ing. h.c. F. Porsche AG.
This site is not affiliated with Porsche in any way. Its only purpose is to provide an online forum for car enthusiasts. All other trademarks are property of their respective owners. |
|
|
| Jeffs9146 |
Jul 2 2011, 09:07 AM
Post
#1
|
|
Ski Bum ![]() ![]() ![]() ![]() Group: Members Posts: 4,062 Joined: 10-January 03 From: Discovery Bay, Ca Member No.: 128 |
OK it is time to focus on the final finish up of the 6!
I would like to offer free BBQ food and drink to anyone who would like to assist in hooking up the wireing, injection and starting the the 6 on Sat July 16th! (IMG:style_emoticons/default/beerchug.gif) Lennies914 and I will be installing the motor in the next week and then it is just a matter of hooking up the injection filling it with oil, installing the axcels and giving it a shot (IMG:style_emoticons/default/driving.gif) If anyone would like to come out to Discovery Bay and help out drop me a PM and lets see if we can get another one on the road!! (IMG:style_emoticons/default/piratenanner.gif) |
![]() ![]() |
| Jeffs9146 |
Aug 9 2011, 07:08 PM
Post
#2
|
|
Ski Bum ![]() ![]() ![]() ![]() Group: Members Posts: 4,062 Joined: 10-January 03 From: Discovery Bay, Ca Member No.: 128 |
OK new issue! I tried to install the 3.0L tach and when the blk/purp wire is plugged in it wont start but if I unplug the blk/purp wire it will start!
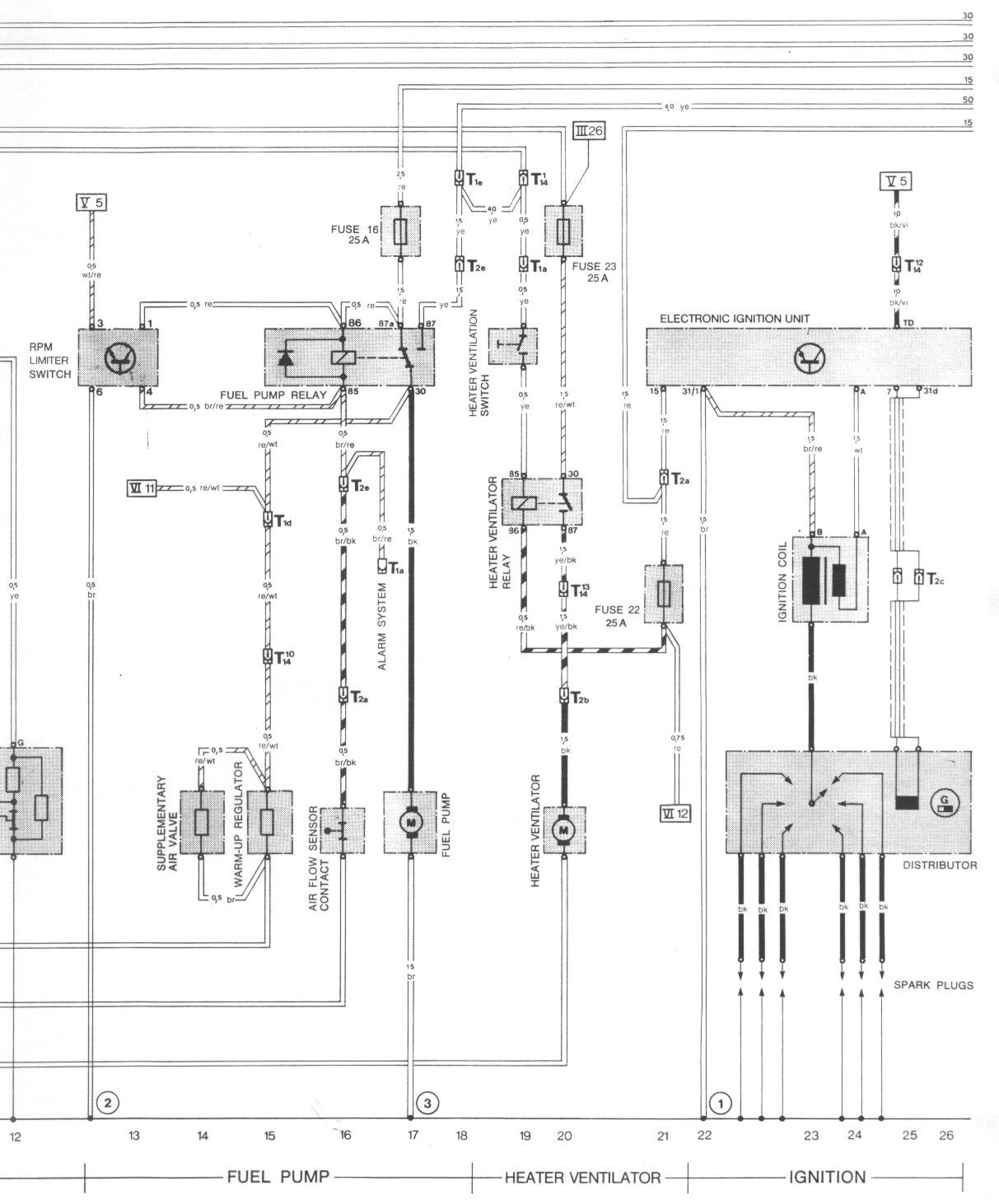
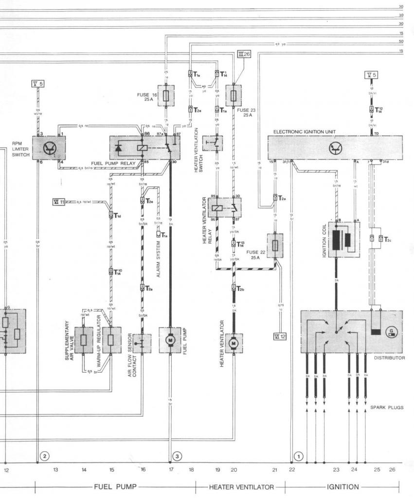
So I did some more tracing of the wires and stairing at the schematics to find that the blk/purple wire is going to the Electronic Ign Module for the new motor. So should I disconnect it from the ign module and hook it to the + side of the coil? Or is there something I am missing? Here is the wireing diagram from the 3.0L Ign Module showing the ign module with the blk/purple wire that we have hooked our blk/purple wire to! If you cant read it the blk/purple wire is the one that comes out the top and goes to V5 which is the RPM limiter switch on a 1983 911sc 3.0L! I am guessing that the RPM limiter is set to defalt ground or is not in the motor parts that I have installed and thats why it is doing this? Attached thumbnail(s) |
Jeffs9146 Work Party/BBQ Update: Pg 5 Jul 2 2011, 09:07 AM
Jeffs9146
OK it is time to focus on the final finish up of ... Jul 6 2011, 05:16 PM
Andyrew I'll be working on malga_red75's 914 , but... Jul 6 2011, 05:35 PM
kg6dxn I think I can make it. Jul 6 2011, 07:48 PM
Jeffs9146 Cool :Qarl:
We will see how many people express ... Jul 7 2011, 10:00 AM
JRust I'm going to be at my wife's family reuini... Jul 7 2011, 01:48 PM
Jeffs9146 Santa Cruz is 2 hours
Aptos is 2 1/4 hours
Montere... Jul 7 2011, 03:01 PM
JRust What time are you starting? Jul 8 2011, 10:54 PM
strawman I'm only an hour away, and can try to make it.... Jul 9 2011, 01:27 AM
JRust Yeah I'm closer to Monterey. I'm not going... Jul 9 2011, 09:11 PM
jeeperjohn56 I;ll love to come see the progess and pick up some... Jul 10 2011, 02:26 AM
jcd914 I'm trying to work my schedule so I can come d... Jul 11 2011, 02:23 PM
Jeffs9146 It looks like this is going to happen so I will st... Jul 11 2011, 03:09 PM
SirAndy It looks like this is going to happen so I will st... Jul 11 2011, 03:15 PM
kg6dxn
It looks like this is going to happen so I will s... Jul 11 2011, 03:18 PM
Jeffs9146
:blink: Thats a stupid question!!... Jul 11 2011, 03:21 PM
Lennies914 Andy,
I have been there when both garage refers ... Jul 11 2011, 07:03 PM
Jeffs9146 Lennie and I just finished putting the motor, tran... Jul 12 2011, 09:58 PM
Jeffs9146 Another one Jul 12 2011, 09:58 PM
kg6dxn I think my wife may want to come and watch. I... Jul 12 2011, 10:11 PM
Jeffs9146 Great!! We like large groups!!... Jul 12 2011, 10:27 PM
jsconst I might be able to stop by, not sure how much help... Jul 12 2011, 11:37 PM
Dr Evil Oh crap! You are going to try the transmission... Jul 13 2011, 06:06 AM
Jeffs9146 Yep :sick:
We will see!! :beer2: Jul 13 2011, 09:25 AM
jeeperjohn56 Jeff, What axle's are you using? are they stoc... Jul 13 2011, 11:44 AM
Jeffs9146 The motor shouldn't put out much more than 260... Jul 13 2011, 11:53 AM
SirAndy :bump:
I should be there between 10 and 11. :dr... Jul 15 2011, 10:07 PM
jcd914
:bump:
I should be there between 10 and 11. :d... Jul 15 2011, 10:45 PM
Jeffs9146 awsome! I have a list going and I think I have... Jul 15 2011, 10:34 PM
Cairo94507 I believe I can make it, though I may be useless f... Jul 16 2011, 08:29 AM
Jeffs9146
I believe I can make it, though I may be useless ... Jul 16 2011, 08:39 AM
underthetire I got suckered in to seeing Harry Potter at noon. ... Jul 16 2011, 10:25 AM
Jeffs9146 I did forget to get an oil filter if you happen to... Jul 16 2011, 10:51 AM
underthetire
I did forget to get an oil filter if you happen t... Jul 16 2011, 10:54 AM
Cairo94507 OK, so I was only there for 4 hours but I had a bl... Jul 16 2011, 04:54 PM
Jeffs9146 Wow thanks for all the help guys!! We got ... Jul 16 2011, 08:34 PM
kg6dxn Got the -4 blended to the -6 today. Jeff is a grea... Jul 16 2011, 08:35 PM
Jeffs9146 If you need any help over the next few days I will... Jul 16 2011, 08:49 PM
SirAndy :beer3: :trophy: :worship: Jul 16 2011, 11:07 PM
jcd914 I enjoyed the food, the beer, the visiting and the... Jul 17 2011, 12:30 AM
Jeffs9146 Here are a few photos Jul 17 2011, 08:25 AM
SirAndy Here are a few photos
You should post a picture o... Jul 17 2011, 12:03 PM
Jeffs9146 Ok here is our custom intake "snorkel" Jul 17 2011, 12:27 PM
jeeperjohn56 Jeff, It was great watching the pro's, Jim and... Jul 17 2011, 02:34 PM
jsconst It was nice meeting some of you and seeing the oth... Jul 17 2011, 03:10 PM
Andyrew Painters tape holding the snorkle to the TB.. LOVE... Jul 17 2011, 03:19 PM
Jeffs9146
Andy wanted a photo of the snorkle so I placed i... Jul 17 2011, 08:24 PM
arkitect Hey Jeff,
Glad to see that everything went good. I... Jul 18 2011, 10:52 PM
Jeffs9146 I am very close to starting and would like to get ... Jul 28 2011, 09:25 AM
jcd914
I am very close to starting and would like to get... Jul 28 2011, 10:00 AM
Jeffs9146 Thanks Jim!
I redid the "Snorkle" a... Jul 28 2011, 10:16 AM
SirAndy I will try to hook up the battery tonight :Qarl: W... Jul 28 2011, 11:01 AM
Jeffs9146 :lol4: :idea:
I do plan on watching it very clo... Jul 28 2011, 01:00 PM
SirAndy I do plan on watching it very close!!... Jul 28 2011, 01:29 PM
JmuRiz Cool stuff, neat seeing a CIS motor in a 914.
Did... Jul 28 2011, 01:42 PM
Cairo94507 Good luck. I would roll it outside before trying ... Jul 28 2011, 01:44 PM
Jeffs9146
Good luck. I would roll it outside before trying... Jul 28 2011, 04:34 PM
Jeffs9146 OK, Lennie and I tried to fire up the 6 today and ... Aug 1 2011, 09:49 PM
SirAndy I found the original fuel pump relay and I was thi... Aug 2 2011, 12:26 AM
kg6dxn Do you have a full schematic of your ECU? Aug 1 2011, 09:57 PM
Jeffs9146 I have not been able to find anything specific to ... Aug 1 2011, 10:17 PM
Jeffs9146 By the way, I did a compression check and it looks... Aug 1 2011, 10:23 PM
kg6dxn I can fix it if I can find a schematic... I'll... Aug 1 2011, 10:43 PM
Jeffs9146 It looks like the problem is in this connection fr... Aug 1 2011, 10:46 PM
kg6dxn Looks like the red wire should go to the battery +... Aug 1 2011, 11:00 PM
Jeffs9146 ok I will check the bl/v and the R+ tomorrow! ... Aug 1 2011, 11:11 PM
kg6dxn
ok I will check the bl/v and the R+ tomorrow... Aug 1 2011, 11:20 PM
kg6dxn Follow the "V5" connection on the 911 wi... Aug 1 2011, 11:23 PM
Jeffs9146 I couldn't find any of the diagrams on Pelican... Aug 1 2011, 11:49 PM
Jeffs9146 :DRUNK: See thats why we love you Andy!@! ... Aug 2 2011, 02:18 AM
Cairo94507 Jeff:
Does your car have a heated rear window? I ... Aug 2 2011, 07:32 AM
Jeffs9146
No that part was from the 911 3.0L car! Aug 2 2011, 08:07 AM
Jeffs9146 OK I traced down the BL/Vi wire and it goes to the... Aug 2 2011, 09:27 AM
Jeffs9146 Bump for more info :beer2: Aug 2 2011, 12:54 PM
Jeffs9146 I spent most of the day looking at the full sized ... Aug 2 2011, 05:07 PM
kg6dxn
I spent most of the day looking at the full sized... Aug 2 2011, 05:49 PM
Jeffs9146
OK so what you are saying is the Blue wire that ... Aug 2 2011, 06:03 PM
kg6dxn
OK so what you are saying is the Blue wire that... Aug 2 2011, 06:14 PM
Jeffs9146 Right! So Blue on 914 is not good for Black/Vi... Aug 2 2011, 06:39 PM
kg6dxn Jeff got it running! :Qarl: He found an extra ... Aug 2 2011, 09:10 PM
Jeffs9146
Jeff got it running! :Qarl: He found an extra... Aug 2 2011, 10:10 PM
Jeffs9146 For anyone wanting to follow along with my diagnos... Aug 3 2011, 06:30 PM
Jeffs9146 I ended up remaking the Air Flow Sensor Boot and I... Aug 4 2011, 06:20 PM
Jeffs9146 :Qarl: I put the filter back on and she fired up... Aug 4 2011, 06:55 PM
SirAndy Lets see if the video works!!??
75 914-6 M... Aug 4 2011, 09:03 PM
Cairo94507 SWEET! Have fun taking your car for a spin. :... Aug 4 2011, 07:31 PM
Jeffs9146 Thanks for all your help!!!! :beer... Aug 4 2011, 07:38 PM
Jeffs9146 OK, my camera uses Quick time so I just loaded it... Aug 4 2011, 09:21 PM
Jeffs9146 Here is another video!
Now that I have found ... Aug 9 2011, 04:32 PM
AZ914 Congrats on getting it running! Aug 9 2011, 04:45 PM
Dr Evil It looks like TD is your Tach out. Where is your B... Aug 9 2011, 07:44 PM
Jeffs9146 It goes to the center pin of the CD box and then h... Aug 9 2011, 07:55 PM
Jeffs9146 I just tested it to ground from the tach to the bo... Aug 9 2011, 08:19 PM
Cairo94507 Jeff, If you decide to pull the engine back out th... Aug 9 2011, 09:07 PM
Jeffs9146 I will let you know when it is comming out! :b... Aug 9 2011, 09:15 PM
kg6dxn Your tach will need to connect to the - side of th... Aug 9 2011, 10:26 PM
Jeffs9146 Ok so if I take the blk/purple away from the CD un... Aug 9 2011, 10:49 PM
kg6dxn
Ok so if I take the blk/purple away from the CD u... Aug 9 2011, 10:51 PM
kg6dxn
Ok so if I take the blk/purple away from the CD ... Aug 9 2011, 10:52 PM![]() ![]() |
|
Lo-Fi Version | Time is now: 2nd April 2026 - 12:24 PM |
| All rights reserved 914World.com © since 2002 |
|
914World.com is the fastest growing online 914 community! We have it all, classifieds, events, forums, vendors, parts, autocross, racing, technical articles, events calendar, newsletter, restoration, gallery, archives, history and more for your Porsche 914 ... |