|
|

|
Porsche, and the Porsche crest are registered trademarks of Dr. Ing. h.c. F. Porsche AG.
This site is not affiliated with Porsche in any way. Its only purpose is to provide an online forum for car enthusiasts. All other trademarks are property of their respective owners. |
|
|
| JDW914 |
Jul 2 2015, 09:37 PM
Post
#1
|
|
Newbie ![]() Group: Members Posts: 25 Joined: 27-April 11 From: Toledo, Ohio Member No.: 12,990 Region Association: Upper MidWest |
Hi all! I recently took my first long road trip in my 914 (700 mi round trip out to Peoria, IL to finally pick up a replacement windshield) and while the car performed beautifully, I had my first encounter with what I've learned is the "infamous hot-start issue." Happily I was caravanning and, when unable to find a clear reason as to the car's failing to start after a pit stop for lunch, we tried jumping it, assuming the battery had gone bad, which resulted in enough current to pop the solenoid and start it up. This was necessary a few times during the trip. While it has never caused me trouble before (I've been driving the car pretty regularly for 2 years since its restoration has been "finished") I'd prefer to remove the issue so that it doesn't come back to bite me, especially now that the car has proven itself as such a good road-tripper.
Now in my research since encountering the issue, I've found much documentation of the issue and its solutions, in particular a Ford starter solenoid or a Bosch hot start relay kit. I'd like to go about it with the replacement starter solenoid as this seems a simple and straight-forward enough change-out, however, I've not been able to determine what solenoid it is in particular that will fit into an old VW starter motor. Is there a particular part number or set of models/years that use it, or does Ford have enough standardisation that any old solenoid will work? Thanks for any enlightenment you can provide! |
![]() ![]() |
| ThePaintedMan |
Jul 4 2015, 07:28 AM
Post
#2
|
|
Advanced Member ![]() ![]() ![]() ![]() Group: Members Posts: 3,887 Joined: 6-September 11 From: St. Petersburg, FL Member No.: 13,527 Region Association: South East States
|
I've often heard them used synonymously, so correct me if I'm wrong. But you guys are talking about a Ford solenoid relay, correct? A solenoid is an mechanical lever that is electronically activated (i.e. the trunk "pop" solenoid"). The relay is an electrical component that helps deliver high power to a given component by way of battery power and a low-power signal, correct?
|
| stugray |
Jul 4 2015, 10:34 AM
Post
#3
|
|
Advanced Member ![]() ![]() ![]() ![]() Group: Members Posts: 3,825 Joined: 17-September 09 From: Longmont, CO Member No.: 10,819 Region Association: None |
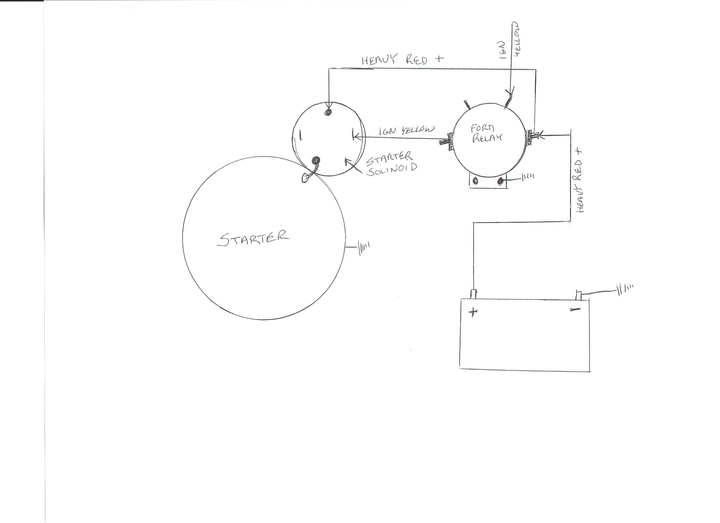
I've often heard them used synonymously, so correct me if I'm wrong. But you guys are talking about a Ford solenoid relay, correct? A solenoid is an mechanical lever that is electronically activated (i.e. the trunk "pop" solenoid"). The relay is an electrical component that helps deliver high power to a given component by way of battery power and a low-power signal, correct? Just to totally derail the conversation (but Stus good at that): Every Electromechanical Relay has a solenoid inside it that actuates the mechanism. A solenoid is just as simple as a steel core with a coil wrapped around it. What we call the "solenoid" when talking about the starter by itself - is Both a mechanical Solenoid that engages the bendix to push the starter gear against the flywheel AND an electrical Relay that passes current to the starter windings. SO in a standard setup, the ignition switch (key) carries greater than 9 Amps (IIRC) to engage the starter solenoid and the Starter Solenoid carries the > 65 AMPS to drive the starter. When we talk about adding the Ford relay it is installed to reduce the > 9 AMps through the Ignition switch down to more manageable levels like 1-2 Amps. So once you install the Ford relay the system works like this: Ignition switch passes ~3 AMps to engage Ford Relay Ford Relay engages passing > 9 Amps to Starter Solenoid Starter Solenoid engages pressing Bendix against Flywheel AND Passing > 65 AMps to Starter windings spinning the starter. So it goes Key - > Relay -> Solenoid (Bigger Relay) -> Starter. |
| Jeffs9146 |
Feb 17 2016, 10:53 AM
Post
#4
|
|
Ski Bum ![]() ![]() ![]() ![]() Group: Members Posts: 4,062 Joined: 10-January 03 From: Discovery Bay, Ca Member No.: 128 |
I've often heard them used synonymously, so correct me if I'm wrong. But you guys are talking about a Ford solenoid relay, correct? A solenoid is an mechanical lever that is electronically activated (i.e. the trunk "pop" solenoid"). The relay is an electrical component that helps deliver high power to a given component by way of battery power and a low-power signal, correct? Just to totally derail the conversation (but Stus good at that): Every Electromechanical Relay has a solenoid inside it that actuates the mechanism. A solenoid is just as simple as a steel core with a coil wrapped around it. What we call the "solenoid" when talking about the starter by itself - is Both a mechanical Solenoid that engages the bendix to push the starter gear against the flywheel AND an electrical Relay that passes current to the starter windings. SO in a standard setup, the ignition switch (key) carries greater than 9 Amps (IIRC) to engage the starter solenoid and the Starter Solenoid carries the > 65 AMPS to drive the starter. When we talk about adding the Ford relay it is installed to reduce the > 9 AMps through the Ignition switch down to more manageable levels like 1-2 Amps. So once you install the Ford relay the system works like this: Ignition switch passes ~3 AMps to engage Ford Relay Ford Relay engages passing > 9 Amps to Starter Solenoid Starter Solenoid engages pressing Bendix against Flywheel AND Passing > 65 AMps to Starter windings spinning the starter. So it goes Key - > Relay -> Solenoid (Bigger Relay) -> Starter. (IMG:style_emoticons/default/agree.gif) I like to think of it as increasing the source power from the ignition by sending more power to the starter trigger. Attached thumbnail(s) |
JDW914 Which Sterter Solenoid? Jul 2 2015, 09:37 PM
stugray Are you talking about replacing the solenoid on th... Jul 2 2015, 11:09 PM
markb This is what I had on my 72 for years & never ... Jul 2 2015, 11:10 PM
john77 I had the same problem 12 months ago. I bought a h... Jul 3 2015, 01:42 AM
worn
I had the same problem 12 months ago. I bought a ... Jul 3 2015, 09:33 AM
Mark Henry The Ford solenoid is the on the fender type they u... Jul 3 2015, 07:59 AM
type47 There are lots of relays out there that can be use... Jul 3 2015, 09:50 AM
Mark Henry
There are lots of relays out there that can be us... Jul 3 2015, 10:11 AM
Tom_T You may have one or more of a few things going on ... Jul 3 2015, 10:28 AM
Mark Henry
You may have one or more of a few things going on... Jul 3 2015, 12:03 PM
Tom_T
#1 To me vapour lock and hot start are two diffe... Jul 3 2015, 03:21 PM
SLITS I use the "Ford Starter Solenoid Relay" ... Jul 3 2015, 10:38 AM
jeffdon I run a ford solenoid mounted on the starter. In... Jul 3 2015, 01:16 PM
JDW914 To be clear, my car's problem is that at high ... Jul 3 2015, 07:13 PM
Kansas 914
I *had* been under the impression that the Ford ... Jul 3 2015, 08:08 PM
Mark Henry
To be clear, my car's problem is that at high... Jul 3 2015, 10:33 PM
Kansas 914
I've often heard them used synonymously, so c... Jul 4 2015, 07:32 AM

JDW914
[quote name='ThePaintedMan' post='2205963' date='... Jul 4 2015, 09:11 AM
Mark Henry
I've often heard them used synonymously, so c... Jul 4 2015, 09:51 AM
Kansas 914
So once you install the Ford relay the system wo... Jul 4 2015, 11:00 AM
HalfMoon Local parts stores emplyee's often won"t ... Jul 4 2015, 09:53 AM
Mark Henry
Local parts stores emplyee's often won"t... Jul 4 2015, 10:07 AM
ThePaintedMan LOL, thanks for clarifying that Mark and Stu! ... Jul 4 2015, 05:46 PM
NFBrown I've been wondering why once in a while I get ... Jul 4 2015, 06:58 PM
rick 918-S I chased that rabbit down the hole. Here's wha... Jul 4 2015, 07:25 PM
screenguy914 To summarize the various posts on the subject, the... Jul 5 2015, 01:15 PM
Tom The ford solenoid, ( in this case used as a relay ... Jul 6 2015, 03:07 AM
screenguy914
The ford solenoid, ( in this case used as a relay... Jul 7 2015, 03:26 AM
Geezer914 I just did this. I used an SS571 Standard Motor p... Jul 7 2015, 05:56 PM
sean_v8_914 :deadhorse: Feb 17 2016, 11:06 AM
Mark Henry
:deadhorse:
No....it's beating a dead start... Feb 17 2016, 12:01 PM![]() ![]() |
|
Lo-Fi Version | Time is now: 2nd April 2026 - 03:04 PM |
| All rights reserved 914World.com © since 2002 |
|
914World.com is the fastest growing online 914 community! We have it all, classifieds, events, forums, vendors, parts, autocross, racing, technical articles, events calendar, newsletter, restoration, gallery, archives, history and more for your Porsche 914 ... |