|
|

|
Porsche, and the Porsche crest are registered trademarks of Dr. Ing. h.c. F. Porsche AG.
This site is not affiliated with Porsche in any way. Its only purpose is to provide an online forum for car enthusiasts. All other trademarks are property of their respective owners. |
|
|
| pastormacman |
Nov 11 2019, 11:21 AM
Post
#1
|
|
Newbie ![]() Group: Members Posts: 28 Joined: 6-July 05 From: Bakersfield, CA Member No.: 4,382 |
Issue: There's no power going to the coil/fuel pump when I turn the key. (you can skip the history and jump down to the ALL CAPS and (IMG:style_emoticons/default/popcorn[1].gif) to see more about the issue)
History: 16 years ago, this was a running 1.7 fuel injected '73 in Bakersfield, CA. I bought it wrecked in the front end, (hood crunched a little, passenger fender dented) A friend straightened the trunk, cut off and welded a replacement fender on and we put on a replacement hood. I had it painted and new tires on it. It was my daily driver for a couple of years. 14 years ago, I got a new daily driver and this sat for a few months. Unbeknownst to me, a critter made it's home around one of the cylinders with mud and leaves. I went to drive it and the cylinder overheated and seized the engine. I bought new cylinders and took it to a friend to replace. Upon removing the engine he discovered that my block was cracked. I found a rebuilt 1.7 down in Los Angeles and bought it to replace the old engine. My mechanic friend was going to work on it in his spare time for me. I had always had trouble with the fuel injection, so I saw this as an opportunity to remove it and replace it with carbs. So he installed the carbs and after he got the engine back in the car, he discovered his dog had eaten the wiring harness (From the relay plate to the alternator/starter) At that point, life happened... kids grew up, I worked a lot and the car sat in that condition in one of the bays in his shop for 10 years. Three years ago, my sons are now teenagers, and I decided I wanted to finish it up and get it out of my friends way. He had kind grown resentful of it being there. I brought it home and put it on jack stands in my garage. I ordered a new wiring harness and tried to finish the car to get it started for my kids to drive. I discovered that through life I had developed a strong case of claustrophobia and it's difficult to get under the car for me. So it has sat for another three years. So I have a new friend who rebuilds VW Bugs who is now helping me.We've gotten all the electrical hooked back up. Removed the gas tank and flushed it out. replaced all the fuel lines, and filters. And got a new battery. Which brings me to the present... (IMG:style_emoticons/default/popcorn[1].gif) ISSUE: WHEN WE TURN THE KEY, THERE'S NO POWER TO THE COIL OR FUEL PUMP. Since we replaced the fuel injection with carburetors, we no longer have the ECU in the car. (in fact, I no longer have the ECU or any of the fuel injection parts anymore, they are long gone at my other friends garage) Not sure if that was a mistake, I thought I didn't need it anymore since the FI was gone. My VW friend is not familiar enough with 914 electrical to find the issue. Could I have a bad relay? I see that there is a port for the white wires from the ECU to connect to the relay panel. Is there a part I need there in place of the ECU wiring? Is this a common issue with a carb replacement? Other electrical things work, (headlights, and whatnot) and if I continue to turn the key, the starter starts to crank, but no power to the coil/fuel pump. Any help would be appreciated. Sorry for the long post. |
![]() ![]() |
| Spoke |
Dec 8 2019, 10:23 PM
Post
#2
|
|
Jerry ![]() ![]() ![]() ![]() ![]() Group: Members Posts: 7,271 Joined: 29-October 04 From: Allentown, PA Member No.: 3,031 Region Association: None
|
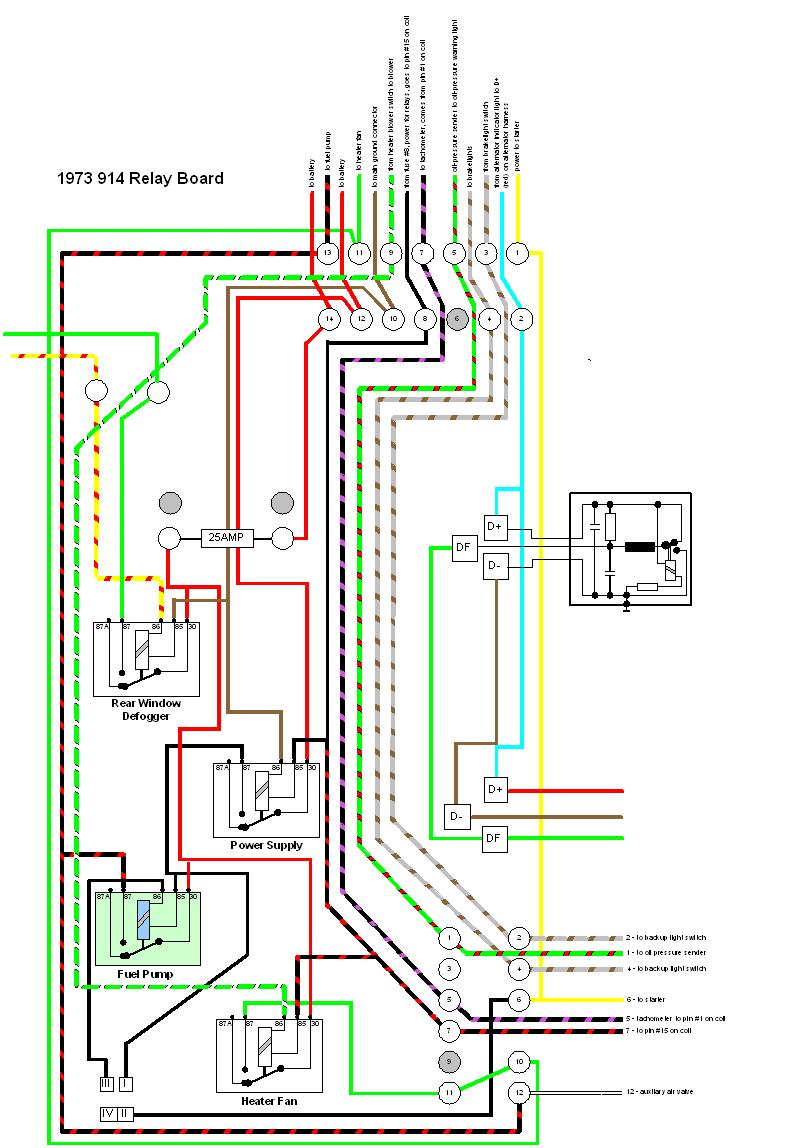
You can test the relays involved with providing the power to the fuel pump.
Check out the relay board layout below. Notice the POWER SUPPLY relay in the middle of the board. This relay provides power to the ECU (not installed) and the relay to power the fuel pump. Turning the key to ON will power the Power Supply relay. You can check this switched voltage at the ECU connector. See the wire leaving the Power Supply relay pin 87. This is switched power. It goes to Fuel Pump Relay pin 85 and ECU pin I. To test the Power Supply relay, first remove the connector to the engine. This will keep the coil/points/Pertronix from overheating as you debug the fuel pump issue. Also we need access to pin 12. After the connector to the engine is removed, turn the ignition key to ON. This will cause the Power Supply Relay to turn on and provide 12V to pin I of the ECU plug. With your voltmeter, measure pin I to chassis. You should see 12V. If you do, then the Power Supply relay is good. Once the Power Supply relay is tested good, then check the output of the Fuel Pump relay. Power to the fuel pump comes from the 25A fuse on the relay board. Check the voltage on both sides of the fuse. Check the fuse holder, not the fuse for power. You should see 12V on both sides. Once the 25A fuse is tested ok, with ignition key still on, notice the voltage to the fuel pump comes from Fuel Pump relay pin 87. Follow that wire upwards to the 14-pin connector to the cabin and fuel pump. You cannot measure the voltage there as the connector is still on. However, follow the wire from Fuel Pump relay pin 87 DOWN the page then over to the right to the connector to the engine. You've already removed this connector. Thus the fuel pump voltage from the relay can be measured on pin 12. Let us know what you find. Attached thumbnail(s) |
pastormacman Trying to start my carbureted 1.7 Nov 11 2019, 11:21 AM
porschetub
Issue: There's no power going to the coil/fue... Nov 11 2019, 12:51 PM
pastormacman Wow some history right there,by all means check th... Nov 11 2019, 01:34 PM
TheCabinetmaker Since you don't have the injection system on i... Nov 11 2019, 12:56 PM
pastormacman
Since you don't have the injection system on ... Nov 11 2019, 01:21 PM
pastormacman
Since you don't have the injection system on ... Nov 11 2019, 01:36 PM
pastormacman Just looked at ordering a low pressure fuel pump a... Nov 11 2019, 01:55 PM
Spoke If you didn't ground pin III on the FI ECU con... Nov 11 2019, 02:14 PM
ndfrigi http://www.914world.com/bbs2/index.php?sho...41299... Nov 11 2019, 02:16 PM
porschetub
http://www.914world.com/bbs2/index.php?sho...4129... Nov 11 2019, 04:02 PM
DickSteinkamp If you are unsure if your fuel pump is a low press... Nov 11 2019, 02:20 PM
SirAndy http://www.914world.com/specs/SirAndyCarbFuelPumpR... Nov 11 2019, 05:07 PM
pastormacman That link to SirAndy's instructions was very h... Nov 11 2019, 05:24 PM
SirAndy I'm also starting to realize that maybe my fue... Nov 11 2019, 05:27 PM

pastormacman I used the CB rotary pump below on my carbed 2056 ... Nov 11 2019, 06:04 PM

surfdogskier
[quote name='SirAndy' post='2761314' date='Nov 11... Nov 11 2019, 06:08 PM
surfdogskier
That link to SirAndy's instructions was very ... Nov 11 2019, 06:00 PM
surfdogskier I just found this which I saved on my computer. L... Nov 11 2019, 06:05 PM
rhodyguy More likely than not, that facet pump pressure is ... Nov 11 2019, 06:07 PM
rhodyguy Is the pump connected to the original wires? Nov 11 2019, 07:53 PM
pastormacman
Is the pump connected to the original wires?
Not... Nov 12 2019, 08:21 AM
jcd914
Is the pump connected to the original wires?
No... Nov 12 2019, 10:01 AM
pastormacman Your test light won't pass enough current to r... Nov 12 2019, 10:25 AM
rhodyguy The plug end of the stock pump harness will have d... Nov 12 2019, 10:58 AM
pastormacman Is the facet mounted to the bottom of the engine s... Nov 12 2019, 02:13 PM
ndfrigi
Is the facet mounted to the bottom of the engine ... Nov 12 2019, 02:19 PM
pastormacman Is the circled one you are referring too?
that is ... Nov 12 2019, 02:45 PM
ndfrigi
Is the circled one you are referring too?
that is... Nov 12 2019, 03:25 PM
pastormacman Ok. Been busy with work but was able to work on th... Dec 7 2019, 02:58 PM
pastormacman So I decided to test the connection by pushing a p... Dec 7 2019, 03:16 PM
rhodyguy The 2 fuses on the relay board are filthy. Clean t... Dec 7 2019, 04:13 PM
pastormacman Are there any fuses or relays under the dash that ... Dec 7 2019, 11:43 PM
porschetub No none to worry about in that area,have you check... Dec 8 2019, 01:33 PM
SirAndy Did you check the fuel pump relay? Your relay boar... Dec 8 2019, 02:28 PM
IronHillRestorations Make sure the fuel hose isn't kinked, it's... Dec 9 2019, 06:51 AM
pastormacman
Make sure the fuel hose isn't kinked, it... Dec 14 2019, 12:30 PM
Tom In your original post you said you had no power to... Dec 9 2019, 08:46 PM
pastormacman OK. I retested all the relays I have on the headli... Dec 14 2019, 12:11 PM
Spoke
There is no power on either side of fuse #9 under... Dec 14 2019, 12:58 PM
pastormacman With the key OFF, there is no power to the fuses f... Dec 14 2019, 01:35 PM
Spoke
With the key OFF, there is no power to the fuses ... Dec 14 2019, 06:39 PM
pastormacman OK, so here's my update for today.
I can... Dec 15 2019, 09:01 PM
Spoke Those numbers go to somewhere else on the schemati... Dec 16 2019, 08:43 AM
Spoke Fuse 8 is powered by pin X on the ignition switch ... Dec 16 2019, 08:56 AM
pastormacman
Fuse 8 is powered by pin X on the ignition switch... Dec 16 2019, 06:50 PM
Tom Pastormacman,
It looks like you are using the ... Dec 16 2019, 10:20 AM
pastormacman
Pastormacman,
It looks like you are using the... Dec 16 2019, 06:07 PM
Tom More Dec 16 2019, 10:21 AM
pastormacman THANK YOU!
I want to thank everyone who helpe... Jan 2 2020, 03:53 PM
pastormacman THE FACE I MADE WHEN MY CAR STARTED!
After... Mar 23 2020, 10:26 AM![]() ![]() |
|
Lo-Fi Version | Time is now: 17th November 2025 - 02:06 AM |
| All rights reserved 914World.com © since 2002 |
|
914World.com is the fastest growing online 914 community! We have it all, classifieds, events, forums, vendors, parts, autocross, racing, technical articles, events calendar, newsletter, restoration, gallery, archives, history and more for your Porsche 914 ... |