|  Emergency brake warning light | 
|  | 

| Porsche, and the Porsche crest are registered trademarks of Dr. Ing. h.c. F. Porsche AG.
This site is not affiliated with Porsche in any way. Its only purpose is to provide an online forum for car enthusiasts. All other trademarks are property of their respective owners. | 
|  | 
|  Emergency brake warning light | 
| Geezer914 |  Oct 4 2024, 06:44 AM 
				 Post
					#1				
			 | 
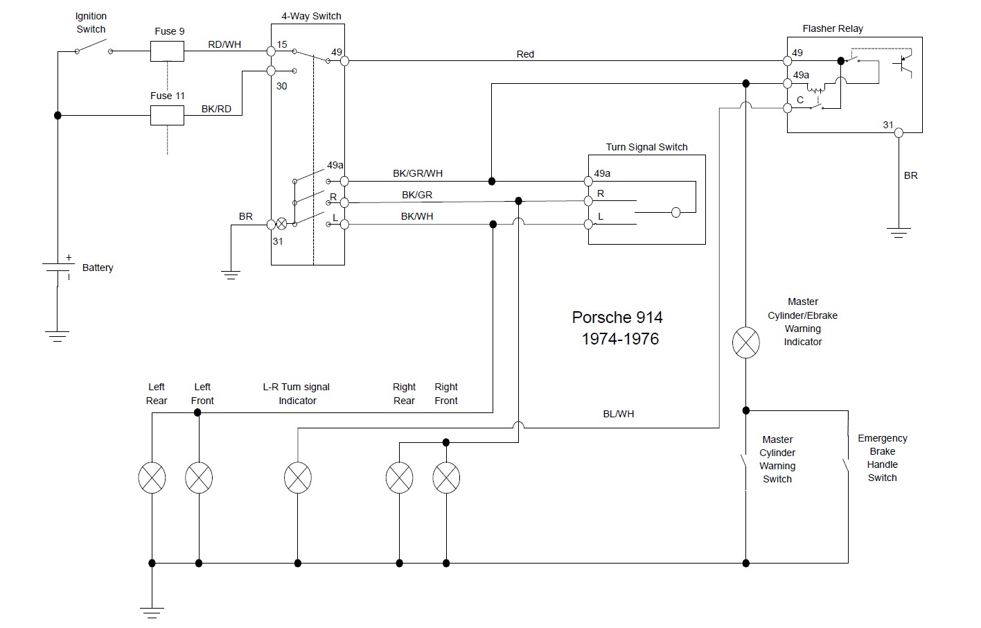
| Geezer914     Group: Members Posts: 2,108 Joined: 18-March 09 From: Salem, NJ Member No.: 10,179 Region Association: North East States    | 75 914.  When the emergency brake is on, the red light flashes on the fuel gauge and the blinker light on the tachometer???  Relay going bad? | 
|   | 
| dtmehall |  Oct 4 2024, 07:26 PM 
				 Post
					#2				
			 | 
| Member   Group: Members Posts: 197 Joined: 21-December 23 From: Farmington Hills, Michigan Member No.: 27,808 Region Association: Upper MidWest  | no, only the fuel gauge light should blink.  have you done any work behind the dash or any other lights recently? | 
| Spoke |  Oct 5 2024, 06:52 AM 
				 Post
					#3				
			 | 
| Jerry      Group: Members Posts: 7,264 Joined: 29-October 04 From: Allentown, PA Member No.: 3,031 Region Association: None    | no, only the fuel gauge light should blink. (IMG:style_emoticons/default/agree.gif) The MC brake / Ebrake warning light is the only light that should blink if the OEM flasher is installed. If the flasher is EP26 LED-compatible flasher then both will flash together. Attached thumbnail(s)   | 
 Geezer914   Emergency brake warning light   Oct 4 2024, 06:44 AM
 Geezer914   Emergency brake warning light   Oct 4 2024, 06:44 AM 
  87m491   Sounds like normal operation to me.
75 914.  Whe...   Oct 4 2024, 08:20 AM
 87m491   Sounds like normal operation to me.
75 914.  Whe...   Oct 4 2024, 08:20 AM

 
  Geezer914   
no, only the fuel gauge light should blink. 
 ...   Oct 5 2024, 05:29 PM
 Geezer914   
no, only the fuel gauge light should blink. 
 ...   Oct 5 2024, 05:29 PM 
  Geezer914   No, do they flash off the same relay?   Oct 5 2024, 01:43 AM
 Geezer914   No, do they flash off the same relay?   Oct 5 2024, 01:43 AM
 
  davep   
No, do they flash off the same relay?
There is o...   Oct 5 2024, 03:16 PM
 davep   
No, do they flash off the same relay?
There is o...   Oct 5 2024, 03:16 PM|   | 
|   | Lo-Fi Version | Time is now: 31st October 2025 - 02:34 PM | 
| All rights reserved 914World.com © since 2002 | 
| 914World.com is the fastest growing online 914 community! We have it all, classifieds, events, forums, vendors, parts, autocross, racing, technical articles, events calendar, newsletter, restoration, gallery, archives, history and more for your Porsche 914 ... |