|
|

|
Porsche, and the Porsche crest are registered trademarks of Dr. Ing. h.c. F. Porsche AG.
This site is not affiliated with Porsche in any way. Its only purpose is to provide an online forum for car enthusiasts. All other trademarks are property of their respective owners. |
|
|
| Spoke |
Dec 3 2023, 06:10 PM
Post
#1
|
|
Jerry ![]() ![]() ![]() ![]() ![]() Group: Members Posts: 7,333 Joined: 29-October 04 From: Allentown, PA Member No.: 3,031 Region Association: None
|
There has been some interest in a module that would flash the front sidemarker with the turnsignal. The rear running/brake/turnsignal board I did for the 356 using the front turnsignal bucket from a 914 uses the same function to flash the running or brake light when the turnsignal comes on.
The flashing circuit was lifted from the 356 board and placed on this board with some modification. The board will be about 1.6in x 1in and will be enclosed in a small plastic box. The module will replace the wires which go from the front trunk into the rubber wire channel to the sidemarker and turnsignal. Basically the wires to the turnsignal and sidemarker will be pulled out of the rubber channel and connected to the module. The module will have wires that will be fished into the rubber channel and connected to the sidemarker and turnsignal just like the OEM wiring. The OEM wiring will remain intact keeping with my goal of no cutting/screwing/gluing plug-and-play installation. @Cairo94507 Attached thumbnail(s) |
![]() ![]() |
| BillC |
Jan 4 2024, 11:42 AM
Post
#2
|
|
Senior Member ![]() ![]() ![]() Group: Members Posts: 701 Joined: 24-April 15 From: Silver Spring, MD Member No.: 18,667 Region Association: MidAtlantic Region
|
@Spoke -- I love the idea, but have a question about the installation. Instead of installing two modules, one at each front corner, what about making a single module that goes under the dash and connects to the switch end(s) of the wiring harness? This seems like it would be a simpler install, since you wouldn't need to pull the wires out of the fenders and rubber conduits/boots, and you could control both sidemarker lights from one box. Basically, it would be putting the new controls at the other end of the wires, instead of at the light-bulb end.
|
| Spoke |
Jan 6 2024, 03:11 PM
Post
#3
|
|
Jerry ![]() ![]() ![]() ![]() ![]() Group: Members Posts: 7,333 Joined: 29-October 04 From: Allentown, PA Member No.: 3,031 Region Association: None
|
@Spoke -- I love the idea, but have a question about the installation. Instead of installing two modules, one at each front corner, what about making a single module that goes under the dash and connects to the switch end(s) of the wiring harness? This seems like it would be a simpler install, since you wouldn't need to pull the wires out of the fenders and rubber conduits/boots, and you could control both sidemarker lights from one box. Basically, it would be putting the new controls at the other end of the wires, instead of at the light-bulb end. @BillC Interesting idea. Not sure where the wires would be under the dash or maybe on the fuse panel. On my '71, the passenger side had 4 wires: turnsignal, running, sidemarker, ground. On the driver side there were only 3 wires: turnsignal, running+sidemarker, ground. So not sure the wires for both front sidemarkers could be found on the fuse panel. Attached image(s)
|
| BillC |
Jan 27 2024, 11:04 AM
Post
#4
|
|
Senior Member ![]() ![]() ![]() Group: Members Posts: 701 Joined: 24-April 15 From: Silver Spring, MD Member No.: 18,667 Region Association: MidAtlantic Region
|
@Spoke -- I love the idea, but have a question about the installation. Instead of installing two modules, one at each front corner, what about making a single module that goes under the dash and connects to the switch end(s) of the wiring harness? This seems like it would be a simpler install, since you wouldn't need to pull the wires out of the fenders and rubber conduits/boots, and you could control both sidemarker lights from one box. Basically, it would be putting the new controls at the other end of the wires, instead of at the light-bulb end. @BillC Interesting idea. Not sure where the wires would be under the dash or maybe on the fuse panel. On my '71, the passenger side had 4 wires: turnsignal, running, sidemarker, ground. On the driver side there were only 3 wires: turnsignal, running+sidemarker, ground. So not sure the wires for both front sidemarkers could be found on the fuse panel. Oh well, it was a nice idea while it lasted. Once again, outsmarted by those old german engineers.... (IMG:style_emoticons/default/headbang.gif) Any idea when these new modules will come to market? I'll want to buy a set when I order the front LED boards (already have the rear boards). |
| Spoke |
Jul 25 2025, 09:46 AM
Post
#5
|
|
Jerry ![]() ![]() ![]() ![]() ![]() Group: Members Posts: 7,333 Joined: 29-October 04 From: Allentown, PA Member No.: 3,031 Region Association: None
|
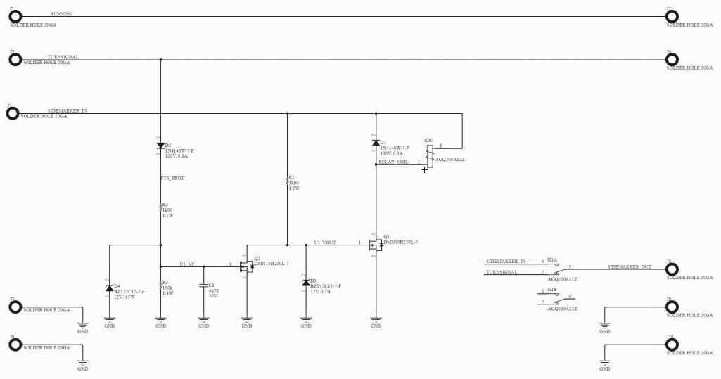
Any idea when these new modules will come to market? @BillC I'm finally back to addressing this function. Hopefully soon. I'll have new boards next week and should be assembling them shorty after that. If you're interested in trying these out I'd like to give you a set of modules. So I got looking at the diagrams and wondering if this will work. Need 2 small relays and 2 diodes. Should be able to mount on a small PCB. Turn signal feeds thru N/C contact on TR relay, diode prevents backfeed to running lights. Running light likewise feeds thru RR relay. Also energizes TR relay When running lights on, and turn signal activated, Flasher pulses the running lights relay, effectively turning them off. So the side marker actually flashes opposite of the front and rear lights. Minimal stock wiring disruption and should work for incandescent, LED, or a combination. @fixer34 Turns out the rear turnsignal-to-bake module I have uses almost the exact circuit as you drew with 2 relays. The only difference is the RTS-Brake modules use a double pole relay and the 2nd poles take the place of the diodes in your drawing. The RTS-Brake modules with brake on flash the turnsignals opposite of the front turnsignals. Since the front sidemarker and front turnsignal are adjacent I wanted them to flash in unison with running lights on and off. The front sidemarker flasher module uses 1 relay and some circuitry to keep the FSM and FTS in unison. Here's the circuit I'll be getting next week. There's an obvious mistake on the circuit. Can you spot it? Hopefully it will work as printed or I'll have to do some minor mods on these V1 boards. |
Spoke Front Sidemarker Flasher Module Dec 3 2023, 06:10 PM
Long_ago Yes please.
HB Dec 3 2023, 06:18 PM
FlacaProductions Interested. Dec 3 2023, 06:40 PM
914werke :cheer: Dec 3 2023, 06:59 PM
burton73 Great idea to be safe.
Bob B Dec 3 2023, 07:20 PM
56kabrio
There has been some interest in a module that wou... Dec 3 2023, 09:26 PM
second wind This would be a very nice safety modification....p... Dec 3 2023, 11:58 PM
Cairo94507 Of course I want a set. :). Thank you Jerry for so... Dec 4 2023, 08:30 AM
sb914 Great job once again! Dec 4 2023, 10:10 AM
914werke to clarify will this new board cause the sidemarke... Dec 4 2023, 10:51 AM
Spoke
to clarify will this new board cause the sidemark... Dec 4 2023, 11:04 AM
Root_Werks What a neat idea! Almost wish I still had side... Dec 4 2023, 04:38 PM
DRPHIL914
There has been some interest in a module that wou... Dec 5 2023, 12:27 PM
Spoke
There has been some interest in a module that wo... Dec 5 2023, 04:10 PM
Chris H. I'll take a set. Dec 5 2023, 12:39 PM
Spoke BTW looks like I f'ed up the schematic on the ... Dec 5 2023, 04:21 PM
majkos1 :popcorn: Dec 6 2023, 08:22 AM
majkos1 :popcorn: Dec 6 2023, 08:23 AM
anderssj Yes please. Dec 6 2023, 06:14 PM
StratPlayer In, indeed Dec 6 2023, 08:26 PM
second wind You build ....I buy !!!!
gg Dec 6 2023, 11:24 PM
Spoke A little Christmas present a bit early. Gotta do s... Dec 16 2023, 02:23 AM
Cairo94507 Very cool; can't wait to get them. Thanks for ... Dec 16 2023, 07:04 AM
Spoke Assembled the first set of boards. They seem to wo... Dec 22 2023, 07:27 PM
Jack Standz OK, looks great!
We will take one set when ... Dec 23 2023, 10:56 AM
Spoke OK time to install the flasher module on my 914. M... Dec 24 2023, 03:02 PM
Spoke Pulled the sidemarker wires off the socket ok. But... Dec 24 2023, 03:06 PM
Spoke All the wires have been pulled out of the conduit.... Dec 24 2023, 03:11 PM
Spoke This is the power spade pulled off of the sidemark... Dec 24 2023, 03:14 PM
Spoke This is the assembly for one side. The module has ... Dec 24 2023, 07:48 PM
Spoke To pull the wires and spades for the sidemarker th... Dec 24 2023, 07:55 PM
Spoke Sidemarker wires pulled through the main conduit.
... Dec 24 2023, 07:59 PM
Spoke Wires all connected and tie wrapped. The pigtail w... Dec 24 2023, 08:03 PM
Spoke The module in action. When the turnsignals end not... Dec 24 2023, 08:07 PM
Cairo94507 Great work Jerry; Merry Christmas. Looking forwar... Dec 25 2023, 08:00 AM
Osnabruck914 Not sure why this is being made so complicated. I... Dec 25 2023, 12:32 PM
Spoke
Not sure why this is being made so complicated. ... Dec 25 2023, 06:42 PM
Osnabruck914
[quote name='Osnabruck914' post='3119885' date='D... Dec 25 2023, 06:56 PM
Cairo94507 Going to take a shot at this.... Jerry is making L... Dec 25 2023, 04:13 PM
FlacaProductions Maybe this is the procedure in this thread:
https:... Dec 25 2023, 10:03 PM
Spoke
Maybe this is the procedure in this thread:
https... Dec 26 2023, 04:18 PM
FlacaProductions Interesting and didn't want to rain on your de... Dec 26 2023, 05:05 PM
Spoke The driver side installation went very well. Lesso... Jan 1 2024, 02:46 PM
fixer34 So I got looking at the diagrams and wondering if ... Jan 3 2024, 09:00 PM
Spoke
So I got looking at the diagrams and wondering if... Jan 3 2024, 11:11 PM
fixer34
So I got looking at the diagrams and wondering i... Jan 4 2024, 09:42 AM

fixer34
[quote name='BillC' post='3125778' date='Jan 27 2... Jul 25 2025, 06:29 PM


Spoke I still have a couple 1.5 x2" project boards ... Jul 25 2025, 07:56 PM

Spoke
There's an obvious mistake on the circuit. Ca... Aug 4 2025, 11:12 AM
fixer34
[b]@[url=http://www.914world.com/bbs2/index.php?s... Jan 6 2024, 06:35 PM
Cairo94507 Another way to make our cars a little bit more vis... Jul 25 2025, 09:57 AM
Spoke Got the first modules assembled and working.
POX0... Aug 3 2025, 09:56 PM
Spoke @Cairo94507
[b]@[url=http://www.914world.com/bbs... Aug 11 2025, 11:08 AM
Spoke The installation procedure is:
1) Jack the car up... Aug 11 2025, 11:28 AM
Cairo94507 @Spoke - Wow! Thank you Jerry. I look forwa... Aug 12 2025, 05:55 AM
saladin @Cairo94507 and [b]@[url=http://www.914world.com... Dec 18 2025, 10:45 PM
Cairo94507 I am sorry I have not got to these; I have been bu... Dec 19 2025, 07:42 AM
Spoke Bill decided not to do the conversion so @Ron914 ... Dec 19 2025, 08:12 AM
Ron914 Hi Jerry , @Spoke
I almost have all the parts ne... Dec 19 2025, 09:42 AM
Ron914 I finally had a chance to start the install of Spo... Feb 2 2026, 09:16 PM![]() ![]() |
|
Lo-Fi Version | Time is now: 3rd February 2026 - 09:01 PM |
| All rights reserved 914World.com © since 2002 |
|
914World.com is the fastest growing online 914 community! We have it all, classifieds, events, forums, vendors, parts, autocross, racing, technical articles, events calendar, newsletter, restoration, gallery, archives, history and more for your Porsche 914 ... |