|
|

|
Porsche, and the Porsche crest are registered trademarks of Dr. Ing. h.c. F. Porsche AG.
This site is not affiliated with Porsche in any way. Its only purpose is to provide an online forum for car enthusiasts. All other trademarks are property of their respective owners. |
|
|
![]() ![]() |
| BPic |
Apr 16 2020, 03:41 PM
Post
#1
|
|
Member ![]() ![]() Group: Members Posts: 343 Joined: 5-February 18 From: Miami, Florida Member No.: 21,864 Region Association: South East States
|
I hope you all are safe and well.
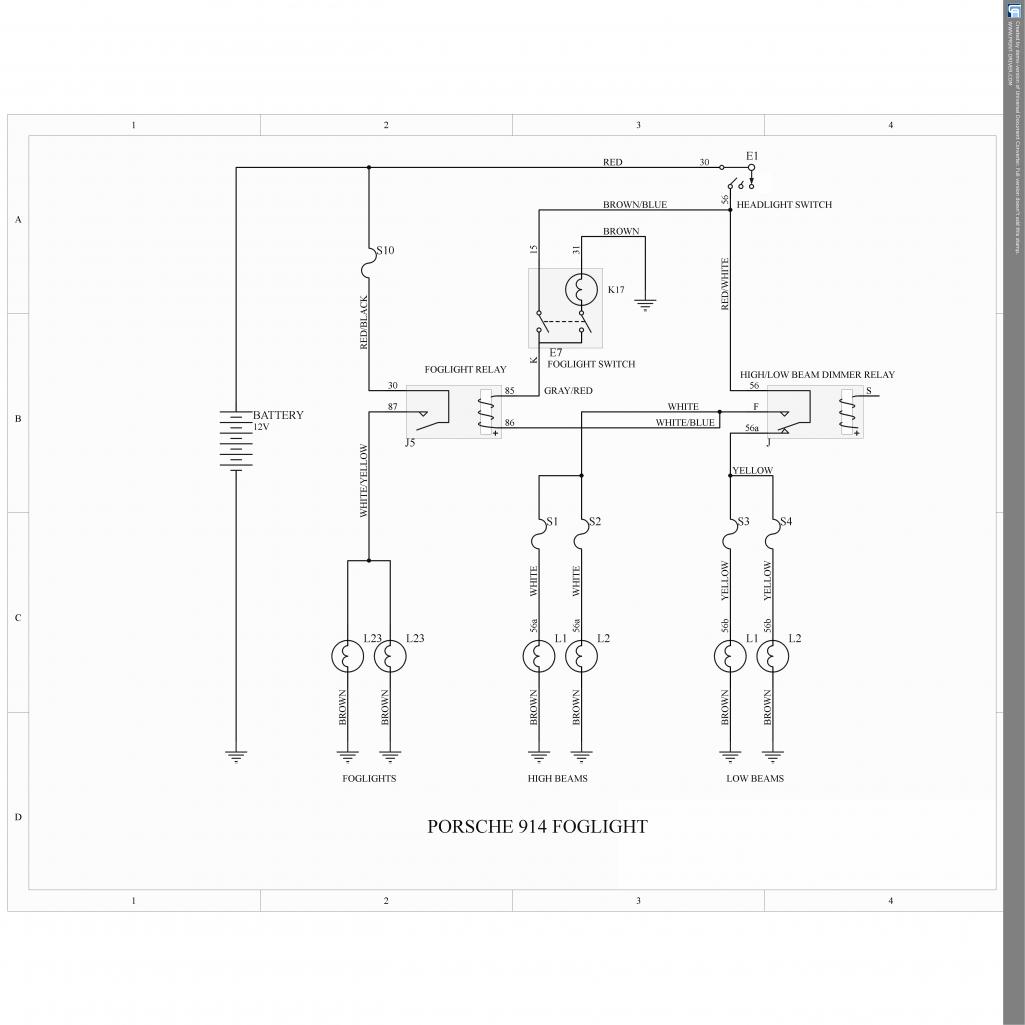
Trying to wrap up all the wiring connections. I have, based on my photos from 2 years ago and the wiring diagrams, all the wires connected correctly. However if I leave the running lights and headlights on for 5-10 minutes the housing on the headlight switch is almost to hot to touch. I really don't want to spend more money on a switch. Do you think that's what it is? Are they rebuildable? Thanks all! (IMG:style_emoticons/default/beerchug.gif) |
| Superhawk996 |
Apr 16 2020, 03:54 PM
Post
#2
|
|
914 Guru ![]() ![]() ![]() ![]() ![]() Group: Members Posts: 7,767 Joined: 25-August 18 From: Woods of N. Idaho Member No.: 22,428 Region Association: Galt's Gulch
|
I hope you all are safe and well. Trying to wrap up all the wiring connections. I have, based on my photos from 2 years ago and the wiring diagrams, all the wires connected correctly. However if I leave the running lights and headlights on for 5-10 minutes the housing on the headlight switch is almost to hot to touch. I really don't want to spend more money on a switch. Do you think that's what it is? Are they rebuildable? Thanks all! (IMG:style_emoticons/default/beerchug.gif) Suggestion: You have probably have a high resistance connection somewhere on or within the switch. Start by cleaning each of the terminals that attaches to the switch. If the high resistance is internal you'll likely need a new switch. |
| lierofox |
Apr 16 2020, 04:40 PM
Post
#3
|
|
Member ![]() ![]() Group: Members Posts: 256 Joined: 23-June 15 From: Paso Robles, CA Member No.: 18,880 Region Association: Southern California
|
Alternatively if you're feeling adventurous you can open the headlight switch up, and see if there's worn slider contacts, chances are it's the headlight contact that's starting to get worn down and pitted, depending on the year of the switch you can swap it with the slider contact for the marker lights which is identical.
https://www.pelicanparts.com/techarticles/9...lamp_switch.htm |
| Bleyseng |
Apr 16 2020, 05:14 PM
Post
#4
|
|
Aircooled Baby! ![]() ![]() ![]() ![]() ![]() ![]() ![]() ![]() ![]() ![]() Group: Members Posts: 13,037 Joined: 27-December 02 From: Seattle, Washington (for now) Member No.: 24 Region Association: Pacific Northwest |
or are you running H4 's without relays?
|
| BPic |
Apr 17 2020, 06:50 AM
Post
#5
|
|
Member ![]() ![]() Group: Members Posts: 343 Joined: 5-February 18 From: Miami, Florida Member No.: 21,864 Region Association: South East States
|
@Superhawk996 - I'll give this a shot I appreciate the info. I hope you all are safe and well. Trying to wrap up all the wiring connections. I have, based on my photos from 2 years ago and the wiring diagrams, all the wires connected correctly. However if I leave the running lights and headlights on for 5-10 minutes the housing on the headlight switch is almost to hot to touch. I really don't want to spend more money on a switch. Do you think that's what it is? Are they rebuildable? Thanks all! (IMG:style_emoticons/default/beerchug.gif) Suggestion: You have probably have a high resistance connection somewhere on or within the switch. Start by cleaning each of the terminals that attaches to the switch. If the high resistance is internal you'll likely need a new switch. |
| BPic |
Apr 17 2020, 06:53 AM
Post
#6
|
|
Member ![]() ![]() Group: Members Posts: 343 Joined: 5-February 18 From: Miami, Florida Member No.: 21,864 Region Association: South East States
|
@lierofox - Thanks. I may have to dig into it. This will be a last resort before buying a different switch. Thanks for the link! Alternatively if you're feeling adventurous you can open the headlight switch up, and see if there's worn slider contacts, chances are it's the headlight contact that's starting to get worn down and pitted, depending on the year of the switch you can swap it with the slider contact for the marker lights which is identical. https://www.pelicanparts.com/techarticles/9...lamp_switch.htm |
| BPic |
Apr 17 2020, 06:59 AM
Post
#7
|
|
Member ![]() ![]() Group: Members Posts: 343 Joined: 5-February 18 From: Miami, Florida Member No.: 21,864 Region Association: South East States
|
@Bleyseng - Ok you may be onto something here. I have H4's. Do they not run through the normal headlight relay? I need an additional relay? If so is there any info on wiring and placement of the added relay?
The headlights came with the car and I'm just finishing a full resto on it. I'll end up going with LED headlights but would like to use these for now. Thanks! or are you running H4 's without relays? |
| brant |
Apr 17 2020, 07:27 AM
Post
#8
|
|
914 Wizard ![]() ![]() ![]() ![]() ![]() ![]() ![]() ![]() ![]() ![]() Group: Members Posts: 12,167 Joined: 30-December 02 From: Colorado Member No.: 47 Region Association: Rocky Mountains
|
Geoff got it
You can’t run hi output headlights through a stock switch The switch was never designed for this much current You have to re wire the power through separate relays and not the switch You will burn out the stock switch and possibly the main wiring harness if you don’t fix this |
| Spoke |
Apr 17 2020, 07:38 AM
Post
#9
|
|
Jerry ![]() ![]() ![]() ![]() ![]() Group: Members Posts: 7,370 Joined: 29-October 04 From: Allentown, PA Member No.: 3,031 Region Association: None
|
All the current in the headlights indeed run through the headlight switch. One would need to add an extra relay to run higher power headlights. Might be a good time to switch to LED headlights.
Attached thumbnail(s) |
| BPic |
Apr 17 2020, 07:40 AM
Post
#10
|
|
Member ![]() ![]() Group: Members Posts: 343 Joined: 5-February 18 From: Miami, Florida Member No.: 21,864 Region Association: South East States
|
@Geoff - And this explains why I had to replace so many wires when I rebuilt the harness. The PO made several "upgrades" that were shoddy. I'll get this one fixed as well.
Appreciate the input. Geoff got it You can’t run hi output headlights through a stock switch The switch was never designed for this much current You have to re wire the power through separate relays and not the switch You will burn out the stock switch and possibly the main wiring harness if you don’t fix this |
| BPic |
Apr 17 2020, 07:42 AM
Post
#11
|
|
Member ![]() ![]() Group: Members Posts: 343 Joined: 5-February 18 From: Miami, Florida Member No.: 21,864 Region Association: South East States
|
@spoke - So no relay needed with LED? Maybe I'll bite the bullet and buy the ones we discussed on the phone.
Thank you! All the current in the headlights indeed run through the headlight switch. One would need to add an extra relay to run higher power headlights. Might be a good time to switch to LED headlights. |
| Spoke |
Apr 17 2020, 07:53 AM
Post
#12
|
|
Jerry ![]() ![]() ![]() ![]() ![]() Group: Members Posts: 7,370 Joined: 29-October 04 From: Allentown, PA Member No.: 3,031 Region Association: None
|
@spoke - So no relay needed with LED? Maybe I'll bite the bullet and buy the ones we discussed on the phone. Thank you! All the current in the headlights indeed run through the headlight switch. One would need to add an extra relay to run higher power headlights. Might be a good time to switch to LED headlights. LED power to put out the same amount of light as an OEM headlight should be at least half of the current of the OEM bulbs. Given the 914 was an inexpensive car (WRT Porsche standards), the headlights were not relay driven. So no, you would not need to add a relay for LED headlights. 914rubber sells LED headlights as well as carmagic.us. I have carmagic.us LED headlights on my 930. They're very bright and have a very sharp upper cutoff. Attached thumbnail(s) |
| Superhawk996 |
Apr 17 2020, 07:58 AM
Post
#13
|
|
914 Guru ![]() ![]() ![]() ![]() ![]() Group: Members Posts: 7,767 Joined: 25-August 18 From: Woods of N. Idaho Member No.: 22,428 Region Association: Galt's Gulch
|
Alternatively if you're feeling adventurous you can open the headlight switch up, and see if there's worn slider contacts, chances are it's the headlight contact that's starting to get worn down and pitted, depending on the year of the switch you can swap it with the slider contact for the marker lights which is identical. https://www.pelicanparts.com/techarticles/9...lamp_switch.htm Nice -- Thanks for posting that link. That may come in handy someday. There are definately plenty of contacts in there that could be corroded and/or burned and going to a high resistance state. Especially so if you were pulling H4 current though them. DeOxit is a favorite for breaking down internal swith corrosion without the need to disassemble the switch. Power = I^2 x R or said in english Heat=current draw x current draw x resistance The headlamps pull much larger current than the backlight bulbs operating on the rheostat so that is probably the source of the heat. Can't say that with absolute certainty but that is what the math suggest. |
| Bleyseng |
Apr 17 2020, 10:08 AM
Post
#14
|
|
Aircooled Baby! ![]() ![]() ![]() ![]() ![]() ![]() ![]() ![]() ![]() ![]() Group: Members Posts: 13,037 Joined: 27-December 02 From: Seattle, Washington (for now) Member No.: 24 Region Association: Pacific Northwest |
@spoke - So no relay needed with LED? Maybe I'll bite the bullet and buy the ones we discussed on the phone. Thank you! All the current in the headlights indeed run through the headlight switch. One would need to add an extra relay to run higher power headlights. Might be a good time to switch to LED headlights. Get the ones from 914Rubber as they have the right pattern. I installed a set and they work great, much brighter so I installed them also on my Westy. I have H4 headlights now with LED bulbs, so much better |
| 90quattrocoupe |
Apr 17 2020, 12:55 PM
Post
#15
|
|
Member ![]() ![]() Group: Members Posts: 208 Joined: 4-November 16 From: Long Beach, CA. Member No.: 20,561 Region Association: Southern California |
If you want to go the relay way, this is the way that PMB, relayed the hi-beam, low-beam, fogs and horns on my car. Hella 4 position relay board and 4 position fuse panel.
Greg W. (IMG:http://www.914world.com/bbs2/uploads_offsite/i.imgur.com-20561-1587149741.1.jpg) |
| Superhawk996 |
Apr 18 2020, 10:12 AM
Post
#16
|
|
914 Guru ![]() ![]() ![]() ![]() ![]() Group: Members Posts: 7,767 Joined: 25-August 18 From: Woods of N. Idaho Member No.: 22,428 Region Association: Galt's Gulch
|
@90quattrocoupe
Nice clean setup and you wouldn't even see it unless you're looking for it. I like it! |
| Bleyseng |
Apr 18 2020, 10:34 AM
Post
#17
|
|
Aircooled Baby! ![]() ![]() ![]() ![]() ![]() ![]() ![]() ![]() ![]() ![]() Group: Members Posts: 13,037 Joined: 27-December 02 From: Seattle, Washington (for now) Member No.: 24 Region Association: Pacific Northwest |
I installed relays with my H4's years ago but with the new led bulbs you don't need them. Cool setup...
|
| 90quattrocoupe |
Apr 18 2020, 10:38 AM
Post
#18
|
|
Member ![]() ![]() Group: Members Posts: 208 Joined: 4-November 16 From: Long Beach, CA. Member No.: 20,561 Region Association: Southern California |
|
![]() ![]() |
|
Lo-Fi Version | Time is now: 2nd April 2026 - 07:21 AM |
| All rights reserved 914World.com © since 2002 |
|
914World.com is the fastest growing online 914 community! We have it all, classifieds, events, forums, vendors, parts, autocross, racing, technical articles, events calendar, newsletter, restoration, gallery, archives, history and more for your Porsche 914 ... |