|
|

|
Porsche, and the Porsche crest are registered trademarks of Dr. Ing. h.c. F. Porsche AG.
This site is not affiliated with Porsche in any way. Its only purpose is to provide an online forum for car enthusiasts. All other trademarks are property of their respective owners. |
|
|
![]() ![]() |
| moggy |
Jun 22 2013, 02:38 AM
Post
#1
|
|
Member ![]() ![]() Group: Members Posts: 192 Joined: 15-December 04 From: Wales Member No.: 3,285 |
It's time I moved out of the dark ages and got myself a dry sump system on the rallycar. What's everyone using? Any pictures of installations? especially with the stock cooling. My concern is that I'll have to do some major surgery on the fan shroud (4 cylinder engine) as any dry sump pump will sit so far proud that I'll have to cut a hole in the fan shroud. Really interested to see what everyone has done. (IMG:style_emoticons/default/beerchug.gif)
|
| tomeric914 |
Jun 22 2013, 12:15 PM
Post
#2
|
|
One Lap of America in a 914! ![]() ![]() ![]() Group: Members Posts: 1,276 Joined: 25-May 08 From: Syracuse, NY Member No.: 9,101 Region Association: North East States
|
I was going to go dry sump with the four, but switching to a six killed two birds with one stone. More power AND a dry sump. (IMG:style_emoticons/default/beerchug.gif)
However, since you run rallies with yours, this would likely put you into a different class. |
| McMark |
Jun 22 2013, 05:44 PM
Post
#3
|
|
914 Freak! ![]() ![]() ![]() ![]() ![]() ![]() ![]() ![]() ![]() ![]() ![]() ![]() ![]() ![]() ![]() Group: Retired Admin Posts: 20,180 Joined: 13-March 03 From: Grand Rapids, MI Member No.: 419 Region Association: None |
I bought a TypeI Auto-Stick oil pump with fits in the stock location and has a secondary pump. It would still take some creative plumbing to make it all work and I have no idea how well it would work. But it's something to keep in mind.
(IMG:http://www.914world.com/bbs2/uploads_offsite/i40.photobucket.com-419-1371944676.1.jpg) |
| Matt Romanowski |
Jun 22 2013, 07:22 PM
Post
#4
|
|
Senior Member ![]() ![]() ![]() Group: Members Posts: 878 Joined: 4-January 04 From: Manchester, NH Member No.: 1,507 |
I would be concerned with the scavenge on that pump.
|
| moggy |
Jun 23 2013, 03:33 PM
Post
#5
|
|
Member ![]() ![]() Group: Members Posts: 192 Joined: 15-December 04 From: Wales Member No.: 3,285 |
Thanks for the feedback so far guys. I've done a bit of Google time. Looks like CB Performance do the kind of one I need i.e. one that doesn't need a number fo scavenge points drilled into the engine - nice a simple bolt on solution. Anyone else running this?
http://www.cbperformance.com/ProductDetail...ductCode=1745bk Good price too.. Excellent info on installation of the above can be found here: http://www.shoptalkforums.com/viewtopic.ph...15&t=141653 Most importantly... does anyone know if this pump fits behind the standard 914 fanshroud and if it fits to a Type4 without any mods? If so.... I'm good to go :-) |
| bam914 |
Jun 23 2013, 04:37 PM
Post
#6
|
|
Member ![]() ![]() Group: Members Posts: 342 Joined: 23-November 03 From: Atlanta, Ga Member No.: 1,378 Region Association: None |
Get a pump from Thorsten Pieper. It is a 2 stage unit made from billet Al. Very nice. It will fit behind the fan, you just to notch the fan shroud for it.
![]() ![]() ![]() |
| ChrisFoley |
Jun 23 2013, 04:39 PM
Post
#7
|
|
I am Tangerine Racing ![]() ![]() ![]() ![]() ![]() Group: Members Posts: 8,012 Joined: 29-January 03 From: Bolton, CT Member No.: 209 Region Association: None
|
I use the CB 2 rotor pumps.
The front inlet and outlet ports are a bit too restrictive imo, and the fittings/hoses will interfere with stock 914 engine mounting brackets. The pump gears aren't that long, meaning they don't move a large volume of oil, so I do everything I can to improve the flow wherever I think there's a restriction in each port, chamber and orifice of the pump. The brackets can be clearanced but it will still be tight. I'm pretty sure the cooling shroud will fit but it will be nearly impossible to attach/remove hoses at the pump once the engine is fully assembled. |
| Randal |
Jun 23 2013, 08:25 PM
Post
#8
|
|
Advanced Member ![]() ![]() ![]() ![]() Group: Members Posts: 4,446 Joined: 29-May 03 From: Los Altos, CA Member No.: 750 |
I use the CB 2 rotor pumps. The front inlet and outlet ports are a bit too restrictive imo, and the fittings/hoses will interfere with stock 914 engine mounting brackets. The pump gears aren't that long, meaning they don't move a large volume of oil, so I do everything I can to improve the flow wherever I think there's a restriction in each port, chamber and orifice of the pump. The brackets can be clearanced but it will still be tight. I'm pretty sure the cooling shroud will fit but it will be nearly impossible to attach/remove hoses at the pump once the engine is fully assembled. Do you get additional HP by running a dry sump oiling system? And if the answer is yes, how much on a Type IV? |
| dlestep |
Jun 23 2013, 08:46 PM
Post
#9
|
|
I am smilin'... ![]() ![]() ![]() Group: Members Posts: 890 Joined: 15-January 08 From: Sunrise Florida Member No.: 8,573 Region Association: South East States |
Do you get additional HP by running a dry sump oiling system? And if the answer is yes, how much on a Type IV? I would estimate 8 to 10 hp at the upper range of the rpm. Which is okay in my book, because oil has two jobs in our engines. Lubrication and cooling. It would be well worth it, because all of the check marks are on the positive side, even with having to manage 10+ quarts of oil. |
| moggy |
Jun 23 2013, 11:59 PM
Post
#10
|
|
Member ![]() ![]() Group: Members Posts: 192 Joined: 15-December 04 From: Wales Member No.: 3,285 |
Get a pump from Thorsten Pieper. It is a 2 stage unit made from billet Al. Very nice. It will fit behind the fan, you just to notch the fan shroud for it. Very nice. Where do you buy that from and how much is it? Google doesn't give me much on the name. Also, does it interfere with the engine mount, like Chris says about the CB? I'm guessing it would as the in/out are in the same place. |
| bam914 |
Jun 24 2013, 09:43 AM
Post
#11
|
|
Member ![]() ![]() Group: Members Posts: 342 Joined: 23-November 03 From: Atlanta, Ga Member No.: 1,378 Region Association: None |
It was over $400.00. He is in Germany. You do need to modify the engine mount. Are you on Facebook? I can contact him there.
|
| r_towle |
Jun 24 2013, 03:40 PM
Post
#12
|
|
Custom Member ![]() ![]() ![]() ![]() ![]() ![]() ![]() ![]() ![]() ![]() ![]() ![]() ![]() ![]() ![]() Group: Members Posts: 24,705 Joined: 9-January 03 From: Taxachusetts Member No.: 124 Region Association: North East States
|
If you go to the 911 cooling shroud, everything fits just fine
|
| moggy |
Jun 25 2013, 01:06 AM
Post
#13
|
|
Member ![]() ![]() Group: Members Posts: 192 Joined: 15-December 04 From: Wales Member No.: 3,285 |
It was over $400.00. He is in Germany. You do need to modify the engine mount. Are you on Facebook? I can contact him there. I'm not on Facebook, does he have a telephone number or website/email. I can't seem to find anything on Google. Also, do you have any pictures of the mods you had to do on the engine mounts? the photo's of the fan shroud modifications are really useful - Thanks (IMG:style_emoticons/default/smile.gif) |
| moggy |
Jun 28 2013, 12:00 PM
Post
#14
|
|
Member ![]() ![]() Group: Members Posts: 192 Joined: 15-December 04 From: Wales Member No.: 3,285 |
I'm going for the Thorsten Pieper pump (Thanks Blake for hooking me up with him). It's got some larger gears than the CB one
Piper - Suction=38mm, Pressure=26mm CB - Suction=26mm, Pressure=21 for my application I think it's best to go with the bigger oil mover (IMG:style_emoticons/default/biggrin.gif) Going to be looking at the Oil Tank location and available tank options this weekend. Will keep you all posted. |
| moggy |
Jun 28 2013, 12:42 PM
Post
#15
|
|
Member ![]() ![]() Group: Members Posts: 192 Joined: 15-December 04 From: Wales Member No.: 3,285 |
Quick question.....
What do I do with the current oil in/out? Currently they are just to the right of the old oil filter take off. Do I simply just block them off like in the below photo? (IMG:http://www.914world.com/bbs2/uploads_offsite/images.thesamba.com-3285-1372444935.1.jpg) |
| yeahmag |
Jun 28 2013, 05:27 PM
Post
#16
|
|
Advanced Member ![]() ![]() ![]() ![]() Group: Members Posts: 2,468 Joined: 18-April 05 From: Pasadena, CA Member No.: 3,946 Region Association: Southern California
|
My build shows most everything you need to know:
http://www.914world.com/bbs2/index.php?sho...=165464&hl= |
| stugray |
Jul 5 2013, 08:24 PM
Post
#17
|
|
Advanced Member ![]() ![]() ![]() ![]() Group: Members Posts: 3,825 Joined: 17-September 09 From: Longmont, CO Member No.: 10,819 Region Association: None |
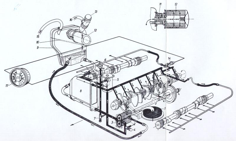
Anyone have complete diagrams?
I have read most of the threads from above or from the search, but very few have a diagram that shows where every single connection goes. What would be really nice is one that shows the difference between just "full flow" and "dry sump". Stu |
| yeahmag |
Jul 6 2013, 09:01 AM
Post
#18
|
|
Advanced Member ![]() ![]() ![]() ![]() Group: Members Posts: 2,468 Joined: 18-April 05 From: Pasadena, CA Member No.: 3,946 Region Association: Southern California
|
![]() |
| stugray |
Jul 6 2013, 12:02 PM
Post
#19
|
|
Advanced Member ![]() ![]() ![]() ![]() Group: Members Posts: 3,825 Joined: 17-September 09 From: Longmont, CO Member No.: 10,819 Region Association: None |
That helps but it doesnt show the other half.
That diagram does not include any of the actual engine lubrication system. (To be honest, all that diagram shows is how to have a nice oil reservoir that does not come in contact with the engine oil in any way ;-) I hope no-one is running it exactly like that.... I assume that the CB pump is the dual (4 gear type), so the 'main' pump body must scavenge oil from the case sump and pump it out through.....: A - the oil filter housing bracket (requires a block off plate or threading the case) B - the oil pressure relief housing hole (requires some special adapter fitting- thread = TBD) C - the oil cooler bracket (requires a block off plate or threading the case). ( all of the above after running through some of the oil galley passages ) Also, after looking at the 914-6 oil system, the above does not seem to be optimal in that: in the 914-6 version (IMG:http://www.914world.com/bbs2/uploads_offsite/www.pelicanparts.com-10819-1373133765.1.jpg) , the scavenge pump blows directly into the tank. I would think that foam would be less effective at cooling if it goes through a cooler. the above diagram does not seem to be optimal in that The extra pump is being used to ONLY circulate through the filter, cooler, and back to the tank. I thought one of the main reasons to run a dry sump was to use the extra pump "loop" to run uninterrupted (read no air bubbles) back to the engine oiling system. The diagram does nothing to help there. After thinking about it for a while it seems the best design is: Use a 4 gear pump (one set of gears works exactly like the stock pump, no block-off). Stock-like-pump-gears just scavenge from the engine sump and blows out through an (optional remote or) stock oil filter location into a catch tank. No pressure relief required since it is open ended into the catch tank Extra pump gears (external to the stock pump - might require extra clearance) pull in through bottom of catch tank and blow through: Oil cooler Additional filter (if desired) Then back to engine lubrication system at high pressure. So the diagram above still only addresses a small piece of the puzzle. I will try to draw up the various options for the system, but will take some time. It seems that most of the confusion about these systems is the lack of clear plumbing diagrams. Stu |
| john rogers |
Jul 7 2013, 07:28 PM
Post
#20
|
|
Senior Member ![]() ![]() ![]() Group: Members Posts: 1,525 Joined: 4-March 03 From: Chula Vista CA Member No.: 391 |
Some things to remember about dry sump systems.
- They are not cheap, the use of braided Earl's -12 lines alone is a large expense. A top of the line cooler is not cheap either. - The suction pump has to be higher capacity that the pressure pump and when you get above 4K RPM the crankcase will usually become under a vacuum. The valve cover gaskets will need to be held in place or they can get sucked loose so most times a vent is added to each valve cover. - The oil level in the sump tank has to be figured when hot and level, much like a regular Porsche dry sump in a 911, otherwise the oil will find a way to blow out the sump tank. - Which brings us to a puke tank, it needs to be large and able to handle blow by if the oil level gets too high. Good luck |
![]() ![]() |
|
Lo-Fi Version | Time is now: 23rd October 2025 - 01:24 PM |
| All rights reserved 914World.com © since 2002 |
|
914World.com is the fastest growing online 914 community! We have it all, classifieds, events, forums, vendors, parts, autocross, racing, technical articles, events calendar, newsletter, restoration, gallery, archives, history and more for your Porsche 914 ... |