|
|

|
Porsche, and the Porsche crest are registered trademarks of Dr. Ing. h.c. F. Porsche AG.
This site is not affiliated with Porsche in any way. Its only purpose is to provide an online forum for car enthusiasts. All other trademarks are property of their respective owners. |
|
|
| Lucky9146 |
Aug 3 2015, 12:17 PM
Post
#1
|
|
Always Wanted A Bigger Go Cart ![]() ![]() ![]() Group: Members Posts: 1,711 Joined: 22-September 14 From: Poway California Member No.: 17,942 Region Association: Southern California
|
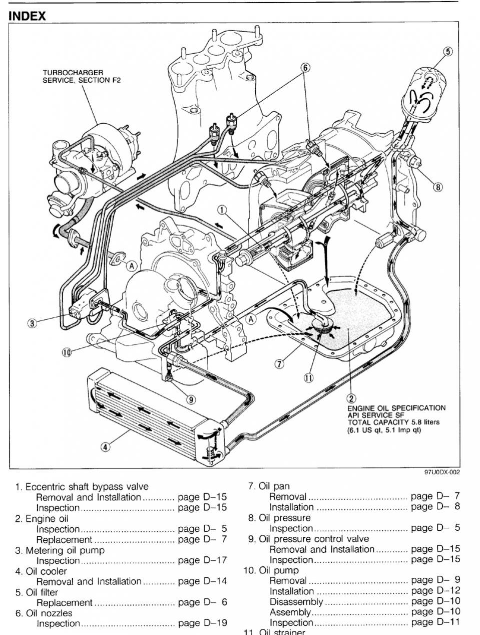
Have a modified RX7 Oil Cooler that came with the car which was in process of a 6 conversion. Hoses are run to the engine bay ready to hook up to thermostat. Does anyone know if it matters if the oil enters from the top of cooler or bottom or does it really matter? Internal Tank thermostat is removed already I am going to run a Mocal. Appreciate the input especially from anyone actually running one. Thanks!
Attached image(s)
|
Lucky9146 Mazda RX7 Oil Cooler Flow Aug 3 2015, 12:17 PM
screenguy914
Have a modified RX7 Oil Cooler that came with the... Aug 3 2015, 01:05 PM
Lucky9146
Have a modified RX7 Oil Cooler that came with th... Aug 3 2015, 01:21 PM
lonewolfe
[quote name='screenguy914' post='2218202' date='A... Aug 3 2015, 02:33 PM
Lucky9146 I have this same oil cooler but it's not insta... Aug 3 2015, 03:36 PM
lonewolfe
I have this same oil cooler but it's not inst... Aug 3 2015, 03:40 PM
Lucky9146 Yes I have pictures of the fabricated frame and fa... Aug 3 2015, 03:50 PM
'73-914kid I concur. I was always told with oil coolers, ... Aug 3 2015, 03:11 PM
rhodyguy You might want to cushion the line where it passes... Aug 3 2015, 06:04 PM
Lucky9146
Thanks those are actually old pics from PO that ... Aug 3 2015, 06:26 PM
gms here you go
Aug 6 2015, 09:23 AM
Lucky9146
here you go
Glen, thanks for the picture of th... Aug 6 2015, 11:31 AM
McMark If the thermostat has been gutted, you can flow th... Aug 6 2015, 09:26 AM
jcd914 If memory serves me, there are 4 rows in one direc... Aug 6 2015, 10:15 AM
gms As Mark said, if you removed the thermostat it doe... Aug 7 2015, 07:46 AM
Mark Henry
Although this sounds logical, I doubt it really ... Aug 7 2015, 10:54 AM
rgalla9146 Thank you Glen for posting the factory diagram.
... Aug 7 2015, 05:04 PM
lonewolfe Perhaps the thermostat temperature setting is in t... Aug 7 2015, 05:48 PM![]() ![]() |
|
Lo-Fi Version | Time is now: 29th April 2026 - 10:45 PM |
| All rights reserved 914World.com © since 2002 |
|
914World.com is the fastest growing online 914 community! We have it all, classifieds, events, forums, vendors, parts, autocross, racing, technical articles, events calendar, newsletter, restoration, gallery, archives, history and more for your Porsche 914 ... |