|
|

|
Porsche, and the Porsche crest are registered trademarks of Dr. Ing. h.c. F. Porsche AG.
This site is not affiliated with Porsche in any way. Its only purpose is to provide an online forum for car enthusiasts. All other trademarks are property of their respective owners. |
|
|
| orthobiz |
Sep 17 2015, 05:26 PM
Post
#41
|
|
Senior Member ![]() ![]() ![]() Group: Members Posts: 1,759 Joined: 8-January 07 From: Cadillac, Michigan Member No.: 7,438 Region Association: Upper MidWest
|
I love my brand new GE Nighthawks. There is no way I could go back to regular headlights. I had a set of sealed beam Hellas.
Last night I turned on the fog lights for the first time and the high beams came on. When I looked at the front of the car, all three were on: the regular lights, high beams AND the fog lights. Any fix for this? I would like to have the fog lights and the low beams on at the same time without the high beams. Edit: up until I installed the LED headlights, turning on the fog lights did NOT turn on the high beams. And turning on the high beams turned OFF the fog lights. In other words, normal behavior. Thanks, Paul |
orthobiz LED Headlights: Turning on the fogs turns on the high beams, too! Sep 17 2015, 05:26 PM
screenguy914 Sounds like the PO switched wires on the headlight... Sep 17 2015, 05:45 PM
orthobiz Hopefully a pic soon, I have a 1974 1.8 liter. It ... Sep 17 2015, 05:50 PM
orthobiz I'm sure you meant more than this, but here... Sep 17 2015, 06:42 PM
Mike Bellis In stock form, the highbeam circuit provides groun... Sep 17 2015, 07:11 PM
orthobiz Changed my topic heading to indicate that the fog ... Sep 18 2015, 04:04 AM
Chris Pincetich After installing my LED headlights, which coincide... Sep 18 2015, 09:26 AM
mepstein change it back. see if it fixes it's self. Sep 18 2015, 10:28 AM
orthobiz
change it back. see if it fixes it's self.
... Sep 18 2015, 04:00 PM
904svo Porsche used relay logic to operate the fog lamps,... Sep 18 2015, 01:06 PM
orthobiz I am in no way an electrical genius BUT I've b... Sep 19 2015, 05:45 AM
Dave_Darling There is no separate relay that cuts the fogs off.... Sep 19 2015, 11:08 AM
orthobiz Wow, incredible answer Dave! I'm gonna try... Sep 19 2015, 02:37 PM
Dave_Darling The relays in question are located on top of the f... Sep 19 2015, 11:43 PM
Mike Bellis There is no way the fog lamp power circuit can eff... Sep 20 2015, 12:20 AM
steuspeed Then there is always the JWest fog light upgrade. ... Sep 20 2015, 12:44 AM
Bartlett 914 I believe on a stock car you don't want the fo... Sep 20 2015, 07:55 AM
orthobiz I don't know the history of this car but it ha... Sep 20 2015, 09:07 AM
screenguy914 Hi-Lo beams, headlight cover motor, running lights... Sep 20 2015, 01:53 PM
orthobiz
Hi-Lo beams, headlight cover motor, running light... Sep 20 2015, 08:17 PM
john77 Are you sure it doesn't already have the JWest... Sep 20 2015, 06:11 PM
orthobiz
Are you sure it doesn't already have the JWes... Sep 20 2015, 08:16 PM
Chris Pincetich
Are you sure it doesn't already have the JWes... Sep 21 2015, 09:07 AM
orthobiz
I have pulled the JWest fog light module and I ... Sep 21 2015, 03:09 PM
Chris H. Aw man really? Have we confirmed the JWest flashe... Sep 21 2015, 09:21 AM
dangerranger01
Aw man really? Have we confirmed the JWest flash... Sep 21 2015, 07:21 PM
904svo Try this. On fuse#1 there is 2 white/blue wires (o... Sep 21 2015, 06:24 PM
orthobiz
Try this. On fuse#1 there is 2 white/blue wires (... Sep 21 2015, 07:46 PM

904svo
Try this. On fuse#1 there is 2 white/blue wires ... Sep 21 2015, 09:02 PM

raynekat
If you want that option, take the Blue/white wir... Feb 12 2021, 12:21 AM

JeffBowlsby
If you want that option, take the Blue/white wi... Feb 23 2021, 07:32 PM

raynekat Bruce, when I mentioned other relays, I meant the ... Feb 23 2021, 09:39 PM

Spoke
Bruce, when I mentioned other relays, I meant the... Feb 24 2021, 05:33 AM

raynekat
[quote name='raynekat' post='2894138' date='Feb 2... Feb 25 2021, 09:24 PM

mepstein
[quote name='Spoke' post='2894173' date='Feb 24 2... Feb 25 2021, 09:31 PM
Dave_Darling
Connect this wire to terminal #85 on a new relay.... Sep 21 2015, 09:03 PM
Chris Pincetich
Have we confirmed the JWest flasher is the proble... Sep 22 2015, 08:56 AM
Chris H.
Ah! Got it. Makes sense. I wish I had a d... Sep 23 2015, 04:36 PM
whitetwinturbo ..........how did you get "double" coupo... Sep 23 2015, 03:01 PM
mepstein
..........how did you get "double" coup... Sep 23 2015, 03:32 PM
orthobiz
..........how did you get "double" cou... Sep 24 2015, 06:18 PM
orthobiz Also I am happy with an "on my honor" sy... Sep 24 2015, 06:19 PM
Dave_Darling Just move that one wire to the relay off of the hi... Sep 24 2015, 06:33 PM
FlacaProductions researching the truck light LEDs - did this ever g... Mar 28 2019, 02:22 PM
Chi-town @bdstone914 looks like this is similar to the iss... Mar 28 2019, 04:19 PM
Mikey914
[b]@[url=http://www.914world.com/bbs2/index.php?s... Mar 29 2019, 09:11 AM
bdstone914
[b]@[url=http://www.914world.com/bbs2/index.php?... Mar 29 2019, 04:34 PM
Spoke Seems when changing to LEDs one should expect issu... Mar 29 2019, 07:18 PM
Matty900 The issue is the led is not pulling enough load. ... Mar 29 2019, 11:19 PM
Spoke
...it's a resistor and will get warm.
Spoke,... Mar 30 2019, 07:46 AM
FlacaProductions Sounds like this is the truth..... Mar 30 2019, 09:10 AM
Chi-town Could you separate the ground for the fog relay fr... Mar 30 2019, 10:56 PM
Spoke
Could you separate the ground for the fog relay f... Mar 31 2019, 06:37 AM
Mikey914 The load resistor needs to be on the low beam, to ... Mar 31 2019, 12:52 PM
drem914
The load resistor needs to be on the low beam, to... Apr 7 2019, 10:32 AM
Mikey914
The load resistor needs to be on the low beam, t... Apr 7 2019, 10:19 PM
drem914
[quote name='drem914' post='2703235' date='Apr 7 ... Apr 8 2019, 09:05 AM
Chi-town Easiest way
http://www.914world.com/bbs2/uploads_o... Apr 1 2019, 02:11 PM
Spoke
Easiest way
It could be so that this wire is fo... Apr 1 2019, 04:00 PM
bdstone914
Easiest way
It could be so that this wire is f... Apr 2 2019, 08:43 AM
Spoke
Talking to Bruce today, I realized my 930 with LE... Apr 6 2019, 10:34 AM
Spoke I may drop the fuse panel this weekend in my 914 t... Apr 2 2019, 11:20 AM
bdstone914
I may drop the fuse panel this weekend in my 914 ... Apr 2 2019, 06:06 PM
orthobiz I never posted my final solution. I had the fogs w... Apr 6 2019, 11:00 AM
FlacaProductions separately? you mean direct and bypassing the int... Apr 6 2019, 01:13 PM
orthobiz
separately? you mean direct and bypassing the in... Apr 6 2019, 02:35 PM
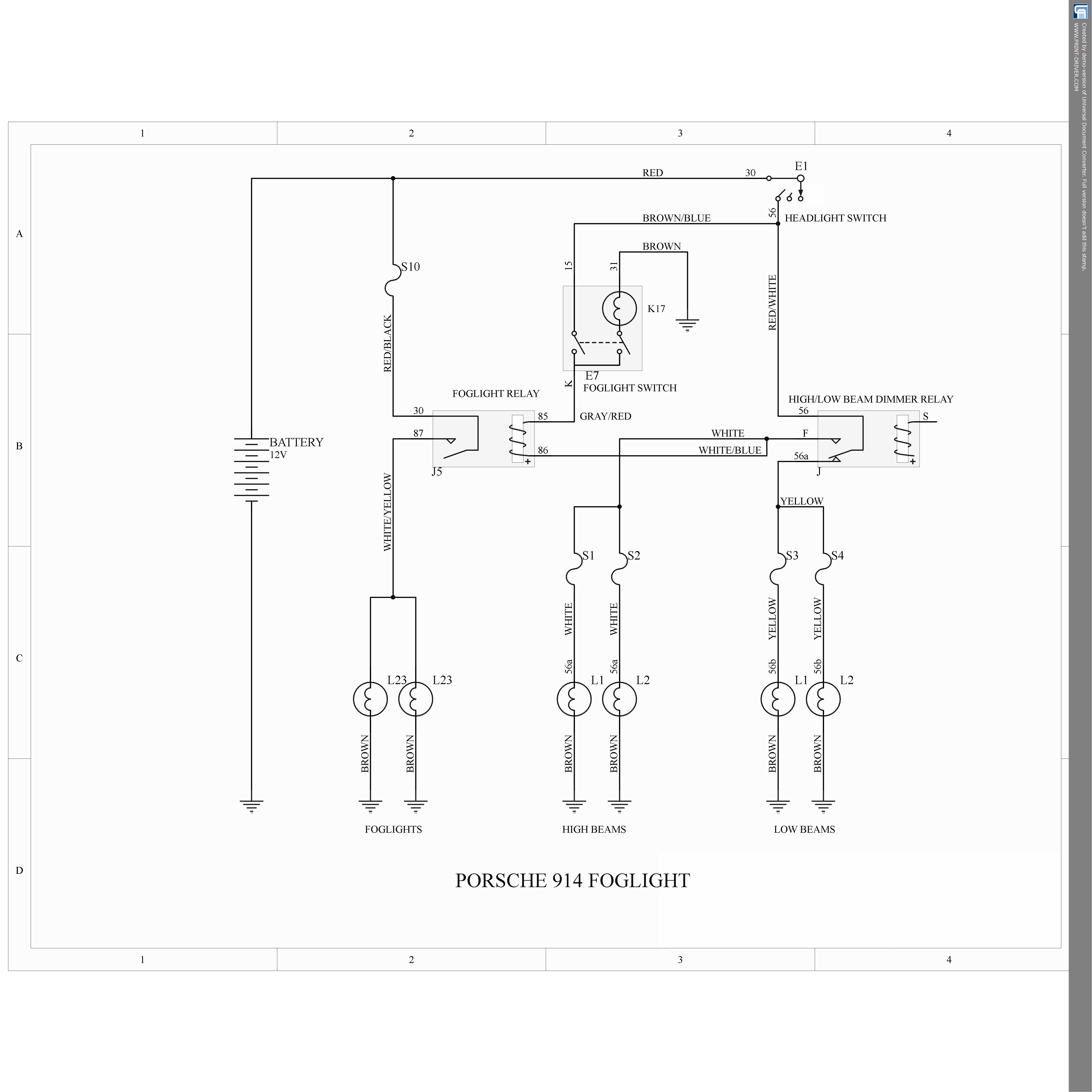
Spoke I modified the headlight/foglight schematic to sho... Apr 7 2019, 09:48 PM
Spoke I decided to rewire the foglight to be independent... Apr 7 2019, 09:52 PM
Spoke The white/blue wire to the foglight relay is cut a... Apr 7 2019, 09:55 PM
Spoke The other end of the new wire is grounded on this ... Apr 7 2019, 09:57 PM
Mikey914 This would actually be the preferred method of ins... Apr 7 2019, 10:18 PM
Shredhead I wonder if this would solve the problem I have, w... Apr 10 2019, 12:49 PM
Spoke
I wonder if this would solve the problem I have, ... Apr 10 2019, 04:25 PM

Shredhead
I wonder if this would solve the problem I have,... Apr 11 2019, 04:21 PM
bdstone914
I wonder if this would solve the problem I have, ... Apr 10 2019, 09:41 PM
Shredhead
[quote name='Shredhead' post='2704082' date='Apr ... Apr 11 2019, 04:20 PM
FlacaProductions Spoke/Mark/all - thanks for spending the time to g... Apr 10 2019, 08:37 PM
bdstone914
Spoke/Mark/all - thanks for spending the time to ... Apr 10 2019, 09:38 PM
FlacaProductions Should the line coming off the high/low beam relay... Apr 10 2019, 08:50 PM
bdstone914
Should the line coming off the high/low beam rela... Apr 10 2019, 09:29 PM
FlacaProductions well now i'm confused and i've read this o... Apr 10 2019, 11:35 PM
Spoke
well now i'm confused and i've read this ... Apr 11 2019, 03:20 AM
bdstone914 Edit:
Looking closer at the 70-71 and 72-73 diagr... Apr 12 2019, 06:24 AM
jcd914 It is the white wire with the blue stripe from the... Apr 11 2019, 12:24 AM
FlacaProductions Got it now. Crystal clear. Thanks tons. Apr 11 2019, 10:45 PM
Spoke These images are from my Haynes 914 Owners Worksho... Apr 12 2019, 07:18 AM
Biggles Great info!
I’ve got this issue too on my ... Apr 12 2019, 11:58 AM
Spoke
Great info!
I’ve got this issue too on my... Apr 12 2019, 01:43 PM
Spoke 2) "1972, 1973, USA and except-USA" Whit... Apr 12 2019, 07:22 AM
Spoke 3) "1974, 1975, USA and except-USA" Whit... Apr 12 2019, 07:25 AM
FlacaProductions @bdstone914 [b]@[url=http://www.914world.com/bbs... May 23 2019, 08:16 PM
Chi-town @FlacaProductions happy to help, let me know on t... May 23 2019, 09:32 PM
FlacaProductions PM sent...thanks!
[b]@[url=http://www.914wor... May 24 2019, 08:32 AM
malcolm2 http://pcbunn.cacr.caltech.edu/jjb/Porsche/FogLigh... Oct 31 2019, 02:02 PM
malcolm2
Am I getting this thread right? You guys on... Oct 31 2019, 06:05 PM
FlacaProductions I just did the grounding wire - nothing else other... Oct 31 2019, 06:15 PM
malcolm2
I just did the grounding wire - nothing else othe... Oct 31 2019, 07:06 PM
FlacaProductions You might need @Spoke EP26 relay so it all plays... Oct 31 2019, 07:23 PM
gereed75 Resurrecting an older thread here to add a bit mor... Jun 4 2020, 09:49 PM
abes914 I’ve been chasing the ghost of electrics for so ... Jun 18 2021, 08:08 PM![]() ![]() |
|
Lo-Fi Version | Time is now: 4th November 2025 - 02:05 PM |
| All rights reserved 914World.com © since 2002 |
|
914World.com is the fastest growing online 914 community! We have it all, classifieds, events, forums, vendors, parts, autocross, racing, technical articles, events calendar, newsletter, restoration, gallery, archives, history and more for your Porsche 914 ... |