|
|

|
Porsche, and the Porsche crest are registered trademarks of Dr. Ing. h.c. F. Porsche AG.
This site is not affiliated with Porsche in any way. Its only purpose is to provide an online forum for car enthusiasts. All other trademarks are property of their respective owners. |
|
|
![]() ![]() |
| 57lincolnman |
Oct 15 2017, 11:01 PM
Post
#1
|
|
Member ![]() ![]() Group: Members Posts: 174 Joined: 14-September 10 From: Los Angeles Member No.: 12,175 Region Association: Southern California |
Brake lights went out. Turn signals and emergency flashers still work so I don't think it's the fuse. Bulbs are OK. Could it be the brake switch? Kind of scary driving without brake lights, so the car is in the garage until I can sort this out. Thoughts anyone?
|
| oakdalecurtis |
Oct 15 2017, 11:31 PM
Post
#2
|
|
Oakdalecurtis ![]() ![]() ![]() Group: Members Posts: 1,401 Joined: 5-June 15 From: Oakdale, Ca Member No.: 18,802 Region Association: Central California
|
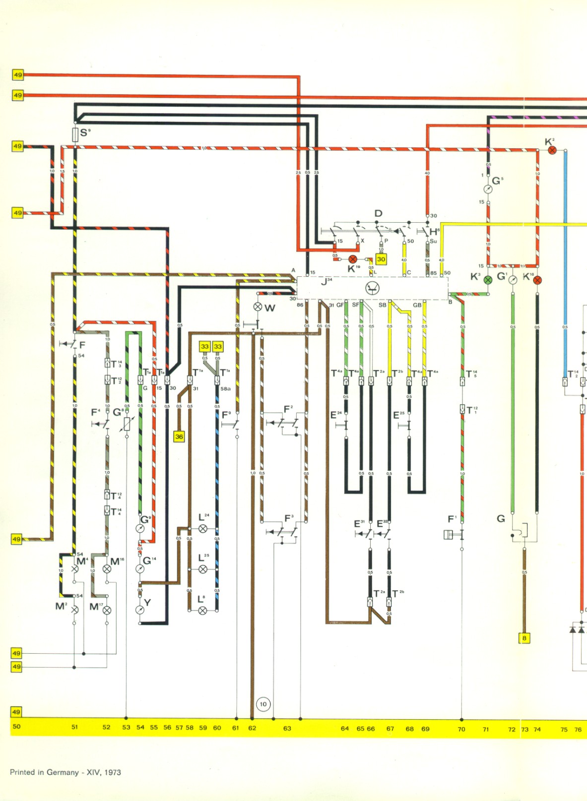
If you look at the attached electrical diagram and code sheet, you will see in row 51 that the brake switch is powered by the same lead that goes to your reverse lights (gray/brown stripe in row 52, M16 and M17). If your reverse lights work, you are getting power to your brake switch(F). If you are getting power to the switch but not to the brake lights, M2 and M4, I would conclude that you need a new switch. With the brake light switch depressed, check that you have power on the black/yellow stripe wire where it leaves the switch (54) to make sure it is the switch that is defective, and not a wire problem to the brake lights themselves.
|
| McMark |
Oct 16 2017, 08:05 AM
Post
#3
|
|
914 Freak! ![]() ![]() ![]() ![]() ![]() ![]() ![]() ![]() ![]() ![]() ![]() ![]() ![]() ![]() ![]() Group: Retired Admin Posts: 20,180 Joined: 13-March 03 From: Grand Rapids, MI Member No.: 419 Region Association: None |
The brake switch is at the pedal cluster. Start with the easy stuff. There's two wires attached to the brake switch, simply use a test wire to connect those two wires together temporarily. If that makes the lights work, the switch is bad/corroded.
Also, there are a few variations based on year. Post what year your car is, or do like most people and add that info to your post Signature (via the My Controls link at the top of the page). |
| Eric_Shea |
Oct 16 2017, 08:10 AM
Post
#4
|
|
PMB Performance ![]() ![]() ![]() ![]() ![]() ![]() ![]() ![]() ![]() ![]() ![]() ![]() ![]() ![]() ![]() Group: Admin Posts: 19,304 Joined: 3-September 03 From: Salt Lake City, UT Member No.: 1,110 Region Association: Rocky Mountains |
Did you mess with the pedal cluster at all? The switch armature may be on the wrong side of the washer now.
|
| McMark |
Oct 16 2017, 08:11 AM
Post
#5
|
|
914 Freak! ![]() ![]() ![]() ![]() ![]() ![]() ![]() ![]() ![]() ![]() ![]() ![]() ![]() ![]() ![]() Group: Retired Admin Posts: 20,180 Joined: 13-March 03 From: Grand Rapids, MI Member No.: 419 Region Association: None |
|
| theer |
Oct 16 2017, 08:30 AM
Post
#6
|
|
Senior Member ![]() ![]() ![]() Group: Members Posts: 692 Joined: 31-July 15 From: Dover, MA Member No.: 19,014 Region Association: North East States
|
This recently happened to me. Failure mode is always-on, if the switch is good.
For the OP: what I learned is the brake switch is wired/spring-loaded to be in the "on" position. When you push the brake pedal the spring in the switch moves the armature to follow the pedal and make contact. When you release, the washer on the pedal pushes the armature back and breaks the contact. Could be a faulty switch. Or the armature is hung up somehow and not fully releasing to make contact? |
| rhodyguy |
Oct 16 2017, 08:49 AM
Post
#7
|
|
Chimp Sanctuary NW. Check it out. ![]() ![]() ![]() ![]() ![]() ![]() ![]() ![]() ![]() ![]() ![]() ![]() ![]() ![]() ![]() Group: Members Posts: 22,252 Joined: 2-March 03 From: Orion's Bell. The BELL! Member No.: 378 Region Association: Galt's Gulch |
The switch operation, adjustment and arm orientation is detailed on p.129 part 30 of your Haynes.
|
| Lucky9146 |
Jul 19 2021, 10:57 PM
Post
#8
|
|
Always Wanted A Bigger Go Cart ![]() ![]() ![]() Group: Members Posts: 1,698 Joined: 22-September 14 From: Poway California Member No.: 17,942 Region Association: Southern California
|
@oakdalecurtis and anyone else.
No brake lights! Resurrecting this thread and asking for help. Bulbs good Reverse lights on the same circuit work, so apparently not the fuse Just installed a new brake light switch and still no brake lights! Have not messed with anything I can think of? Electrical is my weak suit and wiring diagrams make my eyes hurt. Although I did find switch F and the brake lights on the diagram but do not understand very well what happens from there. (IMG:style_emoticons/default/idea.gif) Any suggestions appreciated. Thanks! (IMG:style_emoticons/default/white914.jpg) If you look at the attached electrical diagram and code sheet, you will see in row 51 that the brake switch is powered by the same lead that goes to your reverse lights (gray/brown stripe in row 52, M16 and M17). If your reverse lights work, you are getting power to your brake switch(F). If you are getting power to the switch but not to the brake lights, M2 and M4, I would conclude that you need a new switch. With the brake light switch depressed, check that you have power on the black/yellow stripe wire where it leaves the switch (54) to make sure it is the switch that is defective, and not a wire problem to the brake lights themselves. |
| Lucky9146 |
Jul 20 2021, 04:43 PM
Post
#9
|
|
Always Wanted A Bigger Go Cart ![]() ![]() ![]() Group: Members Posts: 1,698 Joined: 22-September 14 From: Poway California Member No.: 17,942 Region Association: Southern California
|
OK problem solved!
It was the brake light switch after all. I had not correctly adjusted the through on the new brake switch. (IMG:style_emoticons/default/driving.gif) (IMG:style_emoticons/default/white914.jpg) |
![]() ![]() |
|
Lo-Fi Version | Time is now: 12th March 2026 - 03:16 AM |
| All rights reserved 914World.com © since 2002 |
|
914World.com is the fastest growing online 914 community! We have it all, classifieds, events, forums, vendors, parts, autocross, racing, technical articles, events calendar, newsletter, restoration, gallery, archives, history and more for your Porsche 914 ... |