|
|

|
Porsche, and the Porsche crest are registered trademarks of Dr. Ing. h.c. F. Porsche AG.
This site is not affiliated with Porsche in any way. Its only purpose is to provide an online forum for car enthusiasts. All other trademarks are property of their respective owners. |
|
|
![]() ![]() |
| Jeffs9146 |
Jun 3 2012, 10:20 PM
Post
#1341
|
|
Ski Bum ![]() ![]() ![]() ![]() Group: Members Posts: 4,062 Joined: 10-January 03 From: Discovery Bay, Ca Member No.: 128 |
Looks good doc!
FYI you probably can eliminate the decel valve like I did! |
| Dr Evil |
Jun 4 2012, 04:45 AM
Post
#1342
|
|
Send me your transmission! ![]() ![]() ![]() ![]() ![]() ![]() ![]() ![]() ![]() ![]() ![]() ![]() ![]() ![]() ![]() Group: Members Posts: 23,041 Joined: 21-November 03 From: Loveland, OH 45140 Member No.: 1,372 Region Association: MidAtlantic Region
|
I considered decel elimination, but my reading showed it to be better to have. But, since it is not necessary it may just go away. Too bulky.
|
| Dr Evil |
Jun 6 2012, 08:01 PM
Post
#1343
|
|
Send me your transmission! ![]() ![]() ![]() ![]() ![]() ![]() ![]() ![]() ![]() ![]() ![]() ![]() ![]() ![]() ![]() Group: Members Posts: 23,041 Joined: 21-November 03 From: Loveland, OH 45140 Member No.: 1,372 Region Association: MidAtlantic Region
|
I sure am having some luck with this step of the build. I emailed my detailed order for FI parts and hoses to the guy at DeLorean Auto Parts only to not have an answer back.....similar to last time. So I call to find out, via the answering machine, that they are packing and getting ready for a big DeLorean meet. This meet is to happen, I find on line, weekend after next (IMG:style_emoticons/default/rolleyes.gif) How much longer must I wait?! (IMG:style_emoticons/default/hissyfit.gif)
|
| Dr Evil |
Jun 8 2012, 04:28 PM
Post
#1344
|
|
Send me your transmission! ![]() ![]() ![]() ![]() ![]() ![]() ![]() ![]() ![]() ![]() ![]() ![]() ![]() ![]() ![]() Group: Members Posts: 23,041 Joined: 21-November 03 From: Loveland, OH 45140 Member No.: 1,372 Region Association: MidAtlantic Region
|
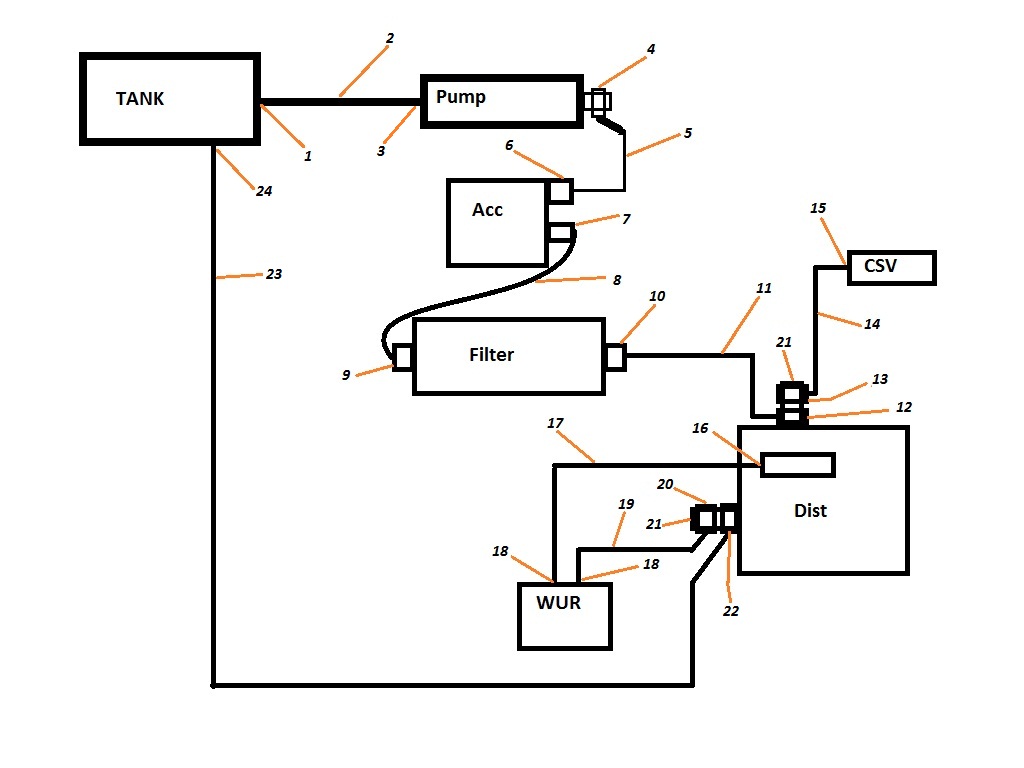
I sent another email to the hose guy to ask about an ETA. In the mean time, I made a diagram of the fuel system with a legend, I figured I would share.
![]() Bus CIS Legend 1. NPT to tank – Barbed to hose 2. Low pressure ~12mm ID fuel hose 3. 12mm nipple 4. 12mm banjo to 6mm angled barb 5. 6mm ID high pressure fuel hose 6. 14mm Swivel fitting with 6mm barb 7. Swivel fitting on hard line 8. Hard line 9. Swivel fitting on hard line 10. 14mm swivel to 6mm barb 11. 6mm ID high pressure fuel hose 12. 6mm barb to 12mm banjo CSV line 13. 12mm banjo to SSB 14. SSB line 15. 8mm banjo WUR supply 16. 8mm swivel 17. SSB line 18. 10mm swivel 19. SSB line 20. 6mm barb to 12mm banjo 21. 12mm double banjo bolt 22. 6mm barb to 12mm banjo 23. Low pressure fuel line, ¼” ID 24. ¼” barb to NPT |
| TravisNeff |
Jun 9 2012, 11:07 AM
Post
#1345
|
|
914 Guru ![]() ![]() ![]() ![]() ![]() Group: Members Posts: 5,082 Joined: 20-March 03 From: Mesa, AZ Member No.: 447 Region Association: Southwest Region
|
Why is the filter after the pump and accumulator?
|
| Dr Evil |
Jun 9 2012, 11:10 AM
Post
#1346
|
|
Send me your transmission! ![]() ![]() ![]() ![]() ![]() ![]() ![]() ![]() ![]() ![]() ![]() ![]() ![]() ![]() ![]() Group: Members Posts: 23,041 Joined: 21-November 03 From: Loveland, OH 45140 Member No.: 1,372 Region Association: MidAtlantic Region
|
I wonder that as well, but that is the correct way according to all diagrams I have seen. Screwy. I am looking into a high flow one before the pump. The filter is a beast built to handle pressure.
|
| Katmanken |
Jun 9 2012, 11:53 AM
Post
#1347
|
|
You haven't seen me if anybody asks... ![]() ![]() ![]() ![]() Group: Members Posts: 4,738 Joined: 14-June 03 From: USA Member No.: 819 Region Association: Upper MidWest |
Vanagon has a huge filter after the pump, and it may be there to act as a "pseudo-accumulator" and to catch crap coming out of a disintegrating pump to protect the rest of the EFI.
I like that you are putting a second filter in front of the pump. Had to go to that configuration when a load of bad gas dumped about 8 cups of crap into my fuel tank. The crap looked like clay, water, and ground up fuel pump from the gas company storage tank pump. Chewed up the expen$ive fuel injection pump, so consider the pre-filter as cheap insurance. |
| Jeffs9146 |
Jun 9 2012, 12:03 PM
Post
#1348
|
|
Ski Bum ![]() ![]() ![]() ![]() Group: Members Posts: 4,062 Joined: 10-January 03 From: Discovery Bay, Ca Member No.: 128 |
(IMG:style_emoticons/default/agree.gif) I put a prefilter before the pump also!
|
| Dr Evil |
Jun 9 2012, 12:22 PM
Post
#1349
|
|
Send me your transmission! ![]() ![]() ![]() ![]() ![]() ![]() ![]() ![]() ![]() ![]() ![]() ![]() ![]() ![]() ![]() Group: Members Posts: 23,041 Joined: 21-November 03 From: Loveland, OH 45140 Member No.: 1,372 Region Association: MidAtlantic Region
|
What pre-filter did you use? It would save me some time looking for a suitable one.
|
| Jeffs9146 |
Jun 9 2012, 12:40 PM
Post
#1350
|
|
Ski Bum ![]() ![]() ![]() ![]() Group: Members Posts: 4,062 Joined: 10-January 03 From: Discovery Bay, Ca Member No.: 128 |
What pre-filter did you use? It would save me some time looking for a suitable one. It took me a while looking through the parts book in Napa to find one with the proper sized in and out lines! You need to get your lines sorted out at the tank and then find the proper filter to attach to those lines. The 914 tank is probably different sized than the Bus so knowing what I have probably wont help your situation! I don't have time today to open up the botom of the car to look at the filter part number, sorry! |
| Katmanken |
Jun 9 2012, 03:28 PM
Post
#1351
|
|
You haven't seen me if anybody asks... ![]() ![]() ![]() ![]() Group: Members Posts: 4,738 Joined: 14-June 03 From: USA Member No.: 819 Region Association: Upper MidWest |
Measure the fuel line ID or the pump inlet barb, go down to your FLAPS, go to the huge fuel filter selection board, and pick one that matches the fuel line ID and the amount of money in your pocket. I used the translucent rectangular plastic ones that were non-metric as they were cheap and worked great.
25.4 mm per inch means a 6mm id is about a quarter of an inch, 8mm is about 5/16. |
| Dr Evil |
Jun 9 2012, 03:58 PM
Post
#1352
|
|
Send me your transmission! ![]() ![]() ![]() ![]() ![]() ![]() ![]() ![]() ![]() ![]() ![]() ![]() ![]() ![]() ![]() Group: Members Posts: 23,041 Joined: 21-November 03 From: Loveland, OH 45140 Member No.: 1,372 Region Association: MidAtlantic Region
|
The inlet is 12mm and the FP is putting out 70-90 psi so I am reticent to use just any old filter. However, I would expect any big honking one would work. It needs to flow (IMG:style_emoticons/default/smile.gif)
|
| Lennies914 |
Jun 9 2012, 04:05 PM
Post
#1353
|
|
Slacker ![]() ![]() ![]() Group: Members Posts: 828 Joined: 9-January 10 From: NorCal Member No.: 11,216 Region Association: Northern California |
Mike, fuel pressure shouldn't matter. If I'm reading this correctly and you're doing a "pre filter" you're on the suction side of the pump.
|
| Dr Evil |
Jun 9 2012, 04:07 PM
Post
#1354
|
|
Send me your transmission! ![]() ![]() ![]() ![]() ![]() ![]() ![]() ![]() ![]() ![]() ![]() ![]() ![]() ![]() ![]() Group: Members Posts: 23,041 Joined: 21-November 03 From: Loveland, OH 45140 Member No.: 1,372 Region Association: MidAtlantic Region
|
Clarified my post. It needs to be able to flow, yes.
|
| Lennies914 |
Jun 9 2012, 04:14 PM
Post
#1355
|
|
Slacker ![]() ![]() ![]() Group: Members Posts: 828 Joined: 9-January 10 From: NorCal Member No.: 11,216 Region Association: Northern California |
Clarified my post. It needs to be able to flow, yes. (IMG:style_emoticons/default/thumb3d.gif) gotcha! |
| Katmanken |
Jun 9 2012, 08:48 PM
Post
#1356
|
|
You haven't seen me if anybody asks... ![]() ![]() ![]() ![]() Group: Members Posts: 4,738 Joined: 14-June 03 From: USA Member No.: 819 Region Association: Upper MidWest |
Evil,
Don't worry about the flow too much. All fuel injection systems use a honkin big high pressure high volume pump, and then bleed off the excess pressure and flow. Remember the plastic fuel filter found in the 4 cyl 914's? That's plenty big enough. All you need to do is find a filter with the correct inlet and outlet size that is at least close to that in size. They tend to come in metal or plastic. After the load of crappy fuel episode, I like the translucent ones because you can see the crud. When your filter gets full, the pump sound volume also increases. Attached image(s)
|
| rick 918-S |
Jun 9 2012, 09:54 PM
Post
#1357
|
|
Hey nice rack! -Celette ![]() ![]() ![]() ![]() ![]() ![]() ![]() ![]() ![]() ![]() ![]() ![]() ![]() ![]() ![]() Group: Members Posts: 21,139 Joined: 30-December 02 From: Now in Superior WI Member No.: 43 Region Association: Northstar Region
|
I didn't run a pre-filter. Just a huge one after the pump and accumulator.
|
| Dr Evil |
Jun 9 2012, 11:02 PM
Post
#1358
|
|
Send me your transmission! ![]() ![]() ![]() ![]() ![]() ![]() ![]() ![]() ![]() ![]() ![]() ![]() ![]() ![]() ![]() Group: Members Posts: 23,041 Joined: 21-November 03 From: Loveland, OH 45140 Member No.: 1,372 Region Association: MidAtlantic Region
|
My tank doesnt have a filter sock anymore as it is modified. I want to keep particles out of the pump. Seems like an easy way to add cheap protection.
|
| Dr Evil |
Jun 10 2012, 10:42 PM
Post
#1359
|
|
Send me your transmission! ![]() ![]() ![]() ![]() ![]() ![]() ![]() ![]() ![]() ![]() ![]() ![]() ![]() ![]() ![]() Group: Members Posts: 23,041 Joined: 21-November 03 From: Loveland, OH 45140 Member No.: 1,372 Region Association: MidAtlantic Region
|
I have been able to communicate with the hose maker. He changed his tune in one email and wanted the ends sent to him. I sent him the email where he said that those were included, and that I didnt have the ends anyway and he agreed. I calculated the cost for everything and will be sending a MO for the kit. He will not be able to make it until sometime after next week. At least the process is still in motion. So far the cost is looking good (IMG:style_emoticons/default/smile.gif)
|
| Dr Evil |
Jun 18 2012, 08:12 PM
Post
#1360
|
|
Send me your transmission! ![]() ![]() ![]() ![]() ![]() ![]() ![]() ![]() ![]() ![]() ![]() ![]() ![]() ![]() ![]() Group: Members Posts: 23,041 Joined: 21-November 03 From: Loveland, OH 45140 Member No.: 1,372 Region Association: MidAtlantic Region
|
Money in the mail today with list of hoses and fittings. I hate waiting (IMG:style_emoticons/default/smile.gif)
|
![]() ![]() |
|
Lo-Fi Version | Time is now: 6th December 2025 - 05:33 PM |
| All rights reserved 914World.com © since 2002 |
|
914World.com is the fastest growing online 914 community! We have it all, classifieds, events, forums, vendors, parts, autocross, racing, technical articles, events calendar, newsletter, restoration, gallery, archives, history and more for your Porsche 914 ... |