Help - Search - Members - Calendar
Full Version: Starting issue
914World.com > The 914 Forums > 914World Garage
GregAmy
Looks like the primary issue is getting information into a thread...

av-943.gif
Willisbegood
QUOTE(GregAmy @ Sep 25 2019, 12:11 PM) *

Looks like the primary issue is getting information into a thread...

av-943.gif

It’s not letting me post the thread
GregAmy
You posted four threads...refresh your browser.
rhodyguy
Be more patient when posting a thread. They're all there.
GregAmy
Battery power goes directly to the starter.

The solenoid is energized by power from the ignition switch, routed through the relay plate.

It's possible someone relayed that circuit for you using non-stock parts (common mod).
Willisbegood
QUOTE(rhodyguy @ Sep 25 2019, 12:14 PM) *

Be more patient when posting a thread. They're all there.

I apologize. Just created this account. How do I delete the threads so I only have one running?
Willisbegood
QUOTE(GregAmy @ Sep 25 2019, 12:19 PM) *

Battery power goes directly to the starter.

The solenoid is energized by power from the ignition switch, routed through the relay plate.

It's possible someone relayed that circuit for you using non-stock parts (common mod).
would any pictures help ? I know there’s a power circuit board with relays behind the driver seat in the engine compartment. I was told that when it get wet it corrodes and would keep it from starting but it didn’t look corroded or dirty so I left it alone.
GregAmy
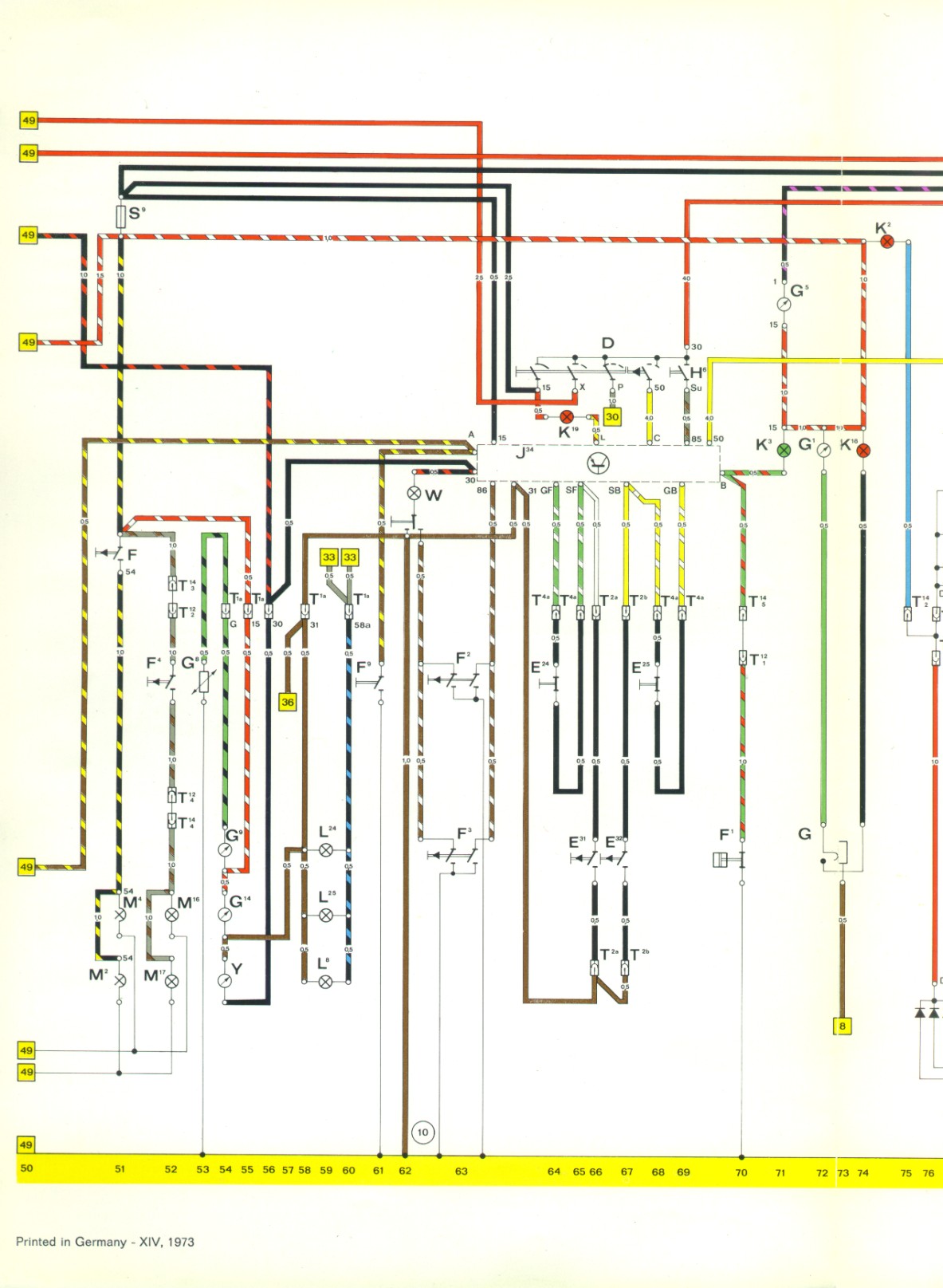
Here is your wiring diagrams.

B is the starter.
T connector is yellow wires on the engine compartment reply plate.
D is the ignition switch.

This is for the '74. Note some cars have a seatbelt interlock switch in that yellow circuit.

If someone has added a starter relay then it'll likely be in teh yellow wire in between the relay plate and the starter solenoid.

You can test your starter by getting underneath, driving wheels off the ground and out of gear, and using a screwdriver to short the battery terminal to the terminal that the yellow wire goes to.

Be safe. Don't kill yourself.


Click to view attachment Click to view attachment
Willisbegood
QUOTE(GregAmy @ Sep 25 2019, 12:30 PM) *

Here is your wiring diagrams.

B is the starter.
T connector is yellow wires on the engine compartment reply plate.
D is the ignition switch.

This is for the '74. Note some cars have a seatbelt interlock switch in that yellow circuit.

If someone has added a starter relay then it'll likely be in teh yellow wire in between the relay plate and the starter solenoid.

You can test your starter by getting underneath, driving wheels off the ground and out of gear, and using a screwdriver to short the battery terminal to the terminal that the yellow wire goes to.

Be safe. Don't kill yourself.


Click to view attachment Click to view attachment
thank you for diagrams . I actually thought it was my starter but then I got a new and put in yesterday and it doing the same thing. Mine is a 72’ 1.7L doesn’t have the seatbelt relays under the passenger seat so I don’t think it has them.
Willisbegood
QUOTE(Willisbegood @ Sep 25 2019, 12:37 PM) *

QUOTE(GregAmy @ Sep 25 2019, 12:30 PM) *

Here is your wiring diagrams.

B is the starter.
T connector is yellow wires on the engine compartment reply plate.
D is the ignition switch.

This is for the '74. Note some cars have a seatbelt interlock switch in that yellow circuit.

If someone has added a starter relay then it'll likely be in teh yellow wire in between the relay plate and the starter solenoid.

You can test your starter by getting underneath, driving wheels off the ground and out of gear, and using a screwdriver to short the battery terminal to the terminal that the yellow wire goes to.

Be safe. Don't kill yourself.


Click to view attachment Click to view attachment
thank you for diagrams . I actually thought it was my starter but then I got a new and put in yesterday and it doing the same thing. Mine is a 72’ 1.7L doesn’t have the seatbelt relays under the passenger seat so I don’t think it has them.
would the relay in this picture with the yellow tape on it cause it to not start? It’s the only one in there that I looked at that seemed rusted and corroded
GregAmy
The silver "relay" with the yellow tape is your voltage regulator. So, no.

Test light or VOM, see if you're getting voltage to the yellow wire at the starter when someone turns the key to the "start" position.

This is a "lo-fi" version of our main content. To view the full version with more information, formatting and images, please click here.
Invision Power Board © 2001-2026 Invision Power Services, Inc.