|
|

|
Porsche, and the Porsche crest are registered trademarks of Dr. Ing. h.c. F. Porsche AG.
This site is not affiliated with Porsche in any way. Its only purpose is to provide an online forum for car enthusiasts. All other trademarks are property of their respective owners. |
|
|
![]() ![]() |
| 76-914 |
Mar 8 2016, 05:30 PM
Post
#501
|
|
Repeat Offender & Resident Subaru Antagonist ![]() ![]() ![]() ![]() ![]() ![]() ![]() ![]() ![]() ![]() Group: Members Posts: 13,823 Joined: 23-January 09 From: Temecula, CA Member No.: 9,964 Region Association: Southern California
|
|
| Andyrew |
Mar 8 2016, 05:50 PM
Post
#502
|
|
Spooling.... Please wait ![]() ![]() ![]() ![]() ![]() ![]() ![]() ![]() ![]() ![]() Group: Members Posts: 13,380 Joined: 20-January 03 From: Riverbank, Ca Member No.: 172 Region Association: Northern California
|
Cool noises coming probably in 2 months (IMG:style_emoticons/default/smile.gif)
Exhaust parts on order (Stainless 3"). If I want I can 2step and antilag this engine with my tuner (ECU is currently in my tuners hands for a base tune, We will finalize the tune over the internet with logs)... But I like this turbo and I'd rather not destroy it yet. |
| 914forme |
Mar 8 2016, 08:23 PM
Post
#503
|
|
Times a wastin', get wrenchin'! ![]() ![]() ![]() ![]() Group: Members Posts: 3,896 Joined: 24-July 04 From: Dayton, Ohio Member No.: 2,388 Region Association: None
|
|
| dan10101 |
Mar 8 2016, 08:45 PM
Post
#504
|
|
TORQUE-o-holic ![]() ![]() ![]() Group: Members Posts: 1,140 Joined: 29-April 03 From: Eagle Point, Or Member No.: 626 Region Association: Pacific Northwest |
It's getting exciting. 2 months for exhaust? Do you have an interim exhaust solution? In time for WCR?
|
| Andyrew |
Mar 8 2016, 10:39 PM
Post
#505
|
|
Spooling.... Please wait ![]() ![]() ![]() ![]() ![]() ![]() ![]() ![]() ![]() ![]() Group: Members Posts: 13,380 Joined: 20-January 03 From: Riverbank, Ca Member No.: 172 Region Association: Northern California
|
2 months till running. Ill probably do the exhaust in 2 weeks once I get all the parts.
Tuning is by Vagautoworks which is a very famous VAG tuner named Daz Dillenger. The tune itself is 400 for the pump gas tune, he will code out all the faults and will work with me until the tune is 110%. What I have left to do prior to starting the car: 1. Finish intake plumbing 2. Finish exhaust 3. Finish oil cooler install and turbo plumbing 4. Mount fuel pumps and run all lines 5. Mount water pump and wire in. 6. Weld new outlets to radiator 7. Mount expansion tank and plumb radiator, coolant turbo, and oil cooler lines. 8. Wire the whole car. 9. Install boost controller 10. Add fluids and do pre systems check. After the engine is running ill need to do the following. 1. Mount intercooler radiator and fan 2. Mount intercooler pump and run lines, wire in pump controller 3. Weld in trunk firewall 4. Burnout. You know.. 2 months worth... |
| Mike Bellis |
Mar 8 2016, 11:05 PM
Post
#506
|
|
Resident Electrician ![]() ![]() ![]() ![]() ![]() Group: Members Posts: 8,347 Joined: 22-June 09 From: Midlothian TX Member No.: 10,496 Region Association: None
|
You better take the rest of the month off from work so you can get busy!
|
| matthepcat |
Mar 9 2016, 12:15 AM
Post
#507
|
|
Meat Popsicle ![]() ![]() ![]() Group: Members Posts: 1,462 Joined: 13-December 09 From: Saratoga CA Member No.: 11,125 Region Association: Northern California |
^^ Just go out to the valley Mike and get it knocked out in a weekend ^^
|
| Mike Bellis |
Mar 9 2016, 08:42 PM
Post
#508
|
|
Resident Electrician ![]() ![]() ![]() ![]() ![]() Group: Members Posts: 8,347 Joined: 22-June 09 From: Midlothian TX Member No.: 10,496 Region Association: None
|
^^ Just go out to the valley Mike and get it knocked out in a weekend ^^ I work in spurts. Remember my car was broke from September to February because I was too lazy to buy the part... (IMG:style_emoticons/default/dry.gif) Then I get busy and get shit done... (IMG:style_emoticons/default/biggrin.gif) |
| Andyrew |
Mar 14 2016, 11:18 PM
Post
#509
|
|
Spooling.... Please wait ![]() ![]() ![]() ![]() ![]() ![]() ![]() ![]() ![]() ![]() Group: Members Posts: 13,380 Joined: 20-January 03 From: Riverbank, Ca Member No.: 172 Region Association: Northern California
|
Made a bracket for the water pump. Im waiting for the alternator bracket before I mount this.
Welded in brackets for the coolant reservoir My AN lines and fittings came in. I must say these took a LOT longer to put fittings on than I thought. It took me over 3 hours to do 4 fittings. Took the trunk off. Whats that under the bumper? (IMG:style_emoticons/default/idea.gif) |
| Mike Bellis |
Mar 14 2016, 11:25 PM
Post
#510
|
|
Resident Electrician ![]() ![]() ![]() ![]() ![]() Group: Members Posts: 8,347 Joined: 22-June 09 From: Midlothian TX Member No.: 10,496 Region Association: None
|
All that work and your running a stock fuel rail?
|
| Andyrew |
Mar 14 2016, 11:27 PM
Post
#511
|
|
Spooling.... Please wait ![]() ![]() ![]() ![]() ![]() ![]() ![]() ![]() ![]() ![]() Group: Members Posts: 13,380 Joined: 20-January 03 From: Riverbank, Ca Member No.: 172 Region Association: Northern California
|
Exhaust parts came in (IMG:style_emoticons/default/evilgrin.gif)
3" Stainless mandrel bent tubing, Vband clamp, 3" Stainless resonators. Pretty happy with the way it turned out. I still need to weld in a hanger. System only weighs a couple pounds so right now the Vband clamp is holding it pretty good. |
| Andyrew |
Mar 14 2016, 11:34 PM
Post
#512
|
|
Spooling.... Please wait ![]() ![]() ![]() ![]() ![]() ![]() ![]() ![]() ![]() ![]() Group: Members Posts: 13,380 Joined: 20-January 03 From: Riverbank, Ca Member No.: 172 Region Association: Northern California
|
All that work and your running a stock fuel rail? I was told it would not be the restriction until about 600hp, and with my AN10 supply lines probably not till way after that. Ill change it if I need to but right now I didnt want to deal with it. Assuming it doesnt leak... |
| Andyrew |
Mar 14 2016, 11:34 PM
Post
#513
|
|
Spooling.... Please wait ![]() ![]() ![]() ![]() ![]() ![]() ![]() ![]() ![]() ![]() Group: Members Posts: 13,380 Joined: 20-January 03 From: Riverbank, Ca Member No.: 172 Region Association: Northern California
|
Last one for tonight
Attached thumbnail(s) |
| Andyrew |
Mar 16 2016, 01:46 PM
Post
#514
|
|
Spooling.... Please wait ![]() ![]() ![]() ![]() ![]() ![]() ![]() ![]() ![]() ![]() Group: Members Posts: 13,380 Joined: 20-January 03 From: Riverbank, Ca Member No.: 172 Region Association: Northern California
|
Alternator bracket came in yesterday.
Quickly Karate chopped it in half. Only the top half is needed, the lower half has a idler pulley and the power steering pump. Both not being used. With the alternator mounted under the intake manifold you can see the gutted water pump sticking out. The pulley mount looks like it could interfere so off with its head! This nets us with about a 26 1/2" belt, I have a 27.3" belt on order, and I think it'll work just fine. I also got the extended oil tube for my S4 oil cooler (Going to run this till I decide to run the external oil cooler...). But it requires the little cat ears to be ground off the oil cooler mount. Couple minutes with the grinder and they were off. Oil cooler is installed and the oil filter installed as well, but I will probably pull it and fill it prior to starting the engine. |
| Andyrew |
Mar 21 2016, 09:52 PM
Post
#515
|
|
Spooling.... Please wait ![]() ![]() ![]() ![]() ![]() ![]() ![]() ![]() ![]() ![]() Group: Members Posts: 13,380 Joined: 20-January 03 From: Riverbank, Ca Member No.: 172 Region Association: Northern California
|
Got some work done this weekend.
Made a heat shield for the manifold to protect the coils and the oil feed line. New 3AN oil feed line also came in. Got the remainder of my AN lines in. So I mounted up the fuel pump. I hate having to reach both sides to get to bolts so I welded the backsides of the bolts to the firewall (IMG:style_emoticons/default/smile.gif) Located and clocked the water pump. This will actually be "free floating" but the outlet on the engine and the flange on the water pump are literally touching so it really doesnt move at all. I experimented with aluminum welding.. Sometimes experiments fail... This one did (IMG:style_emoticons/default/barf.gif) Had I actually preheated this and used pure Argon this might not have been so bad. I am going to see if a local weld shop can clean up my welds with a tig so it'll hold pressure. If not I'll go by a members place and try my hand at it with his Tig. |
| Andyrew |
Mar 21 2016, 10:12 PM
Post
#516
|
|
Spooling.... Please wait ![]() ![]() ![]() ![]() ![]() ![]() ![]() ![]() ![]() ![]() Group: Members Posts: 13,380 Joined: 20-January 03 From: Riverbank, Ca Member No.: 172 Region Association: Northern California
|
Mounted the W/A IC radiator. Just one bolt right now. Trying to figure out the rest still.
I'll route the hoses behind the radiator and through the firewall. Speaking of hoses... How about some stainless joiners? (IMG:style_emoticons/default/biggrin.gif) And How about some more stainless joiners? A little explanations as well. This took quite a bit of research.. (IMG:style_emoticons/default/dry.gif) A little explination for the intercooler Truth be told this is all just me delaying getting back into the electronics (IMG:style_emoticons/default/barf.gif) ... The wiring is really whats going to hold me back from getting the car running. I know about 50% of the critical electrical components and I cant read the factory manuals so I really have no idea what to do next... Im slowly working through it though (IMG:style_emoticons/default/unsure.gif) |
| jd74914 |
Mar 22 2016, 07:50 AM
Post
#517
|
|
Its alive ![]() ![]() ![]() ![]() Group: Members Posts: 4,864 Joined: 16-February 04 From: CT Member No.: 1,659 Region Association: North East States |
I like the intercooler water cooler location. Nice and clean. (IMG:style_emoticons/default/smile.gif) Are you going to shroud and run a fan?
If you didn't shield with 100% argon I would cut all of those welds out; depending on the alloys aluminum aluminum welds can be brittle as-is so they really need to be done correctly. If you do end up TIGing them yourself, I've found the trick to aluminum is going relatively hot and fast; almost the opposite of welding steel. If you are fortunate enough to have access to a nice high frequency inverter machine, then you can set it up so it's more like welding steel and go slower. |
| Chris H. |
Mar 22 2016, 09:09 AM
Post
#518
|
|
Senior Member ![]() ![]() ![]() ![]() Group: Members Posts: 4,069 Joined: 2-January 03 From: Chicago 'burbs Member No.: 73 Region Association: Upper MidWest
|
Truth be told this is all just me delaying getting back into the electronics (IMG:style_emoticons/default/barf.gif) ... The wiring is really whats going to hold me back from getting the car running. I know about 50% of the critical electrical components and I cant read the factory manuals so I really have no idea what to do next... Im slowly working through it though (IMG:style_emoticons/default/unsure.gif) Manual is in German? What year? I'll look around for you. |
| Andyrew |
Mar 22 2016, 09:50 AM
Post
#519
|
|
Spooling.... Please wait ![]() ![]() ![]() ![]() ![]() ![]() ![]() ![]() ![]() ![]() Group: Members Posts: 13,380 Joined: 20-January 03 From: Riverbank, Ca Member No.: 172 Region Association: Northern California
|
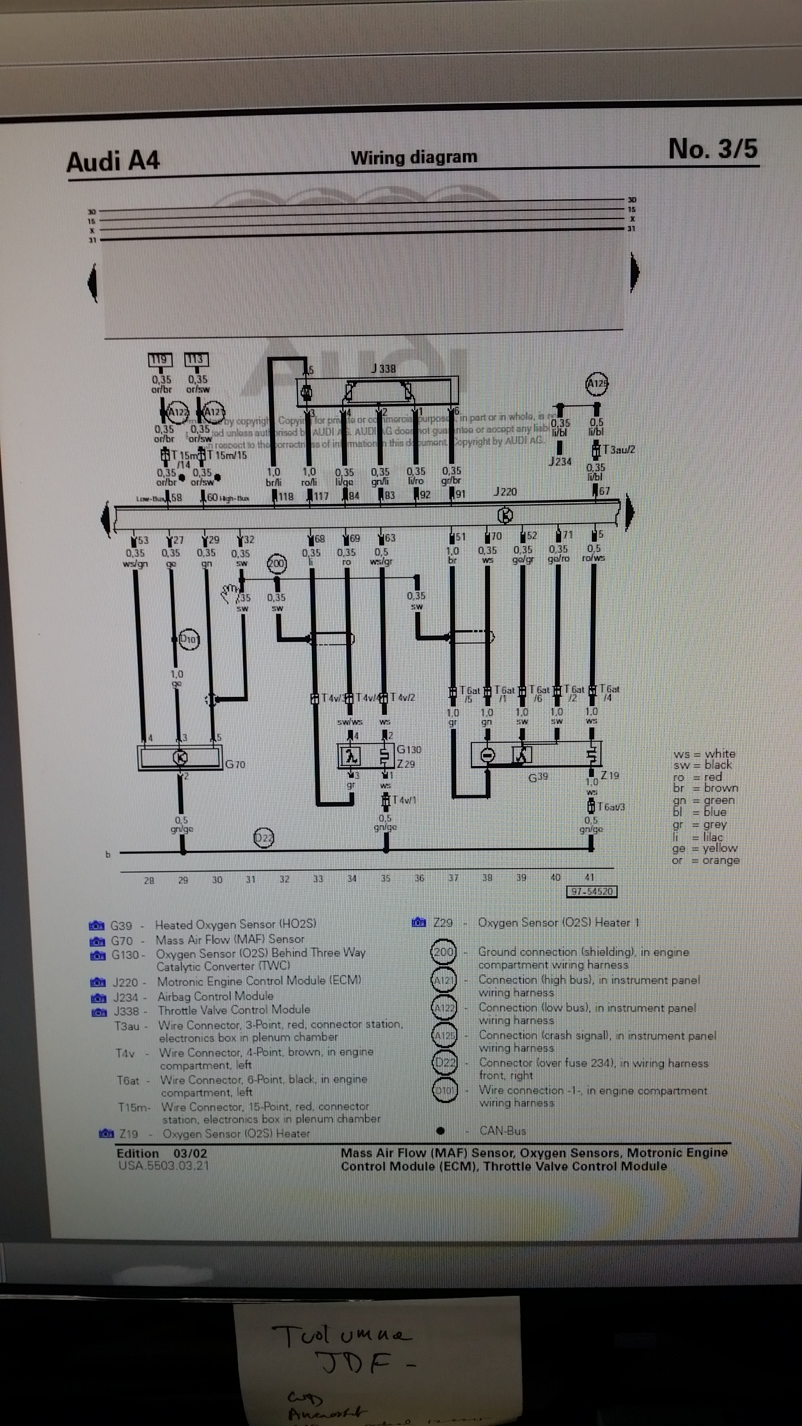
Truth be told this is all just me delaying getting back into the electronics (IMG:style_emoticons/default/barf.gif) ... The wiring is really whats going to hold me back from getting the car running. I know about 50% of the critical electrical components and I cant read the factory manuals so I really have no idea what to do next... Im slowly working through it though (IMG:style_emoticons/default/unsure.gif) Manual is in German? What year? I'll look around for you. I have the full (Were talking FULL) workshop manual. Problem is they look like this. The body harness is a 2001 S4, the engine/dash is a 2001 A4 AWM engine. Intercooler will have a fan, and probably a shroud in the future. I'll control the fan with the temp controller I posted a couple pages ago. I think I am going to get a Steel flange for my MAP sensor. Then I can weld up the pipe no problem... Avoid all this aluminum BS. |
| jimkelly |
Mar 22 2016, 10:07 AM
Post
#520
|
|
Delaware USA ![]() ![]() ![]() ![]() Group: Members Posts: 4,969 Joined: 5-August 04 From: Delaware, USA Member No.: 2,460 Region Association: MidAtlantic Region |
if anyone NEEDS a TIG its andyrew. especially for aluminum, and steel. wish i lived nearby, i'd love to observe his activities while drinking beer and eating jujyfruits (IMG:style_emoticons/default/biggrin.gif)
Attached thumbnail(s) |
![]() ![]() |
|
Lo-Fi Version | Time is now: 6th December 2025 - 06:17 AM |
| All rights reserved 914World.com © since 2002 |
|
914World.com is the fastest growing online 914 community! We have it all, classifieds, events, forums, vendors, parts, autocross, racing, technical articles, events calendar, newsletter, restoration, gallery, archives, history and more for your Porsche 914 ... |