Help - Search - Members - Calendar
Full Version: Dual Weber IDF 40s
914World.com > The 914 Forums > 914World Garage
Pages: 1, 2, 3, 4
malcolm2
Hello everyone. I will preface by saying that this is an engine from a 914. piratenanner.gif

But it is in my VW Bus. Just now getting it moving down the road. Everything is new.

Carbs are new and I am a carb rookie, as well. Bought them from Aircooled.net and had them cleaned and set-up for the bus. My 914 has L-Jet FI, this group has taught me enough about that system to be dangerous.

So here is my question for the carb experts. What should the Pump Valve spray look like? It seems erratic and drippy. It kicks in 1st as I open the throttle, not a spray but pore, really. I will say that I see that in all 4.

Click to view attachmentClick to view attachment
malcolm2
Maybe the video will help. Close to the end, not very good lite, but the pump jets seem to really be flowing..... Is that normal. All 4 are doing it.

The purpose of the video was about the idle dropping, hence the name, but I got distracted by what seemed to be excess fuel.


https://www.youtube.com/watch?v=_4lPU2DNt44
nditiz1
So John from ACN is a master with carbs. Buying his clean and tune service is very valuable as well as his knowledge with IDFs.

It looks like either the accel pump linkage is not set properly, a blockage, OR missing parts. You should have a good steady stream squirt when you activate the throttle. I would pull the carbs off and check the stream on the bench. Also, pull open the pump on the side and make sure the spring is in there. It's been so long I cannot remember the base setting for the pump rod, but I want to say 3 threads showing after the lock nut.
r_towle
Sounds like they are not synced.
One cylinder sounds off, with valve noise also.

Even at revving it still sounds off.

I believe these are new carbs, you stated you just bought them?
Start with remove and verify all settings.
Sadly, they won’t be the same
Check and fix float level
Check and fix accel pump settings.

You should not see fuel at idle
Yes you will see the pumps squirt when you blip the throttle…they is their job
You should not see them at constant higher rpm’s ( to a point)

Get the book on how to tune webers.
Syncing them , once you get it right, will make the engine purr
r_towle
What carb linkage are you using?
Have you adjusted valves recently ( it does not sound like it)

You can tune each barrel to really be perfect.
Superhawk996
QUOTE(r_towle @ Apr 25 2023, 07:59 PM) *

Sounds like they are not synced.

agree.gif

To answer your question on the second carb it seems more normal. You should get a pretty steady stream. It will not be any sort of “spray” that is atomized coming out of the nozzle.

The first view the engine is shaking around too much (sign of not being synched) that I can’t see it terrible clearly but it does sort of look like too many drops and not enough stream

I agree with Nditiz - probably want to check them and figure out why you’re not getting a stronger stream.

Both the nozzle and the check valve are tunable to get the volume of accelerator pump discharge you need. However, you need that accelerator pump spring adjusted correctly and you need to make sure the pump diaphrams are in good shape 1st.
malcolm2
QUOTE(r_towle @ Apr 25 2023, 08:02 PM) *

What carb linkage are you using?
Have you adjusted valves recently ( it does not sound like it)

You can tune each barrel to really be perfect.


I did adjust the valves while the engine was on the stand, and after some test running. but It would not hurt to check that again. I do have the SNAIL tester and have used it a few times.

The linkage is Sync-Link with cables and pulleys. I struggled with the hex bar and gave up on that.

malcolm2
QUOTE(r_towle @ Apr 25 2023, 07:59 PM) *


Get the book on how to tune webers.
Syncing them , once you get it right, will make the engine purr


Do you have a book in mind? I checked the normal sources and it seems that the reviews are generic.

Very detailed instructions came with these carbs stating how to sync them which I have been thru a few times. Planned on doing that once more.

But you and others are suggesting a bit of a deeper dive with more detail settings and measurements etc... I would prefer a book that was for these IDFs or IDF 40s specifically.

Any thoughts here?
Superhawk996
Don’t worry about IDF specific book. I personally like the Dellorto book but it is now out of print.

The import part is understanding:

Weber IDFs run on the idle circuit and transition ports most
Of the time at light cruise and light tip in. You really only run on the mains when RPM is high and creating lots of vacuum at the Venturi neck. You can convince yourself of this truth by driving the car with the main jets and emulsion tubes removed.

As a result, the idle circuit tuning is critical. Note: Your motor isn’t idling well based on the video. Likewise it doesn’t transition off idle well.

You need to know what size Venturi and jets you’re working with as your baseline. You won’t get a decent snappy throttle response until you get down to 28mm venturis. Most
Carb kits come with venturis that are 30-32mm (too large) for top end HP - not good driveability.

Make sure your transition ports aren’t partially uncovered at idle. I used to see this all the time. Make sure your idle speed set screw isn’t holding the throttle blades too far open and uncovering the transition ports.

You need to balance airflow between each individual barrel before synching the carbs. Each time you adjust airflow - you’ll have to go back and tweek idle mix and also idle speed.

Look around for a used copy - Amazon, Ebay, post in forum, etc
Click to view attachment
nditiz1
"You can convince yourself of this truth by driving the car with the main jets and emulsion tubes removed."

This is something that all carb owners should experience even triple owners. Get a feel for how the engine responds and where the drop off actually happens. Try not to perform this drive over any real big hills as it may require higher RPM/butterfly opening which will throw you into the Main and the car will want to die.

I'm going to assume that he is running a 28 venturi, 115 main, 50 idle, and 200 air if John set them up from ACN, but always good to double check.
malcolm2
QUOTE(nditiz1 @ Apr 26 2023, 08:30 AM) *

"You can convince yourself of this truth by driving the car with the main jets and emulsion tubes removed."

This is something that all carb owners should experience even triple owners. Get a feel for how the engine responds and where the drop off actually happens. Try not to perform this drive over any real big hills as it may require higher RPM/butterfly opening which will throw you into the Main and the car will want to die.

I'm going to assume that he is running a 28 venturi, 115 main, 50 idle, and 200 air if John set them up from ACN, but always good to double check.


I did see a video on youtube with a guy, IDFs and a 912. Running around a parking lot with the mains out. Very interesting. Discussion starts at about 16 minutes....

https://youtu.be/2uDY1wcx6mo

ACN sheet confirms, with one exception.

Click to view attachment
rhodyguy
FWIW, AC.net is out of biz. Doors closed. The website did not reflect the change. The FB page is more up to date.

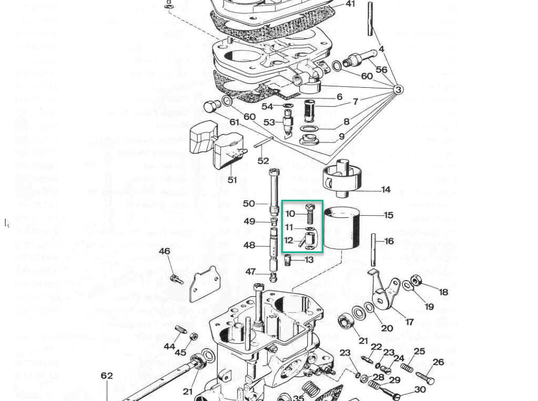
On the bottom of the Webers note the threaded rod. If the adj is too tight the pump jet can dribble.

Thomlinson’s Weber book is first rate. I found the Dell manual lacking.
malcolm2
ACN website does leave a bit of the door open for them to return, but I think it has been more than 6mths that it has been closed.

Yes, someone mentioned the pump rod adjustment. They could not remember the setting. But is was to count the threads (probably above the nut). I think he said, like 3 threads??? This one has quite a few more.

That book is very popular, and out of stock, even on ebay. I found a HAYNES on ebay for $15. I got that coming. and a PDF version of Dellorto Tuning Manual by John Savage that I downloaded.
rhodyguy
Can you compare the exposed threads side to side? Match the side that does not dribble.

Does the jet in ? dribble when the pump is energized and the engine is not running? If so, you might try backing the nut on the offending side off a bit.

Every time you adj something on the carbs, wait a moment for the adj to take affect. They don’t respond like FI.

What flavor of fuel pump are you using?
malcolm2
QUOTE(rhodyguy @ Apr 26 2023, 09:23 AM) *

Can you compare the exposed threads side to side? Match the side that does not dribble.


What flavor of fuel pump are you using?


Just a quick fuzzy picture yielded similar threads on both carbs. 11 to 12 threads on each.

Pump is also from ACN. Do not think ROTARY is a brand. I believe Carter is a similar design. But I mounted it under the tank on the frame of the Drivers side.

Click to view attachment
rhodyguy
2 filters? The middle canister is a filter. I got rid of it. I went with a FI filter, same sized inlet and outlet. Perfect fuel line fit. Use shouldered clamps. Easier to see when the filter is fouled. The metal can? Not so much.
rhodyguy
Does the jet dribble when the fuel pump is energized? Have someone turn the key while you watch. Your engine oil may be contaminated with fuel. I would change the oil after you fix the dribble
sportlicherFahrer
The Tomlinson book is on the CB Performance site as well. Currently it shows available for adding to cart, but also has the link for notify when back in stock so I'm not sure what their stock really is.

https://www.cbperformance.com/product-p/0103.htm


Also, the repackaged Carter pump retailers sell (CB, PP, AC.net, and others) is available on Amazon for about half the cost. Not sure why there's such a big markup on these from the average car sites. Carter part number P90091.

https://www.amazon.com/gp/product/B07BBDSZP...=UTF8&psc=1
rhodyguy
‘Email notification when back in stock’. Could be a long wait. Post a WTB in the classifieds.
930cabman
I would bet on either the pump stroke is insufficient or the pump jet is (#12) is clogged, assuming the floats are at the correct setting and the float bowls are near full.
malcolm2
QUOTE(rhodyguy @ Apr 26 2023, 09:59 AM) *

2 filters? The middle canister is a filter. I got rid of it. I went with a FI filter, same sized inlet and outlet. Perfect fuel line fit. Use shouldered clamps. Easier to see when the filter is fouled. The metal can? Not so much.



"Product images are representative only..."

IIRC I did not get the clear filter. I do know that all the clamps are "permanent", if you will. Not the screw type, nor do they have the shoulders.

I like the FI filter idea. I have a few of those packed away for the 914, so it would be good for the Bus and the 914 to use a few interchangeable parts.

Yeah in high school, I had a bug with a metal can. Out of the blue it would just stop running..... I would wait about 30 minutes and it would start and get me where I was going. Eventually I figured out that the metal filter was clogged up and you could not see it. Sh*t never changes.
r_towle
I used two filters on my race car because the tank was toast.

I use one on either side of the fuel pump (because filters are cheap)
the inlet filter between tank and fuel pump is a race filter, can be taken apart and cleaned. It has a stone??? in it with tons of holes used as the filter.

That was the one that I kept having to clean.
a new tank fixed my issue, but I left two filters in place because it protects the fuel pump...

I can fix any issue on the side of the road by cleaning up that race filter with some carb cleaner.....so I like that.

For the OP
Carbs do not (aside from the accel pump) squirt fuel.
Fuel is sucked into the engine by the motor, via the carbs.

So, your adjustments are three.
One, the size of the Venturi really matters...the smaller it is, the faster the suction velocity. Standard Webers are all wrong when we buy them.
Get to the 28mm vents before you get super frustrated.
It will always be a bit sluggish without doing that first step.
It will run, it can be tuned...but it will always be meh.

Suction matching on the engine is dependent upon the intake and exhaust valves being identical in adjustment over all 4 cylinders.
If one of them is wrong (one of yours is wrong...I can hear it) then the suction on that cylinder will be different from the other three.

Get the valves perfect.
Take your time....and get used to doing it.
Its not a terrible job if you learn the easy way to get it done.
I think (maybe) Cap'n Crusty did a write up on how he did it in the Classics forum here...at least I hope that still exists (RIP Cap'n)

Idle jets...
Pretty simple jet, but its the one that does a lot of the work.
Perfectly tuned at idle matters a ton.

Mains are just flood gates, when you need them (high rpms) and you won't feel them....idle is the key jet.

the Access pumps are typically setup wrong from the seller
The floats are typically setup wrong from the seller
The jets....remove and verify each on (there are tiny numbers on them)

Trust but verify.


Rich
914werke
Not to hijack the thread but has anyone see these installed in their Webers?
nditiz1
Rich, I just check 3 sets of my carbs. All of them have that missing. The one set that I run on test engines runs fine without it.
914werke
Ya Ive never see it before & they are installed in a set of Italian 40's Im restoring.
It plugs a opening ..for some reason?
sportlicherFahrer
I believe that piece is a float bowl vent that was omitted on Webers made outside Italy. No big deal if removed. If it's not plugged, it's probably okay to run as is if needed.
malcolm2
Pulled the plugs and did a compression check before i adjust the valves.

Plugs were BLACK. Got pix if we have any plug readers in the group.
1-2 were super black and dry.
3-4 were not as black and looked wet

Compression was
1. 100
2. 110
3. 120
4 115

Will adjust the valves again, re-check compression add some low mileage plugs and pull the carbs to verify settings and check for clogged jets and float height.

Might take a day or so, damn real job is calling.
Superhawk996
QUOTE(malcolm2 @ Apr 26 2023, 11:15 PM) *

Pulled the plugs and did a compression check before i adjust the valves.

Plugs were BLACK.


Black = way too rich

Definitely verify float level as 1st step.

You won’t end up with black plugs from clogged fuel Jets but could occur due to clogged air correction jets and/or air passages.

install new plugs, then go back to basics: setting idle mixture, balancing airflow, and synchronization.
malcolm2
update......

I have chromoly push rods and swivel foot adjusters. I have been told to adjust valves as follows.

ROTOR BUTTON pointing at #1 Attempt to rotate the swivel foot on I and E adjusters for #1. Grab the rocker and pull outward. Listen for a slight rattle.

The object here is ZERO LASH.

Bentley says to start at 1.... rotate rotor CCW to 2, then 3 then 4.


I have gone around the engine 3 times. ALL EIGHT valves allow the swivel foot to rotate (spin) and the only click I get is if the rocker moves side-to-side. I also have solid aluminum spacers with 2 warped spring washers so there is just a bit of room for the rocker to move side-to-side.

Let me know what you think. I will go around once more.... maybe video the fun and report back here.
nditiz1
Sounds fine.

I usually see if I can spin the pushrod and have no movement of the rocker, but your method seems to work as well.

The goal of lash is for expansion of the aluminum pushrods during run. Chromoly do not, or maybe extremely little. .006/.008 for aluminum .000 for chromoly.
r_towle
So, I am lazy and I hate getting up and down 50 times.

Jack up car
Lower car so one wheel is resting on a 6x6
Put car in 5th

Rotate the wheel like reverse
This spins the motor forward

A valve on each side of the motor will be closed (bottom of the lobe) at the same time.
The lobe that is shared will always have one valve open and one closed.

Hard to explain but you can adjust one valve on both opposite sides of the motor at the same time.

Let me find his thread.
Found it

http://www.914world.com/bbs2/index.php?showtopic=28758
malcolm2
QUOTE(r_towle @ Apr 29 2023, 04:19 PM) *

So, I am lazy and I hate getting up and down 50 times.

Jack up car
Lower car so one wheel is resting on a 6x6
Put car in 5th

Rotate the wheel like reverse
This spins the motor forward

A valve on each side of the motor will be closed (bottom of the lobe) at the same time.
The lobe that is shared will always have one valve open and one closed.

Hard to explain but you can adjust one valve on both opposite sides of the motor at the same time.

Let me find his thread.
Found it

http://www.914world.com/bbs2/index.php?showtopic=28758


I have done it 4 times.... even getting up and down only four times. All valves allow the swivel for to spin but give no rocker movement.... all 8 are on zero lash.

Pretty much did the cap'n crusty method.

I do not feel like these valves are out of adjustment. What else can you suggest to determine if they are out of adjustment.

I did take a video of each cylinder.... I am attempting to meld the 4 videos together. Maybe it will work, maybe not. If not I will post 1 video as all four result in the same thing..... swivel foot spins with the valves closed. Glad to try something else.
nditiz1
Who said your valves were out? I think someone mentioned to check they are in spec.

You should be fine, continue on to adjusting the carbs. Maybe we can vid chat and I can dump all my carb knowledge.
malcolm2
A couple folks mentioned valve noises, now after checking them, I can believe that it may be the side to side of the rockers. That is really the only clicking I hear with these chromoly push rods.

Damn if I can remember if there was a reason.... Something came with the solid spacers and some washers. I see that I was not consistent with assembly of the washers.

They are all taking up the same amount of space, wonder if it matters. Maybe I should add more washers where I am getting the most side to side noise on adjustment??

hard to see, but IV has 4 washers in the middle. III has washers spread out. same deal on the I II side. Not consistent with the washers for some reason.

Click to view attachment



nditiz1
No that all seems fine. I didn't hear anything abnormal from your video except it was not running optimally due to the carbs.

The spacers will be different due to how much the valves were clearances on the sides ( I'm assuming Tabari? did them) you try to get slightly off center from the valve so it spins the valve as it hits it instead of exact center.
porschetub
QUOTE(nditiz1 @ Apr 30 2023, 11:38 AM) *

No that all seems fine. I didn't hear anything abnormal from your video except it was not running optimally due to the carbs.

The spacers will be different due to how much the valves were clearances on the sides ( I'm assuming Tabari? did them) you try to get slightly off center from the valve so it spins the valve as it hits it instead of exact center.

agree.gif many don't check this and its essential for good valve sealing and wear on the stems.
malcolm2
Heads are Camper Specials from Type4store.com. They did the valves etc… as well. All the innards are from them. Cam, lifters, bearings, push rods. Probably other stuff I can’t remember.
r_towle
After you have done this adjustment, did your compression test results change?
malcolm2
I did not adjust any valves. I checked each valve several times using the method described about and once using the cap’ns “rocking” method.

Each check resulted in zero lash.
nditiz1
Was this a newly rebuilt engine?

Compression test should be done on a warm engine. Also, I rarely do compression tests anymore even on unknown engines. I get more info from leak down tests.
PatMc
Compression test on an engine that overfueling will not be very accurate because the fuel is washing down the cylinders. I wouldn't concern yourself with the compression numbers right now
930cabman
Rich, find out why. floats, mis adjustment, needle valve. So long as there is some compression the engine will run
rhodyguy
If you verify the floats source new gaskets first. If it’s apart, get some.
malcolm2
QUOTE(nditiz1 @ Apr 30 2023, 08:49 AM) *

Was this a newly rebuilt engine?

Compression test should be done on a warm engine. Also, I rarely do compression tests anymore even on unknown engines. I get more info from leak down tests.


Yes a 1.8 from a 914 in northern Alabama. I upped it to a 2.0 with bus pistons.
malcolm2
This float setting does not seem to be accurate. I see videos with the dude hold the plate vertically, the floats bounce back and forth and he sticks a mic on it and says it is not right.

Sorry, but I don't see the exact second when he is measuring a moving float.

ACN says they set mine at 12mm.... I can move the plate around and say BOOM... 12 mm. is that right? barf.gif THis guy suggests 10mm. i can't tell.



https://www.youtube.com/watch?v=54uPwTZ3DJw
malcolm2
OK... the more i putzed with it, the more I could see where he was measuring.

Tilt floats down and they open fully.

Tilt slowly backwards and the floats will STOP moving.

Tilt more backwards and the floats touch the gasket.

I measure at the STOP point. I got just about 12mm, just like ACN said. Does this group agree that 12mm is good? the video above the dude wanted 10mm.


https://www.youtube.com/watch?v=jJ4UhNCru5s
r_towle
10mm is correct. Not sure where 12mm came from

https://www.dellortoshop.com/contents/en-us...loat-level.html
r_towle
Curious to know the differences you find between the two carbs.
malcolm2
The floats on both carbs are 12mm. Post #11 has the spec sheet that ACN gave me with my carbs.

12mm from the plate to the top of the float would result in LESS fuel in the bowl than if they were set at 10mm from the float to the plate, correct?

It seems that my situation is, or might be OVER FUELING. So the bowls are LESS full per the float at 12 vs 10mm, correct?
r_towle
In theory you are right.
The proper specification is 10mm, but you can set it as you choose.

I would suggest you verify the needle valve is seating properly with no dirt or obstruction then you are done with this step.

Remove and verify your jets are correct, and properly seated.
Then move to validate your accel pump, gaskets, settings etc.
The pump needs to be right
This is a "lo-fi" version of our main content. To view the full version with more information, formatting and images, please click here.
Invision Power Board © 2001-2026 Invision Power Services, Inc.